Sounds like an excellent idea! Are you planning to populate the wiki tab of the github project?Jackw16 wrote: ↑16 Jan 2023, 14:00 just an update, worked perfectly, got 909/s speed, took about 4:30hrs to crack a p3 cem from a 2014 v40, trying a 2016 v40 tomorrow, im thinking of doing a little wiki write up about this info etc does anyone mind? just some bench info and how to find and use the p3 branch as the info is spread about these 250 odd pages
Vida CEM swapping
-
vtl
- Posts: 4724
- Joined: 16 August 2012
- Year and Model: 2005 XC70
- Location: Boston
- Has thanked: 114 times
- Been thanked: 603 times
Re: Vida CEM swapping
- Jackw16
- Posts: 7
- Joined: 15 January 2023
- Year and Model: 2014 V40 D3
- Location: March
- Has thanked: 1 time
- Been thanked: 1 time
I'd definitely be happy to do that i was planning on just setting up a wiki website for it but i would make much more sense if its right next to the github projectvtl wrote: ↑16 Jan 2023, 14:04Sounds like an excellent idea! Are you planning to populate the wiki tab of the github project?Jackw16 wrote: ↑16 Jan 2023, 14:00 just an update, worked perfectly, got 909/s speed, took about 4:30hrs to crack a p3 cem from a 2014 v40, trying a 2016 v40 tomorrow, im thinking of doing a little wiki write up about this info etc does anyone mind? just some bench info and how to find and use the p3 branch as the info is spread about these 250 odd pages
-
volvofrank
- Posts: 6
- Joined: 10 January 2023
- Year and Model: S80 2007
- Location: Holland
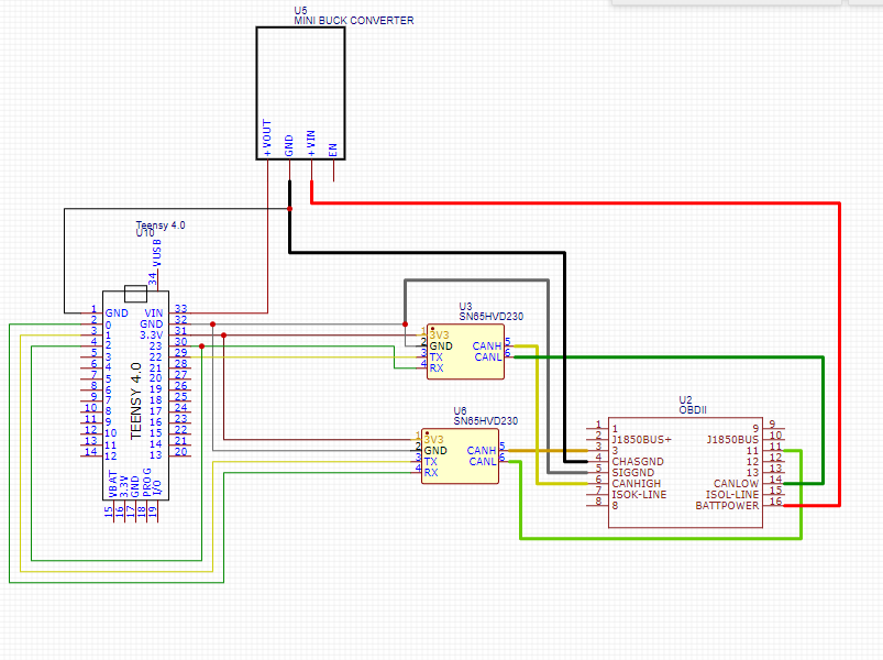
Hi there, I am a total electronics noob here, lurking this entire thread.
I am trying to make an "easier breadboard" version of vtl's work (which is awesome!).
So this is my take.
I am worried about how I handle the GND.
(I put some colors in the lines to make it a bit easier to see, they have no meaning;
I also put some thickness in the lines going to the OBD connector, also no meaning
).
This is what I have come up with so far: Also this is the VP230 board I am using:
And this is the buck converter: Will the version of my schematic work?
Or do I need to handle GND otherwise?
I also would appreciate it if someone can verify everything if I didn't mess up anything else.
I am trying to make an "easier breadboard" version of vtl's work (which is awesome!).
So this is my take.
I am worried about how I handle the GND.
(I put some colors in the lines to make it a bit easier to see, they have no meaning;
I also put some thickness in the lines going to the OBD connector, also no meaning
This is what I have come up with so far: Also this is the VP230 board I am using:
And this is the buck converter: Will the version of my schematic work?
Or do I need to handle GND otherwise?
I also would appreciate it if someone can verify everything if I didn't mess up anything else.
- Jackw16
- Posts: 7
- Joined: 15 January 2023
- Year and Model: 2014 V40 D3
- Location: March
- Has thanked: 1 time
- Been thanked: 1 time
just written up a simple wiki for now but turns out you cant pull request a wiki, let me know how to proceed, my fork with the wiki is here (https://github.com/jackw163/volvo-cem-cracker) links wont work as the urls are set for your main branch
-
dikidera
- Posts: 1304
- Joined: 15 August 2022
- Year and Model: S60 2005
- Location: Galaxy far far away
- Has thanked: 67 times
- Been thanked: 175 times
And I am happy to share news, the Dumper I wrote for Denso dumps 256kb of external maps in around 15s, but there is room for improvement and between 10 and 11 bytes could be sent per CAN message and thus save a few more seconds.
- prometey1982
- Posts: 46
- Joined: 5 June 2021
- Year and Model: 2010 XC90
- Location: Novosibirsk
- Has thanked: 4 times
- Been thanked: 5 times
- Contact:
Wow thats very fast. I'm dumping TCM flash with read data by addr command in 20-30 mins. But it's just single operation so such amount of time isn't a big problem. Also DIM can be dumped with this command.
Last edited by prometey1982 on 17 Jan 2023, 22:02, edited 1 time in total.
Они просто сдохнут, а мы попадем в рай.
-
dikidera
- Posts: 1304
- Joined: 15 August 2022
- Year and Model: S60 2005
- Location: Galaxy far far away
- Has thanked: 67 times
- Been thanked: 175 times
Yes the SBL I wrote is dead simple, all the values(memory address and size) are hardcoded so not much logic in there, but the hard part was ensuring it works, because I encountered some issues with how the code worked vs emulated in HEW and GhidraEmu.
Meanwhile I would like to ask if you guys know how the DIM gets information about the fuel? On my bi-fuel model, the gasoline level is shown in the small display on the left with squares(precision is 3.5 liters so it's not accurate), and the traditional fuel gauge with the needle shows lpg/cng level. I want to reverse them and have the needle show gasoline levels. I am really hoping it doesn't require CEM reprogramming, but if need be...I will.
Meanwhile I would like to ask if you guys know how the DIM gets information about the fuel? On my bi-fuel model, the gasoline level is shown in the small display on the left with squares(precision is 3.5 liters so it's not accurate), and the traditional fuel gauge with the needle shows lpg/cng level. I want to reverse them and have the needle show gasoline levels. I am really hoping it doesn't require CEM reprogramming, but if need be...I will.
- prometey1982
- Posts: 46
- Joined: 5 June 2021
- Year and Model: 2010 XC90
- Location: Novosibirsk
- Has thanked: 4 times
- Been thanked: 5 times
- Contact:
Have you made position independed code? Or placement by address?
Они просто сдохнут, а мы попадем в рай.
-
- Similar Topics
- Replies
- Views
- Last post
-
- 1 Replies
- 6396 Views
-
Last post by RickHaleParker
-
- 5 Replies
- 8644 Views
-
Last post by forumoto






