Hello all,
Longtime lurker of the site. Now that I have ViDa/Dice maybe I can communicate the issues more clearly.
Car: 02 V70 2.4 non turbo 235k miles
Compression 150psi on all cylinders
Fuel pressure at 50psi
Symptoms: (smooth)idle surge up to 2500 rpm on cold start until settling at 1000-1100 rpm where it becomes rough (ecm is shutting down injectors)
Codes: ecm-913f, ECM-903f, ECM-980f, ecm-532D
One thing that's sticking out to me is the desired throttle angle vs the actual throttle angle at idle. 5% to 20% respectively. There's obviously something going wrong between the etm (new xemodex)and ecm. Maybe a connection at the cem?
I thought initially that I had a vacuum leak somewhere but I was meticulous with mating surfaces and torque specs. The manifold vacuum is 21hg. Sprayed carb cleaner around intake, pcv, fuel injector o rings etc. Nothing found. Anyways, here's the backstory...
Bought this car last month and have addressed a few issues. I have replaced Etm with a xemodex unit, replaced oil trap system and pulled oil pan to clean the blocked port, new o2 sensors, new spark plugs and replaced 2 of the original coils.
I had done some troubleshooting before getting vida with a generic code reader. Here are some of the things I've discerned:
The ecm is shutting down injectors causing the rough idle it seems (ecm-532d). All injectors ohm at between 14--15. I've got 12v to etm plug with continuity between ground wire and block ground. I can hear unit powering on. It's also responsive to the accelerator pedal. My question is where should I be looking next? Faulty xemodex etm? Bad ecm or bad wiring? Any ideas which pins on ecm plug to test continuity? I've cleaned (with maf cleaner) and inspected pins on ecm. Please advise and thanks in advance.
2002 V70 NA Idle surge/rough idle codes cem 1a5d, cem-1a62, ecm-913f, ecm532d [ ETM RELOAD]
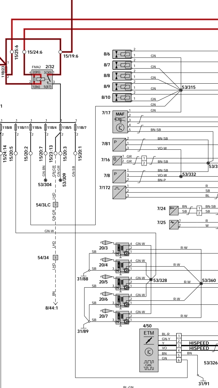
Thanks for the tip jonesg. I'll double check that connection tomorrow. I've verified all the wires from ecm to female etm plug except pin 6 from etm. Anyone have a diagram showing where this wire (gn-sb) terminates? Does it go to the cem?
- Attachments
-
- ETM_connections.JPG (60.34 KiB) Viewed 7469 times
All indications pointed to bad ecm. Did the xemodex cloning service. Also sent etm in with the ecms to check. They say it all is good. Same results. Slightly different codes though. I now have:
cem 1a5d, cem-1a62, ecm-913f, ecm532d
I've cleaned all grounds and + connections checked continuity between all pins connecting ecm to etm and cem. Cem to to tcm. One thing that may or may not be relevant is that the brake lights seem to be staying on now as well. What gives? I'm out of ideas and at a loss here. Experts please chime in! Help me figure this out. I have dealeraphobia but may have to go there.
cem 1a5d, cem-1a62, ecm-913f, ecm532d
I've cleaned all grounds and + connections checked continuity between all pins connecting ecm to etm and cem. Cem to to tcm. One thing that may or may not be relevant is that the brake lights seem to be staying on now as well. What gives? I'm out of ideas and at a loss here. Experts please chime in! Help me figure this out. I have dealeraphobia but may have to go there.
- abscate
- MVS Moderator
- Posts: 35308
- Joined: 17 February 2013
- Year and Model: 99: V70s S70s,05 V70
- Location: Port Jefferson Long Island NY
- Has thanked: 1506 times
- Been thanked: 3819 times
Thanks for follow up and results
Did that clear up the brake lights too?
Did that clear up the brake lights too?
Empty Nester
A Captain in a Sea of Estrogen
1999-V70-T5M56 2005-V70-M56 1999-S70 VW T4 XC90-in-Red
Link to Maintenance record thread
A Captain in a Sea of Estrogen
1999-V70-T5M56 2005-V70-M56 1999-S70 VW T4 XC90-in-Red
Link to Maintenance record thread
-
Carlosfromny
- Posts: 1
- Joined: 3 September 2024
- Year and Model: Volvo2003
- Location: USA
Hi guys, I have a 2003 Volvo and I have a problem with it. It turns off when I stop at a stop sign or I'm waiting for a light to turn green. The only way it doesn't turn off is if I have the gas pedal pressed with one foot and the other pedal pressed with the other foot. That's the only way it doesn't turn off. I can drive it all day and it doesn't turn off. The code it throws is CEM-1A62.
-
- Similar Topics
- Replies
- Views
- Last post






