P2 Vida not communicating with SRS module?
P2 Vida not communicating with SRS module?
Hi all, I have a question about the SRS module and vida that's been killing me for months. I've been trying to get rid of my airbag light and SRS service urgent light, but have hit a dead end. I've tried erasing the codes through Vida, but no codes are actually shown in the diagnostics tab. Under that tab, on the module diagram, every module is either green, orange, or gray except for the SRS module which is white. I think this means that there is no communication with the module? it seems as though Vida isn't even reading the SRS module at all. I have no clue where to go from here. I have even installed a different used srs module (same part number) with the same result. I know it could be my dice connector but the read-out for every other module is completely normal through Vida. I'm wondering if there's something I'm missing as far as how to even get a read-out for the SRS module. Thanks to anyone who has knowledge of Vida. I'm at my wits end trying to figure out what it could be and want to get outside opinions before I start spending more money.
- Attachments
-
- IMG_8552.JPG (400.69 KiB) Viewed 843 times
-
chitownV
- Posts: 296
- Joined: 17 May 2020
- Year and Model: 2008 XC90 3.2
- Location: Maryland
- Has thanked: 15 times
- Been thanked: 40 times
Maybe you can try reaching out to a qualified place that could help you. Since you bought an extra SRS module, if the data from the original one needs to be transferred, then you might have a good donor.
https://www.datatransferring.com/volvosrs
https://www.datatransferring.com/volvosrs
2008 XC90 3.2 AWD - 169k miles, Premium, Versatility 7 passenger, Climate, Convenience, retrofit Morimoto D2S HID bi-xenon, iPd swaybars & poly bushing inserts, Powerflex poly control arm bushings, Bilstein Touring Fr struts, Continental CrossContact LX25 255/55R18, Fr Infinity tweeters & speakers, hardwired cheap $17 Bluetooth to center console aux & pwr, CQuartz UK 3.0 ceramic coated, no oil consumption using Mobil 1 0W-40 even w/ my lead foot
- ggleavitt
- Posts: 743
- Joined: 4 June 2006
- Year and Model: 06,08 XC90 V8
- Location: Camano
- Has thanked: 23 times
- Been thanked: 126 times
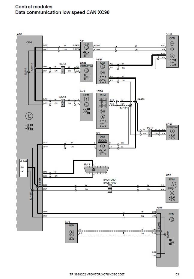
Guy above is absolutely right, you have no module registering that's on your low speed CAN bus. See EWD example for the modules, all yours are greyed out.
CEM manages both LS and HS CAN busses, can see the OBD port pins for LS on 17/13..
Attached Volvo TechNote describes the busses and there's a section for troubleshooting the bus in VIDA Here's another LS bus issue viewtopic.php?t=89062 reported that's not exactly the same scenario as yours (some modules not greyed out, due to physical path problem) but maybe can give some ideas.
Attached Volvo TechNote describes the busses and there's a section for troubleshooting the bus in VIDA Here's another LS bus issue viewtopic.php?t=89062 reported that's not exactly the same scenario as yours (some modules not greyed out, due to physical path problem) but maybe can give some ideas.
2006 V8 Ocean Race #740/800 200k, 2008 V8 Sport 183k
-
- Similar Topics
- Replies
- Views
- Last post
-
- 11 Replies
- 2104 Views
-
Last post by deano1
-
- 7 Replies
- 2257 Views
-
Last post by precopster






