Hello,
I checked all three brake light bulbs ok/switch tests ok got a new switch anyway/power at switch ok
no brake light power at lights. Is there a fuseable link in between brake light switch and the brake lights? All three bulbs test ok all three no power.
OK looking thru the forum, I checked out the relay. last row round red relay. How can I check that to see if it is defective?
Thanks for the help....Bill
1994 940 no brake lt pwr switch tests ok
-
billybumpbump
- Posts: 6
- Joined: 29 July 2015
- Year and Model: 92-940T/94-940Base
- Location: Orange County New York
- 93Regina
- Posts: 2813
- Joined: 18 January 2014
- Year and Model: 93:240/940
- Location: Sunflower State
- Been thanked: 65 times
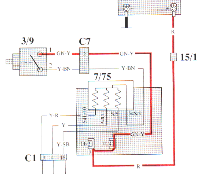
Power comes direct from the battery, and somewhere there is a box, which has a red wire coming into it, and leaving it; see picture at 15/1billybumpbump wrote:Is there a fuseable link...
When brake is activated, all three wires at C1 should be lit up with power.
- Attachments
-
- Capture.PNG (210.42 KiB) Viewed 1240 times
-
billybumpbump
- Posts: 6
- Joined: 29 July 2015
- Year and Model: 92-940T/94-940Base
- Location: Orange County New York
Thanks for the help...I am assuming the 3/9 is the brake light switch under the dash.
Where is the c1 connection, also is the 7/75 the bulb failure relay?
Thanks again for your help...Bill
Where is the c1 connection, also is the 7/75 the bulb failure relay?
Thanks again for your help...Bill
-
billybumpbump
- Posts: 6
- Joined: 29 July 2015
- Year and Model: 92-940T/94-940Base
- Location: Orange County New York
Been pulling my hair out on this one...
Checked the bulb and connection by putting voltage directly to light and it works.
I am suspecting the bulb failure relay but it is an expensive item.
Is there any test for that relay?
Again, thanks for the help...Bill
Checked the bulb and connection by putting voltage directly to light and it works.
I am suspecting the bulb failure relay but it is an expensive item.
Is there any test for that relay?
Again, thanks for the help...Bill
-
jimmy57
- Posts: 6694
- Joined: 12 November 2010
- Year and Model: 2004 V70R GT, et al
- Location: Ponder Texas
- Has thanked: 4 times
- Been thanked: 320 times
Take the cover off the bulb failure module. Look for solder cracks at pins on bottom. The pin in from brake light switch is known to crack and can be re-soldered.
-
billybumpbump
- Posts: 6
- Joined: 29 July 2015
- Year and Model: 92-940T/94-940Base
- Location: Orange County New York
I did that and nothing looked cracked. There was a bit of oxidation on the three leads for the three lights. Burnished it a bit and sprayed wire dryer over the entire relay. Put the cover back on and BINGO!!!! BINGO!!!! BINGO!! three brake lights. Thanks for your relay.
Bill
Bill
-
billybumpbump
- Posts: 6
- Joined: 29 July 2015
- Year and Model: 92-940T/94-940Base
- Location: Orange County New York
Located where the fuses are mid console
it's in the back left and it's a round circular red relay
It was a bad relay.
it's in the back left and it's a round circular red relay
It was a bad relay.
thank you very much. i took my red thing out and took it apart. looked all good, but who knows.
we have a pull a part nearby, i will just get one and swap out and see.
the red round thingie btw is the bulb failure circuit. its not a relay, there were no contacts inside that i could see.
we have a pull a part nearby, i will just get one and swap out and see.
the red round thingie btw is the bulb failure circuit. its not a relay, there were no contacts inside that i could see.
-
- Similar Topics
- Replies
- Views
- Last post






