1998 S70 - No parking lights, tail lights or tag lights.
1998 S70 - No parking lights, tail lights or tag lights.
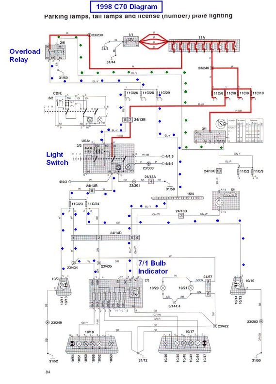
I have a 1998 S70 GLT. Recently my tail lights, parking lights and tag lights do not illuminate when turning on the headlight switch. The lights do flash when locking the doors, using a turn signal or turning the hazards on. All the fuses are good, I have tried multiple headlight switches including a brand new one and also have replaced the ignition switch and the lighting relay. From what I understand of the wire diagram there is supposed to be 12 volts on fuse 23 when the head light switch is clicked one time, however I get no voltage at fuse 23. There is 12 volts coming out of the headlight switch as indicated on the schematic on #2 which is two white wires when the switch is flipped.
-
cn90
- Posts: 8249
- Joined: 31 March 2010
- Year and Model: 2004 V70 2.5T
- Location: Omaha NE
- Has thanked: 4 times
- Been thanked: 466 times
See this diagram, and check page 84:
http://www.volvowiringdiagrams.com/volv ... rtible.pdf
This is the normal flow of electrical current:
- Key in position II, current flows from positive battery through the ignition switch 15A to #86 of "Overload Relay" (in engine compartment fuse box).
See GREEN dots.
- This activates the "Overload Relay", sending current from #30 to #87.
- One branch goes to "Light Switch" and another goes to "Bulb Indicator".
See BLUE dots.
- Now, if you turn on the "Light Switch", it feeds current to 24/13B, which feeds Fuses #23 and #24.
These 2 fuses #23 and #24 feed the license plate, tail lights etc.
*** To test Fuse #23 and #24 correctly:
- Key in position II.
- Fuses removed and check on both sides of the connector. It should read 12V.
- If not, the problem is upstream...either the Light Switch or the Overload Relay, which is a fancy term for a simple Bosch Relay.
HTH...
http://www.volvowiringdiagrams.com/volv ... rtible.pdf
This is the normal flow of electrical current:
- Key in position II, current flows from positive battery through the ignition switch 15A to #86 of "Overload Relay" (in engine compartment fuse box).
See GREEN dots.
- This activates the "Overload Relay", sending current from #30 to #87.
- One branch goes to "Light Switch" and another goes to "Bulb Indicator".
See BLUE dots.
- Now, if you turn on the "Light Switch", it feeds current to 24/13B, which feeds Fuses #23 and #24.
These 2 fuses #23 and #24 feed the license plate, tail lights etc.
*** To test Fuse #23 and #24 correctly:
- Key in position II.
- Fuses removed and check on both sides of the connector. It should read 12V.
- If not, the problem is upstream...either the Light Switch or the Overload Relay, which is a fancy term for a simple Bosch Relay.
HTH...
2004 V70 2.5T 100K+
2005 XC90 2.5T 110K+
2005 XC90 2.5T 110K+
- abscate
- MVS Moderator
- Posts: 35267
- Joined: 17 February 2013
- Year and Model: 99: V70s S70s,05 V70
- Location: Port Jefferson Long Island NY
- Has thanked: 1497 times
- Been thanked: 3809 times
You could also have a wiring break at the rear. The wagons suffer from this, not sure about the sedans
Empty Nester
A Captain in a Sea of Estrogen
1999-V70-T5M56 2005-V70-M56 1999-S70 VW T4 XC90-in-Red
Link to Maintenance record thread
A Captain in a Sea of Estrogen
1999-V70-T5M56 2005-V70-M56 1999-S70 VW T4 XC90-in-Red
Link to Maintenance record thread
-
Ozark Lee
- MVS Moderator
- Posts: 14798
- Joined: 7 September 2006
- Year and Model: Many Volvos
- Location: USA Midwest
- Has thanked: 4 times
- Been thanked: 75 times
The sedans have the same problem but usually for a different reason.
The wiring for things on the trunk deck run through a wire loom that follows the left hand hinge / damper arm and it is easy to chop the wires if you try to close the trunk with a suitcase or a box under that hinge arm. Since it is all in the loom it is a bit tough to find but once the bad spot is found it is easy to splice them back together.
...Lee
The wiring for things on the trunk deck run through a wire loom that follows the left hand hinge / damper arm and it is easy to chop the wires if you try to close the trunk with a suitcase or a box under that hinge arm. Since it is all in the loom it is a bit tough to find but once the bad spot is found it is easy to splice them back together.
...Lee
'94 850 N/A 5 speed
'96 Platinum Edition Turbo
Previous:
1999 V70XC - Nautic Blue - Totaled while parked.
1999 V70XC - RIP - Wrecked Parts Car.
1998 S70 T5
1996 850 N/A
1989 740 GLT
1986 740 GLT
1972 142 Grand Luxe
'96 Platinum Edition Turbo
Previous:
1999 V70XC - Nautic Blue - Totaled while parked.
1999 V70XC - RIP - Wrecked Parts Car.
1998 S70 T5
1996 850 N/A
1989 740 GLT
1986 740 GLT
1972 142 Grand Luxe
- rspi
- Posts: 7303
- Joined: 5 November 2011
- Year and Model: 850 T-5R Wagon
- Location: Cincinnati OH
- Has thanked: 34 times
- Been thanked: 72 times
-
Contact:
Contact rspi..
'95 855 T-5R M, Panther - 22/28 mpg, 546,000 miles
'95 955 T-5R Yellow Wagon, Lemonade, 180,000 miles
--------------------
Volvo's of past: '87 740 GLE, '79 262C Bertone, '78 264, 960's, '98 S70 GLT, '95 850 T-5R YellowVolvo Repair Videos
'95 955 T-5R Yellow Wagon, Lemonade, 180,000 miles
--------------------
Volvo's of past: '87 740 GLE, '79 262C Bertone, '78 264, 960's, '98 S70 GLT, '95 850 T-5R YellowVolvo Repair Videos
- BEJinFbk
- Posts: 4067
- Joined: 5 January 2008
- Year and Model: '98 V70 R
- Location: Fairbanks, Alaska
- Has thanked: 93 times
- Been thanked: 146 times
The hazards, turn signal and alarm lights are unrelated circuits.
If you have power leaving the switch, but not getting to the fuses,
it's a pretty short trip. The connection at 24/13B, #8 or the fuse
holder contacts for locations 23 and 24 seem like the places to
look. I'd start by double checking the fuses and their contacts
in the fuse box.
If you have power leaving the switch, but not getting to the fuses,
it's a pretty short trip. The connection at 24/13B, #8 or the fuse
holder contacts for locations 23 and 24 seem like the places to
look. I'd start by double checking the fuses and their contacts
in the fuse box.
'98 V70 R - Well Equipped for Life Up North... 
-
- Similar Topics
- Replies
- Views
- Last post
-
- 2 Replies
- 1346 Views
-
Last post by deejaymo1
-
- 3 Replies
- 976 Views
-
Last post by MikeS70GLT






