2001 v70 drivers master control switch issues
-
Big Country 65
- Posts: 1
- Joined: 31 August 2016
- Year and Model: 2001 v70 xc
- Location: Edmonton
2001 v70 drivers master control switch issues
Hi there's. I am new to the forum but looking for some advice or direction. I have a 2001 v70 Xc and I am having some issue with the drivers window master control. The driver window does not roll up or down and before it actually quit, is was working somewhat on and off , only after driving bumpy roads. The passenger front and rear work fine as well as the locks and mirror electronics. I purchased a used one from a pick a park on eBay and installed. I did the p2 reset sequence by disconnecting the battery and then having the key in position #2. The drivers window would unrolled but none of the other windows were functioning as well as the mirror and locks. There was a loud clicking from the master control switch and then would quit down after 2 minutes but remain at the same pace. With this eating the potential battery I disconnected and reinstalled the old master switch and would rather have a 90 percent working control versus a 20 % with no other functions. Looking for some insight if it is a bad used controller or a programming issue or who knows what.
- packetfire
- Posts: 234
- Joined: 24 July 2012
- Year and Model: 2010 v50 2.4i
- Location: Manhattan, NYC, NY, USA
- Has thanked: 17 times
- Been thanked: 30 times
Sounds like your eBay part was not as compatible as you had hoped, as it merely caused more problems.
I also do not think you have evidence to blame the switch.
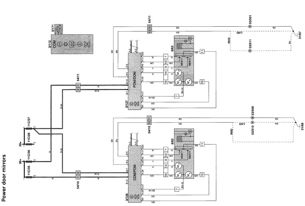
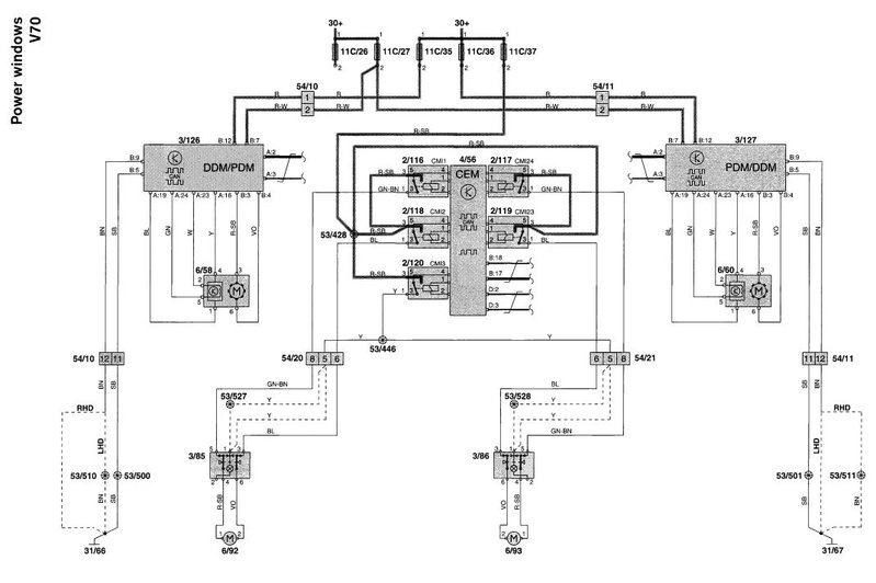
Here are the wiring diagrams for the v70 2001 power windows, mirrors, and locks.
I'd try looking at voltage to the motors for the front power windows, and see if the problem is "no voltage to motor" or "no motor action when voltage applied".
I tend to check connections for 12 volts to the motors (6/58 and 6/60) first, as motors and relays carry high current, and see more wear, due to being under "electrical loads" the control systems can fail, but they are really only "debugged" with VIDA or by swapping modules.
I also do not think you have evidence to blame the switch.
Here are the wiring diagrams for the v70 2001 power windows, mirrors, and locks.
I'd try looking at voltage to the motors for the front power windows, and see if the problem is "no voltage to motor" or "no motor action when voltage applied".
I tend to check connections for 12 volts to the motors (6/58 and 6/60) first, as motors and relays carry high current, and see more wear, due to being under "electrical loads" the control systems can fail, but they are really only "debugged" with VIDA or by swapping modules.
1982 240DL: Drove it 32 years and 1.5 million miles (sold, even still had mint leather!)
2001 v70 2.4T: The most expensive $1500 car I ever bought ("Volvo Turbo" - what an oxymoron!) (sold)
2004 v70: Far less fatally-flawed v70 - It served well (sold)
2010 v50: Smaller, slightly sportier wagon. Its got a spoiler, so I upgraded with sway bars!
2001 v70 2.4T: The most expensive $1500 car I ever bought ("Volvo Turbo" - what an oxymoron!) (sold)
2004 v70: Far less fatally-flawed v70 - It served well (sold)
2010 v50: Smaller, slightly sportier wagon. Its got a spoiler, so I upgraded with sway bars!
All functions on 2001 V70 driver's master switch controller work except driver's window when motor is running; turn the engine off the window goes up and down. There is a momentary "clump" or "click" when the switch is pressed or pulled, but the sound seems the same in the other doors before their motor noise takes over.
Disassembled the unit using instructions for the 2000 (plastic putty knife and then screwdriver tip to pry unit out of arm rest without damage) and was surprised to find two cables instead of three that also seemed too short to disconnect so removed the top portion without unplugging the unit. White arrows remove the top facia, which someone else has pointed out is not necessary. Red arrows are pry points (four each side) to separate top from bottom. Top facia off, before separating top and bottom of the controller at the red arrows (above). Flipped the top half over and found a circuit board instead of the expected rockers in the description of a 2000 V70 controller repair. There is a 6" ribbon cable to disconnect from the top half. It may pull out, but you can disconnect the tan ribbon cable holder (white arrow below) by raising it a fraction of an inch with a fingernail to disconnect top from bottom. Took the top inside to remove three screws, then the board from the housing. A small part fell out that goes under the mirror control and only fits one way (red arrow below).
Used alcohol and Q-tip to clean all the contact points and insides of the rubber touch pad (red circles on one of each); compressed air to dry. Reassembled by flipping mat on top of board, then inserting back in housing with mat down, ribbon connector up.
Reassembled and problem continues.
Thoughts?
Disassembled the unit using instructions for the 2000 (plastic putty knife and then screwdriver tip to pry unit out of arm rest without damage) and was surprised to find two cables instead of three that also seemed too short to disconnect so removed the top portion without unplugging the unit. White arrows remove the top facia, which someone else has pointed out is not necessary. Red arrows are pry points (four each side) to separate top from bottom. Top facia off, before separating top and bottom of the controller at the red arrows (above). Flipped the top half over and found a circuit board instead of the expected rockers in the description of a 2000 V70 controller repair. There is a 6" ribbon cable to disconnect from the top half. It may pull out, but you can disconnect the tan ribbon cable holder (white arrow below) by raising it a fraction of an inch with a fingernail to disconnect top from bottom. Took the top inside to remove three screws, then the board from the housing. A small part fell out that goes under the mirror control and only fits one way (red arrow below).
Used alcohol and Q-tip to clean all the contact points and insides of the rubber touch pad (red circles on one of each); compressed air to dry. Reassembled by flipping mat on top of board, then inserting back in housing with mat down, ribbon connector up.
Reassembled and problem continues.
Thoughts?
- abscate
- MVS Moderator
- Posts: 35273
- Joined: 17 February 2013
- Year and Model: 99: V70s S70s,05 V70
- Location: Port Jefferson Long Island NY
- Has thanked: 1498 times
- Been thanked: 3810 times
Buying dreck from eBay is just short cutting junkyard parts, in case of a window switch, no surprise there
Your 2001 is a full P2 chassis, so the switches no longer carry the current but sendcontrol signals to the bus to operate accessories. It’s also much more reliable than the older versions
You will have to fault trace starting at the motor to find where the voltage breaks under the fault condition.
Your 2001 is a full P2 chassis, so the switches no longer carry the current but sendcontrol signals to the bus to operate accessories. It’s also much more reliable than the older versions
You will have to fault trace starting at the motor to find where the voltage breaks under the fault condition.
Empty Nester
A Captain in a Sea of Estrogen
1999-V70-T5M56 2005-V70-M56 1999-S70 VW T4 XC90-in-Red
Link to Maintenance record thread
A Captain in a Sea of Estrogen
1999-V70-T5M56 2005-V70-M56 1999-S70 VW T4 XC90-in-Red
Link to Maintenance record thread
-
- Similar Topics
- Replies
- Views
- Last post






