No 12 VDC to the middle of any switch - thats ground and will blow a fuse.
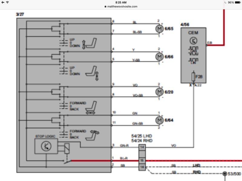
Green/red is the safety logic - info missing here is the logic high/Closed or high/Open? I might be able to look at mine and figure this out.
You want 12 VDC on BLUE/RED to power this up and either 12 VDC or ground on safety logic. ill guess its 12 VDC for the safety but will try to confirm
Help with powering S60 seat -- Not in a Car Topic is solved
- abscate
- MVS Moderator
- Posts: 35267
- Joined: 17 February 2013
- Year and Model: 99: V70s S70s,05 V70
- Location: Port Jefferson Long Island NY
- Has thanked: 1497 times
- Been thanked: 3809 times
Re: Help with powering S60 seat -- Not in a Car
Empty Nester
A Captain in a Sea of Estrogen
1999-V70-T5M56 2005-V70-M56 1999-S70 VW T4 XC90-in-Red
Link to Maintenance record thread
A Captain in a Sea of Estrogen
1999-V70-T5M56 2005-V70-M56 1999-S70 VW T4 XC90-in-Red
Link to Maintenance record thread
-
jbeebo
- Posts: 107
- Joined: 1 May 2013
- Year and Model: S60, 2005
- Location: suburbia
- Been thanked: 3 times
I think it would help if we explain the function of the switch and thus how it should be wired on the board.
Here's a graphic of switch4 as an example because it's pretty clear from the pics how it's wired. The white and black/red wires are connected to the motor. (I'm pretty sure) terminal4 is connected to G/R wire, and (I'm also pretty sure) that wire is +12V. If terminal 4 is power, then terminal 3 must be ground, and therefore terminal 1 is also power & terminal 2 is ground.
When the switch is moved up, terminal1 is connected to terminal5 (White wire), and terminal 2 is connected to terminal6 (Black/Red wire). This allows current to flow CCW thru that motor circuit and motor spins some direction.
The opposite happens when the switch is moved down, and current flow CW thru that motor circuit and the motor spins the opposite direction.
Of course the switch in the middle means no connection to the motor. So now we know how an individual switch works. How are they wired together? Following the same logic the board _should_ be wired like shown below. It means we can solder +12V power wire to terminal 1 or 4 on any switch and solder ground wire to terminal 2 or 3 on any switch and it will provide the power and ground to them all. Then all 4 switches will work and provide power to the individual motors. But before you go and start soldering I strongly suggest you confirm my sketches. For example, when you touch Switch4-Terminal4 is there continuity at the G/R wire, and T1 & T4 of all 4 switches? Poke around and tell me how badly I screwed up my drawings

One last note. The stop logic must interrupt power or ground to the switches. I guess the relay performs that function. The black wire (which I assume is ground) is wired right beside that relay. Coincidence? The relay has 3 terminals, looking at the bottom of the board it sure looks like the relay bridges from the black wire on the left to the bottom right relay terminal, when the relay is energized of course. If the bottom right relay connection is ground, then it sure looks like that PCB trace is connecting to switch2-terminal3 and switch3-terminal3. And this makes sense, and it's what I've drawn above.
IF all of this is true, then the solution is to cut the black wire off the board, solder it to the lower right terminal of the relay, or to terminal 2 or 3 of any switch and you'll be rockin and rollin.
Chew on this info a bit, probe around with the multimeter and get back to us with results of which switch terminals are interconnected.
Here's a graphic of switch4 as an example because it's pretty clear from the pics how it's wired. The white and black/red wires are connected to the motor. (I'm pretty sure) terminal4 is connected to G/R wire, and (I'm also pretty sure) that wire is +12V. If terminal 4 is power, then terminal 3 must be ground, and therefore terminal 1 is also power & terminal 2 is ground.
When the switch is moved up, terminal1 is connected to terminal5 (White wire), and terminal 2 is connected to terminal6 (Black/Red wire). This allows current to flow CCW thru that motor circuit and motor spins some direction.
The opposite happens when the switch is moved down, and current flow CW thru that motor circuit and the motor spins the opposite direction.
Of course the switch in the middle means no connection to the motor. So now we know how an individual switch works. How are they wired together? Following the same logic the board _should_ be wired like shown below. It means we can solder +12V power wire to terminal 1 or 4 on any switch and solder ground wire to terminal 2 or 3 on any switch and it will provide the power and ground to them all. Then all 4 switches will work and provide power to the individual motors. But before you go and start soldering I strongly suggest you confirm my sketches. For example, when you touch Switch4-Terminal4 is there continuity at the G/R wire, and T1 & T4 of all 4 switches? Poke around and tell me how badly I screwed up my drawings
One last note. The stop logic must interrupt power or ground to the switches. I guess the relay performs that function. The black wire (which I assume is ground) is wired right beside that relay. Coincidence? The relay has 3 terminals, looking at the bottom of the board it sure looks like the relay bridges from the black wire on the left to the bottom right relay terminal, when the relay is energized of course. If the bottom right relay connection is ground, then it sure looks like that PCB trace is connecting to switch2-terminal3 and switch3-terminal3. And this makes sense, and it's what I've drawn above.
IF all of this is true, then the solution is to cut the black wire off the board, solder it to the lower right terminal of the relay, or to terminal 2 or 3 of any switch and you'll be rockin and rollin.
Chew on this info a bit, probe around with the multimeter and get back to us with results of which switch terminals are interconnected.
2005 S60 2.4L (B5244S6), 175k miles
- abscate
- MVS Moderator
- Posts: 35267
- Joined: 17 February 2013
- Year and Model: 99: V70s S70s,05 V70
- Location: Port Jefferson Long Island NY
- Has thanked: 1497 times
- Been thanked: 3809 times
I'm seeing the
Green red triggering the stop logic
Blue red supplying the main 12V to one side of each switch, per the diagram below. The first stop of the 12V is the stop,logic relay , triggered by Green-red
Green red triggering the stop logic
Blue red supplying the main 12V to one side of each switch, per the diagram below. The first stop of the 12V is the stop,logic relay , triggered by Green-red
Empty Nester
A Captain in a Sea of Estrogen
1999-V70-T5M56 2005-V70-M56 1999-S70 VW T4 XC90-in-Red
Link to Maintenance record thread
A Captain in a Sea of Estrogen
1999-V70-T5M56 2005-V70-M56 1999-S70 VW T4 XC90-in-Red
Link to Maintenance record thread
-
wadeatl
- Posts: 18
- Joined: 10 March 2017
- Year and Model: 2009 S60
- Location: Atlanta
- Been thanked: 1 time
Guys .. thanks again for helping out .. I was finally able to check the G/R traces. Below is what I found out. The black circles depict were there was no connection on the trace. The trace from G/R was to only one side of the switch. I was not able to and of the traces to the Black. I hope this helps get me closer to a solution.
Also I was able to verify the switch diagram that jebeebo submitted is correct with the positive and negatives across each switch. Again I was not able to trace the grounds back to the black. I will try with activating the switch to see what I can find out.
Also I was able to verify the switch diagram that jebeebo submitted is correct with the positive and negatives across each switch. Again I was not able to trace the grounds back to the black. I will try with activating the switch to see what I can find out.
-
jbeebo
- Posts: 107
- Joined: 1 May 2013
- Year and Model: S60, 2005
- Location: suburbia
- Been thanked: 3 times
Cool, getting somewhere wadeatl!
So we confirmed G/R is permanently connected to terminals 1 & 4 of all switches. And the black wire is not normally connected to the switch terminals 2 & 3. It sure seems like ground (black) is the switched wire.
Next I want you to probe from the lower right relay connection to the switch terminals. I'm betting that point is connected to terminals 2 & 3 of all switches. I've put a black circle on that relay connection and a dashed line to a couple connection points on SW2 & SW3.
So we confirmed G/R is permanently connected to terminals 1 & 4 of all switches. And the black wire is not normally connected to the switch terminals 2 & 3. It sure seems like ground (black) is the switched wire.
Next I want you to probe from the lower right relay connection to the switch terminals. I'm betting that point is connected to terminals 2 & 3 of all switches. I've put a black circle on that relay connection and a dashed line to a couple connection points on SW2 & SW3.
2005 S60 2.4L (B5244S6), 175k miles
-
jbeebo
- Posts: 107
- Joined: 1 May 2013
- Year and Model: S60, 2005
- Location: suburbia
- Been thanked: 3 times
Hmmm, terminal 2 & 3 of SW2 must be connected to one of those 3 relay terminals no? Maybe it's the top right one instead of the bottom right.
Anyways I suppose it doesn't matter. You've already confirmed that terminals 2 & 3 of all 4 switches are connected together as shown by dashed black wire below - right?...
So we will just bypass the relay altogether. Cut the black wire off the board and solder it to Switch2-Terminal2 or any of the other circled terminals. Then, anytime you put +12V to the G/R wire and Ground to the black wire all 4 switches will be live, and activating them will power the motors.
Anyways I suppose it doesn't matter. You've already confirmed that terminals 2 & 3 of all 4 switches are connected together as shown by dashed black wire below - right?...
So we will just bypass the relay altogether. Cut the black wire off the board and solder it to Switch2-Terminal2 or any of the other circled terminals. Then, anytime you put +12V to the G/R wire and Ground to the black wire all 4 switches will be live, and activating them will power the motors.
2005 S60 2.4L (B5244S6), 175k miles
-
wadeatl
- Posts: 18
- Joined: 10 March 2017
- Year and Model: 2009 S60
- Location: Atlanta
- Been thanked: 1 time
jbeebo ... I mentioned in a previous post that 2,3,5,6 are all connected. Although I can not seem to trace any of them back to black. I've updated your most recent board layout to depict what I was able to probe.
With the latest picture do you think I should next try to splice or solder my power to the G/R and ground to black then cut the ground and solder to pin 2 on switch 2?
Thanks again for all the help!
With the latest picture do you think I should next try to splice or solder my power to the G/R and ground to black then cut the ground and solder to pin 2 on switch 2?
Thanks again for all the help!
- Attachments
-
- Volvo seat switch ground.png (479.04 KiB) Viewed 2381 times
-
- Similar Topics
- Replies
- Views
- Last post
-
- 2 Replies
- 1800 Views
-
Last post by Oleelstad
-
- 1 Replies
- 1732 Views
-
Last post by darylrobert






