Here's the issue, 2003 Volvo S60 Standard transmission w/67K starts intermittently. When it does not start, there is a click but no crank. All dash lights work fine when the key is turned, but just no crank. When it works it starts up immediately with no issues. The problem happens randomly - sometimes okay for several weeks, then suddenly won't start.
I replaced the battery - problem persisted. I replaced the starter/solenoid and cleaned all wires - problem persisted. I've ordered the starter relay and will replace that. What's left? the ignition switch ? Neutral Safety Switch Starter Inhibitor (can this be bypassed to test?)
What I've found as a temporary fix that will make the car start so I'm not stranded is this. Sometimes doing nothing and just letting it sit for several hours it will magically fix itself. Usually I can't do this, so I found another workaround that ALWAYS works. If I take an offset screwdriver and short out the system so it creates a spark by touching the blade to the positive lug on the starter and at the same time touching the wire that runs to the solenoid - it sparks and I hear the solenoid spin. After that I turn the key in the ignition and it always starts right up. What does this indicate? It will ALWAYS start right up after I do this, and may be fine for the several hours, days or weeks after that before it eventually happens again. By the way, this same method worked on the old starter before I replaced it with a new one - so I don't think this problem is the starter or solenoid, but what else could it be, or what else can I test? Thanks for your help very much!
S60 intermittently wont start unless starter jumpered
-
dave2volvo
- Posts: 6
- Joined: 12 August 2012
- Year and Model: S60,2003
- Location: Boston
-
igel513
- Posts: 286
- Joined: 27 September 2008
- Year and Model: 2003 S60 T5
- Location: California
- Has thanked: 1 time
- Been thanked: 1 time
Dave, so even w/ a new starter the problem persisted? My 03 T5 starting problem happens when the engine is hot after a run, (not due to hot weather). I haven't found a solution to this and I've checked the other forums. Nobody seems to have any answer. Car has only 83k miles and runs great except for the hard starts. We'll have to keep on researching hoping to find a quick fix. Keep us posted if replacing the starter relay fixes the problem.
-
dave2volvo
- Posts: 6
- Joined: 12 August 2012
- Year and Model: S60,2003
- Location: Boston
Hi Igel, thanks for the reply. That's correct - the starter/solenoid was replaced and for a short while (about a month) after that it seemed to be okay - I thought I had it fixed. But now it's back - exact same problem as before I replaced the starter. It's really got me baffled. Hopefully someone can chime in and offer some advice, I'm not sure what to look for at this point.
-
coflynn
- Posts: 174
- Joined: 18 June 2009
- Year and Model: 2002 S60 AWD
- Location: halifax, NS
- Been thanked: 6 times
If the problem occurs somewhat reliably, you should be able to do further troubleshooting besides just replacing parts.
Once it gets into the mode that it doesn't start, I would try to trace where the signal is being lost. Starting with maybe the starter relay - is a signal coming in & going out. If you have access to someone with VIDA/DICE you might be able to see the status of any sensors/lines as well, which could speed up troubleshooting.
-Colin
Once it gets into the mode that it doesn't start, I would try to trace where the signal is being lost. Starting with maybe the starter relay - is a signal coming in & going out. If you have access to someone with VIDA/DICE you might be able to see the status of any sensors/lines as well, which could speed up troubleshooting.
-Colin
-
dave2volvo
- Posts: 6
- Joined: 12 August 2012
- Year and Model: S60,2003
- Location: Boston
The problem does happen somewhat reliably, but when it does I'm typically not in a location where there's someone with test equipment. If I bring it to a shop and it doesn't fail, they're most likely not going to be able to tell me anything.
Seeing as I've already replaced the battery, starter, and today the relay - if it still fails I'm guessing it must be the ignition switch? Is there any way to test that part or bypass it? What else could it possibly be? And if it is the ignition switch electronics, is that something I can do myself? Thanks!
Seeing as I've already replaced the battery, starter, and today the relay - if it still fails I'm guessing it must be the ignition switch? Is there any way to test that part or bypass it? What else could it possibly be? And if it is the ignition switch electronics, is that something I can do myself? Thanks!
-
igel513
- Posts: 286
- Joined: 27 September 2008
- Year and Model: 2003 S60 T5
- Location: California
- Has thanked: 1 time
- Been thanked: 1 time
coflynn, is the signal on starter relay suppose to be coming in or going out?
Dave, there is an antenna ring on the ignition switch but I don't know the procedure in diagnosing a prob. w/ it. Wait for the gurus to chime in.
Dave, there is an antenna ring on the ignition switch but I don't know the procedure in diagnosing a prob. w/ it. Wait for the gurus to chime in.
-
coflynn
- Posts: 174
- Joined: 18 June 2009
- Year and Model: 2002 S60 AWD
- Location: halifax, NS
- Been thanked: 6 times
There should be both - one signal will be energizing the relay (coming in). If the relay is energized, it should be passing the high current path to the starter motor (going out).igel513 wrote:coflynn, is the signal on starter relay suppose to be coming in or going out?
-
DGM
- Posts: 459
- Joined: 23 December 2010
- Year and Model: V70 2.4i 2005
- Location: Quebec, Canada
- Been thanked: 3 times
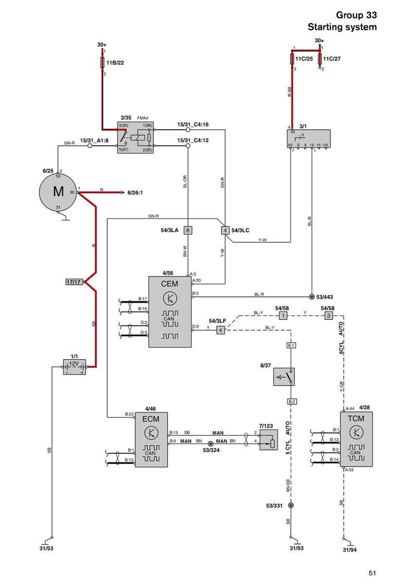
Replacing the relay 2/35 was the logical thing to do at this point. The relay is activated by the ignition switch through the ECM. On the old relay look for any sign of heat on the contacts (blackening). Also inspect the fuse 11B/22 for any deformation. This fuse is feeding the starter solenoid through the relay.dave2volvo wrote: Seeing as I've already replaced the battery, starter, and today the relay - if it still fails I'm guessing it must be the ignition switch? Is there any way to test that part or bypass it? What else could it possibly be? And if it is the ignition switch electronics, is that something I can do myself? Thanks!
If it happens again look if the relay is clicking when you start. If not, unplug it and measure if you have battery voltage on contact 1(86) when cranking (50). If not, it would indicate a defective ignition switch 3/1.
I realize reading your post that you have standard transmission. There is a clutch position sensor 7/123. It can cause problem if intermittent.
The return path to ground of the starter could be another possibility. How clean was the mating surface of the starter to the engine block? The engine, is it well grounded ? However, in this case the charging system would also be affected. These are more remote possibilities.
Normally when the immobilizer is activated you have an indication on the display. Here is a link where Jimmy57 explains what to do in this case.
https://www.matthewsvolvosite.com/forums ... =9&t=50494
V70 2005 2.4i 195,000km, sold
S70 1998 T5 355,000km, sold
960 1994 80,000km, sold
760 1990 Turbo 265,000km, sold
S70 1998 T5 355,000km, sold
960 1994 80,000km, sold
760 1990 Turbo 265,000km, sold
-
dave2volvo
- Posts: 6
- Joined: 12 August 2012
- Year and Model: S60,2003
- Location: Boston
DGM - thanks for that excellent reply. I've replaced the relay and that's definitely not the problem. I checked the 11B/22 fuse (it was fine) but swapped it out with the spare just to be sure. So, I guess that narrows it down to either the ignition switch or the clutch position sensor CPS. I'm guessing that since the car will ALWAYS start if I do my trick of shorting out the contacts on the starter/solenoid - that's probably more related to the ignition switch than the CPS. Next time it won't start, I will measure voltage at 1/86 at the relay and try and nail it down to the ignition switch.
2 questions:
If it is the ignition switch, is that something that's replacable by me, the backyard mechanic?
Any idea why the car will ALWAYS start immediately after I short out the positive cable lug on the starter and the solenoid?
Thanks!
2 questions:
If it is the ignition switch, is that something that's replacable by me, the backyard mechanic?
Any idea why the car will ALWAYS start immediately after I short out the positive cable lug on the starter and the solenoid?
Thanks!
-
DGM
- Posts: 459
- Joined: 23 December 2010
- Year and Model: V70 2.4i 2005
- Location: Quebec, Canada
- Been thanked: 3 times
Yes you can do it easily. The switch is located on the left hand side of the steering column at the end of the key barrel. Remove the three screws holding the bottom and top covers (by under). Split the 2 parts open. You will see the switch on the left hold by 2 screws. Just undo it and remove the connector attached. Reassemble in the reverse way.dave2volvo wrote:
2 questions:
If it is the ignition switch, is that something that's replacable by me, the backyard mechanic?
Any idea why the car will ALWAYS start immediately after I short out the positive cable lug on the starter and the solenoid?
Here is a link showing the switch.
http://www.fcpgroton.com/product-exec/p ... ory_id/199
For your other interrogation it is mind bogging...
Next time it happens measure the voltage present at the solenoid when you start compare with the one present at the starter terminal.
V70 2005 2.4i 195,000km, sold
S70 1998 T5 355,000km, sold
960 1994 80,000km, sold
760 1990 Turbo 265,000km, sold
S70 1998 T5 355,000km, sold
960 1994 80,000km, sold
760 1990 Turbo 265,000km, sold
-
- Similar Topics
- Replies
- Views
- Last post
-
- 4 Replies
- 817 Views
-
Last post by mrbrian200
-
- 1 Replies
- 712 Views
-
Last post by abscate






