Had some trouble with the lock. Latch sticking, lubed it, and got it working again.
Now the tailgate light on dash is on permanently, tailgate is firmly closed.
Loose wire?
Possible broken wire in tailgate loom?
I have the tailgate repair kit to do on this car so will document this as I troubleshoot
1999 V70T5M tailgate light on, tailgate trim repair 8628197 Topic is solved
- abscate
- MVS Moderator
- Posts: 35272
- Joined: 17 February 2013
- Year and Model: 99: V70s S70s,05 V70
- Location: Port Jefferson Long Island NY
- Has thanked: 1497 times
- Been thanked: 3810 times
1999 V70T5M tailgate light on, tailgate trim repair 8628197
Empty Nester
A Captain in a Sea of Estrogen
1999-V70-T5M56 2005-V70-M56 1999-S70 VW T4 XC90-in-Red
Link to Maintenance record thread
A Captain in a Sea of Estrogen
1999-V70-T5M56 2005-V70-M56 1999-S70 VW T4 XC90-in-Red
Link to Maintenance record thread
- Clemens
- Posts: 1932
- Joined: 3 September 2015
- Year and Model: 96 855 R + 94 855 T5
- Location: Austria
- Has thanked: 473 times
- Been thanked: 219 times
Either the wiring loom behind the left tailgate hinge or the microswitch that tells the dash the door is open. (i guess it is a separate switch from the one that turns the dome light in the cargo area on and off). Could be out of adjustment. If it were an Audi inwould spray that switch with wd 40 really good. Solved some electronic hiccups here and there.
Summer: 1996 855 R
Winter: 1994 855 T5M
Donor: 1995 854 10V
Winter: 1994 855 T5M
Donor: 1995 854 10V
- abscate
- MVS Moderator
- Posts: 35272
- Joined: 17 February 2013
- Year and Model: 99: V70s S70s,05 V70
- Location: Port Jefferson Long Island NY
- Has thanked: 1497 times
- Been thanked: 3810 times
More info
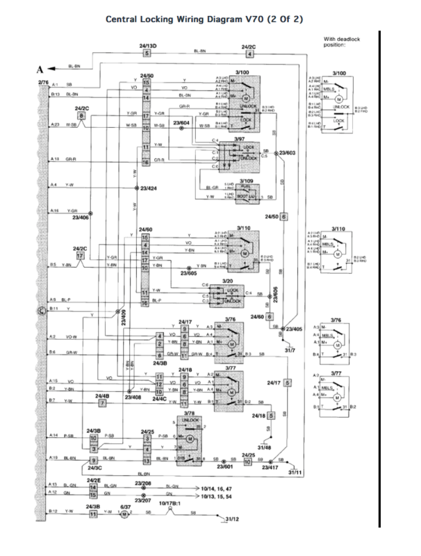
Trunk lid light gets 12VDC from Pin A:16 on the CDM, ground wire is pin B:14 on the CDM, a BL-BN wire runs from the CDM to connector 24/13D then to connector 24/2C then to pin 9 on connector 24/3C (also connects on A-19 on the ECU) , then to pin 13on connector 24/25.
That runs to BL BN to pin 1 on the trunk lock motor component 3/78. and is grounded to pin 8, SB wire to 23/601 to pin 10 24/25, then SB to 23/417 common and finally grounded at 31/11 - location of that ground is in tailgate C pillar.
The 24/25 connector is high in the C pillar near the trouble spot of the wiring loom
Should be able to diagnose the continuity of the ground wire from the 24/25 and see if that or the switch is the problem,
Trunk lid light gets 12VDC from Pin A:16 on the CDM, ground wire is pin B:14 on the CDM, a BL-BN wire runs from the CDM to connector 24/13D then to connector 24/2C then to pin 9 on connector 24/3C (also connects on A-19 on the ECU) , then to pin 13on connector 24/25.
That runs to BL BN to pin 1 on the trunk lock motor component 3/78. and is grounded to pin 8, SB wire to 23/601 to pin 10 24/25, then SB to 23/417 common and finally grounded at 31/11 - location of that ground is in tailgate C pillar.
The 24/25 connector is high in the C pillar near the trouble spot of the wiring loom
Should be able to diagnose the continuity of the ground wire from the 24/25 and see if that or the switch is the problem,
Empty Nester
A Captain in a Sea of Estrogen
1999-V70-T5M56 2005-V70-M56 1999-S70 VW T4 XC90-in-Red
Link to Maintenance record thread
A Captain in a Sea of Estrogen
1999-V70-T5M56 2005-V70-M56 1999-S70 VW T4 XC90-in-Red
Link to Maintenance record thread
- Clemens
- Posts: 1932
- Joined: 3 September 2015
- Year and Model: 96 855 R + 94 855 T5
- Location: Austria
- Has thanked: 473 times
- Been thanked: 219 times
Always fascinating to see how many parts and wires are in our cars. Considering the low failure rate of these p80 cars can teach us alot about the importance of quality control and chosing the right suppliers.
Summer: 1996 855 R
Winter: 1994 855 T5M
Donor: 1995 854 10V
Winter: 1994 855 T5M
Donor: 1995 854 10V
- abscate
- MVS Moderator
- Posts: 35272
- Joined: 17 February 2013
- Year and Model: 99: V70s S70s,05 V70
- Location: Port Jefferson Long Island NY
- Has thanked: 1497 times
- Been thanked: 3810 times
Update - I found broken pieces in the brass part of the tailgate lock and will need a new one.
FCP has the entire thing but its 160 USD - crap on rye. Thats like 100 years of oil changes.
PnP is probably the way to go on this - pictures to come.
BTW - Im claiming one Viking horn for getting the latch trim piece off in once piece - Ill claim the other if I get it back in in the same state.
Volvo Tailgate Hatch Lock (V70) - Genuine Volvo 8628197
FCP has the entire thing but its 160 USD - crap on rye. Thats like 100 years of oil changes.
PnP is probably the way to go on this - pictures to come.
BTW - Im claiming one Viking horn for getting the latch trim piece off in once piece - Ill claim the other if I get it back in in the same state.
Volvo Tailgate Hatch Lock (V70) - Genuine Volvo 8628197
Empty Nester
A Captain in a Sea of Estrogen
1999-V70-T5M56 2005-V70-M56 1999-S70 VW T4 XC90-in-Red
Link to Maintenance record thread
A Captain in a Sea of Estrogen
1999-V70-T5M56 2005-V70-M56 1999-S70 VW T4 XC90-in-Red
Link to Maintenance record thread
-
- Similar Topics
- Replies
- Views
- Last post






