2001 V70 Electrical problems after repair, loose alternator screw Topic is solved
-
Daveliz99
- Posts: 59
- Joined: 2 August 2015
- Year and Model: V70 2001
- Location: Alabama
- Has thanked: 3 times
- Been thanked: 2 times
Re: Electrical problems after repair
Thank you abscate. I will search the P80 forum after work tonight, and look for it on the car tomorrow. I'm assuming you mean the fuse panel under the hood on the drivers side right? Of course on this car the battery is in the back, so that would be a long wire. Is it the same to just touch the wire to where the positive connects to the fuse box? And, suppose I touch it and the starter engages, or doesn't, what will that tell me?
-
Daveliz99
- Posts: 59
- Joined: 2 August 2015
- Year and Model: V70 2001
- Location: Alabama
- Has thanked: 3 times
- Been thanked: 2 times
I installed the battery from my truck last night and was able to crank it and drive it the rest of the way home. It was raining, so I didn't get to rest voltage etc yet. I will try that tonight or tomorrow
- abscate
- MVS Moderator
- Posts: 35267
- Joined: 17 February 2013
- Year and Model: 99: V70s S70s,05 V70
- Location: Port Jefferson Long Island NY
- Has thanked: 1497 times
- Been thanked: 3809 times
It will tell you if you have an ignition switch or wiriing problem to the starter - it also will tell you if you have a bad starter if you know your battery and cables are good.
Empty Nester
A Captain in a Sea of Estrogen
1999-V70-T5M56 2005-V70-M56 1999-S70 VW T4 XC90-in-Red
Link to Maintenance record thread
A Captain in a Sea of Estrogen
1999-V70-T5M56 2005-V70-M56 1999-S70 VW T4 XC90-in-Red
Link to Maintenance record thread
- abscate
- MVS Moderator
- Posts: 35267
- Joined: 17 February 2013
- Year and Model: 99: V70s S70s,05 V70
- Location: Port Jefferson Long Island NY
- Has thanked: 1497 times
- Been thanked: 3809 times
Ah, that's P2 style. I'll have to remind myself but where that puppy is
Empty Nester
A Captain in a Sea of Estrogen
1999-V70-T5M56 2005-V70-M56 1999-S70 VW T4 XC90-in-Red
Link to Maintenance record thread
A Captain in a Sea of Estrogen
1999-V70-T5M56 2005-V70-M56 1999-S70 VW T4 XC90-in-Red
Link to Maintenance record thread
- abscate
- MVS Moderator
- Posts: 35267
- Joined: 17 February 2013
- Year and Model: 99: V70s S70s,05 V70
- Location: Port Jefferson Long Island NY
- Has thanked: 1497 times
- Been thanked: 3809 times
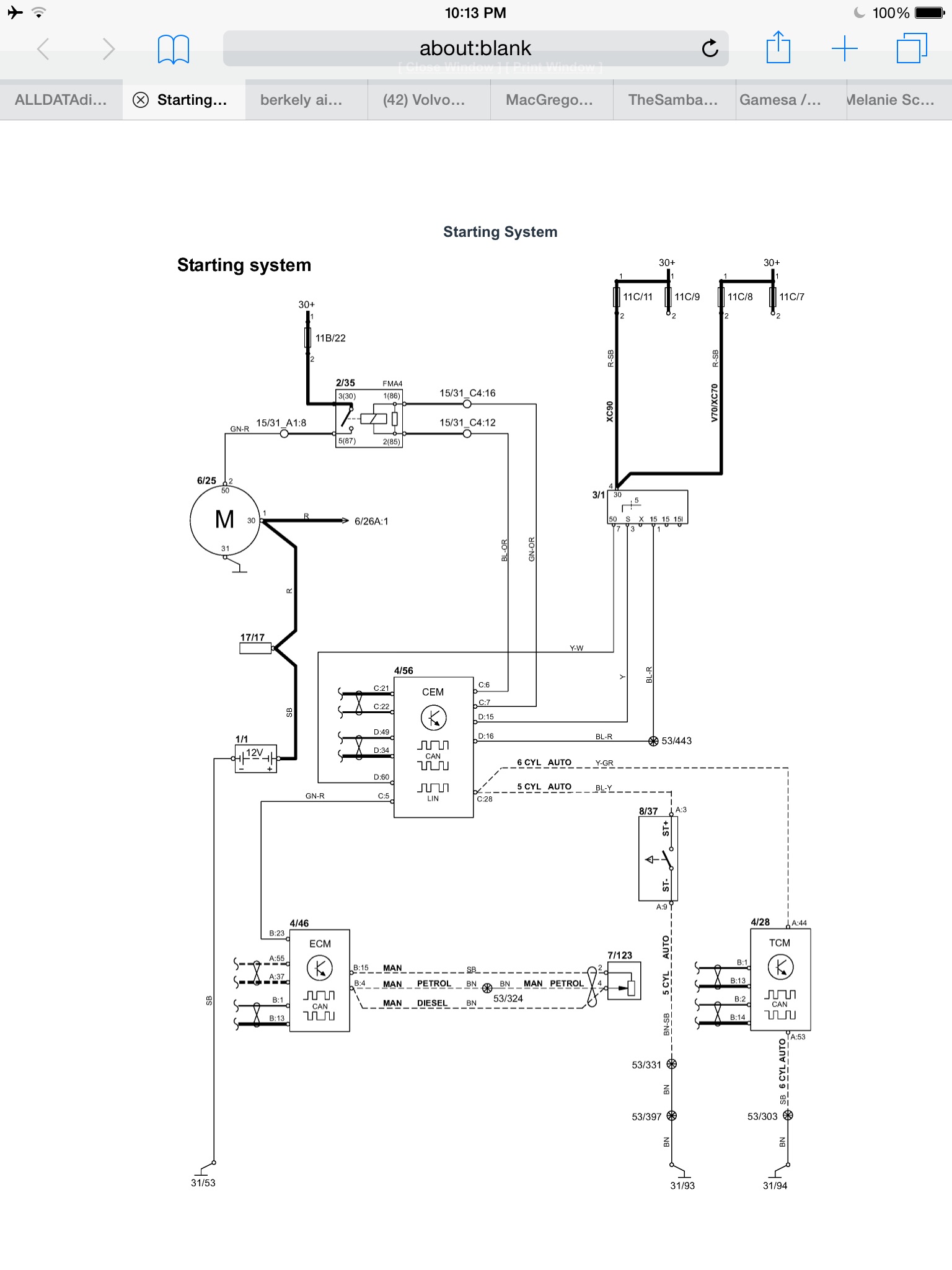
Well , no such luck on a P2
You have to pull relay 2/35...see diagram
And out 12 VDC on pin 5, terminal 87 per diagram
You have to pull relay 2/35...see diagram
And out 12 VDC on pin 5, terminal 87 per diagram
Empty Nester
A Captain in a Sea of Estrogen
1999-V70-T5M56 2005-V70-M56 1999-S70 VW T4 XC90-in-Red
Link to Maintenance record thread
A Captain in a Sea of Estrogen
1999-V70-T5M56 2005-V70-M56 1999-S70 VW T4 XC90-in-Red
Link to Maintenance record thread
-
Daveliz99
- Posts: 59
- Joined: 2 August 2015
- Year and Model: V70 2001
- Location: Alabama
- Has thanked: 3 times
- Been thanked: 2 times
Thanks again for the reply. And a big thank you for your homework. I really appreciate your time. I've been working and otherwise busy the last couple days and haven't been on the forum or messed with the car much.
I never use my volt meter so I couldn't find it of course. So I let the batteries charge over night and when the new battery from the Volvo and the known good battery both came up to a full charge, I put the Volvo battery back in and the truck battery also just in case and drove it to O'Reillys to have the alt tested. Right away the regulator failed. I guess that's what's wrong with it. It drove there with no problems and home also. I put the battery back on the charger and it was no longer fresh, but came back after a few hours, don't know when exactly. I'm using a 10 amp trickle job from Walmart. I've made several similar small trips around town over the last couple days and it has never missed a beat since I started keeping the battery charged. But the sunroof wont open for some reason, on a side note. It was working g fine after I completed the larger repair, and before I was aware of this.
Don't you agree that the next step should be to take the alt off and take it to a alt shop for a new regulator, or possible rebuild? Do you happen to know if the gadget that O'Reillys uses will continue to test the rest of the alt after it fails a test for the regulator?
It seems to me that this must be the issue. Though I don't know how it went bad suddenly. Since I have had no problems after making sure I had a fresh battery Everytime, it looks like the problem is indeed the alt not charging, and the starter test is probably unnecessary. Do you agree?
I do sincerely appreciate you digging that up though. I didn't know you could do that and have learned something new. Thank you.
I never use my volt meter so I couldn't find it of course. So I let the batteries charge over night and when the new battery from the Volvo and the known good battery both came up to a full charge, I put the Volvo battery back in and the truck battery also just in case and drove it to O'Reillys to have the alt tested. Right away the regulator failed. I guess that's what's wrong with it. It drove there with no problems and home also. I put the battery back on the charger and it was no longer fresh, but came back after a few hours, don't know when exactly. I'm using a 10 amp trickle job from Walmart. I've made several similar small trips around town over the last couple days and it has never missed a beat since I started keeping the battery charged. But the sunroof wont open for some reason, on a side note. It was working g fine after I completed the larger repair, and before I was aware of this.
Don't you agree that the next step should be to take the alt off and take it to a alt shop for a new regulator, or possible rebuild? Do you happen to know if the gadget that O'Reillys uses will continue to test the rest of the alt after it fails a test for the regulator?
It seems to me that this must be the issue. Though I don't know how it went bad suddenly. Since I have had no problems after making sure I had a fresh battery Everytime, it looks like the problem is indeed the alt not charging, and the starter test is probably unnecessary. Do you agree?
I do sincerely appreciate you digging that up though. I didn't know you could do that and have learned something new. Thank you.
-
Daveliz99
- Posts: 59
- Joined: 2 August 2015
- Year and Model: V70 2001
- Location: Alabama
- Has thanked: 3 times
- Been thanked: 2 times
I just wanted to update this thread with the final solution. The problem was indeed with the alternator.
On the back of the alternator where the battery wire hooks up, there are two posts. On mine they are labeled B1+ and B2+. On the B1+ post, you hook your battery wire. The other post is unused. However, it has a nut that screws down on it. The nut has to be there, and mine was missing. Without it, one terminal of the regulator doesn't get contact, and it won't charge. The message center will read "electrical system service required ".
All i had to do was replace the nut and everything was good and the message went away.
I hope this helps someone in the future
On the back of the alternator where the battery wire hooks up, there are two posts. On mine they are labeled B1+ and B2+. On the B1+ post, you hook your battery wire. The other post is unused. However, it has a nut that screws down on it. The nut has to be there, and mine was missing. Without it, one terminal of the regulator doesn't get contact, and it won't charge. The message center will read "electrical system service required ".
All i had to do was replace the nut and everything was good and the message went away.
I hope this helps someone in the future
- abscate
- MVS Moderator
- Posts: 35267
- Joined: 17 February 2013
- Year and Model: 99: V70s S70s,05 V70
- Location: Port Jefferson Long Island NY
- Has thanked: 1497 times
- Been thanked: 3809 times
Great news and thanks for the follow report! That makes the thread useful in future.
When we do homework for others, we learn too. I won't spend time looking for my non-existent P2 starter bypass next time I'm stuck!
When we do homework for others, we learn too. I won't spend time looking for my non-existent P2 starter bypass next time I'm stuck!
Empty Nester
A Captain in a Sea of Estrogen
1999-V70-T5M56 2005-V70-M56 1999-S70 VW T4 XC90-in-Red
Link to Maintenance record thread
A Captain in a Sea of Estrogen
1999-V70-T5M56 2005-V70-M56 1999-S70 VW T4 XC90-in-Red
Link to Maintenance record thread
-
- Similar Topics
- Replies
- Views
- Last post






