Login Register

Vida CEM swapping

A mid-size luxury crossover SUV, the Volvo XC90 made its debut in 2002 at the Detroit Motor Show. Recognized for its safety, practicality, and comfort, the XC90 is a popular vehicle around the world. The XC90 proved to be very popular, and very good for Volvo's sales numbers, since its introduction in model year 2003 (North America). P2 platform.
Post Reply
Quattrodag
Posts: 4
Joined: 27 March 2021
Year and Model: 2006, XC90
Location: Russia

Re: Vida CEM swapping

Post by Quattrodag »

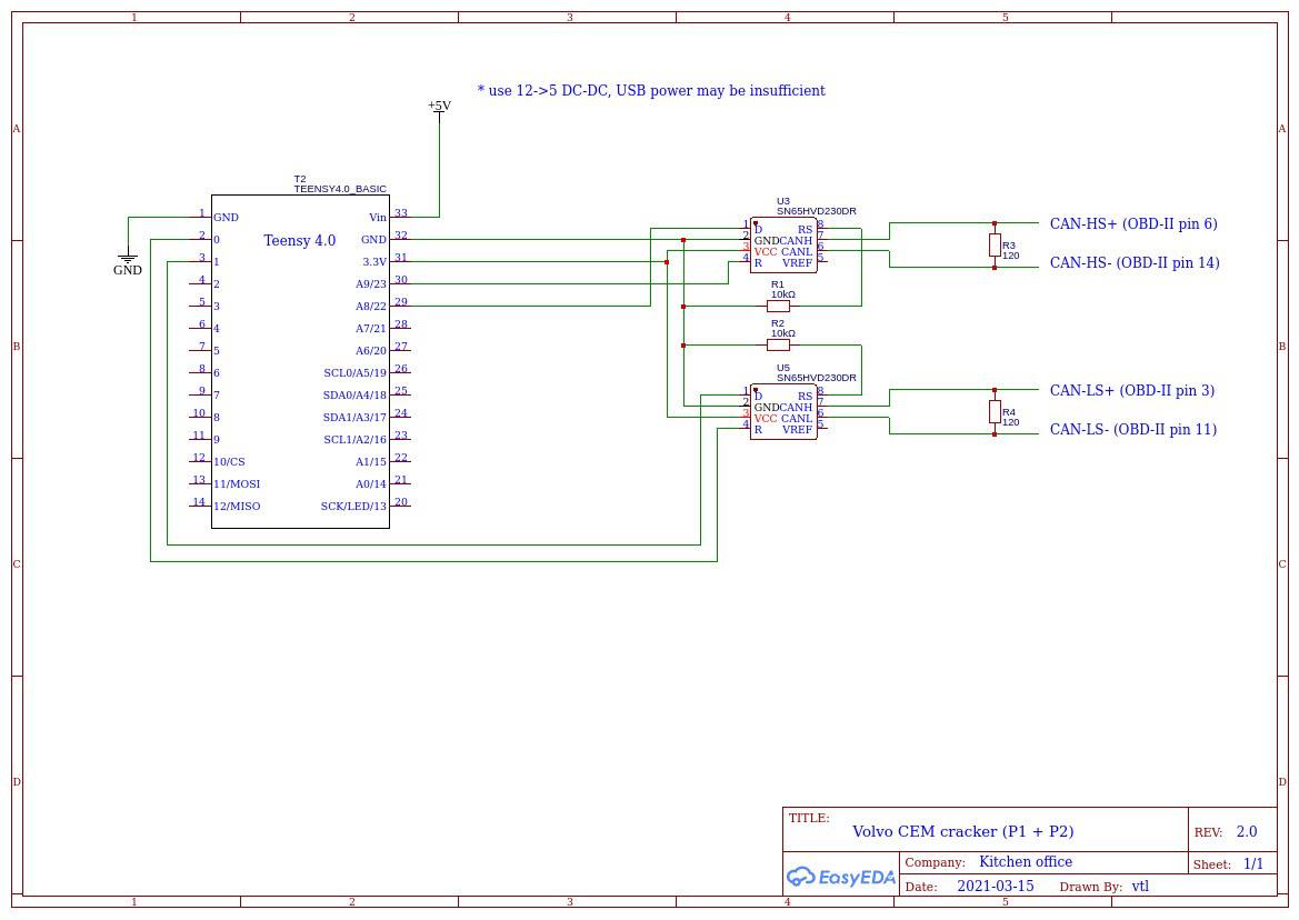
I collected the board but I can not read the pin code, tell me what is wrong, I collected it according to this scheme
Attachments
DF2C7F6B-5DE7-469E-959F-C3942382D8AF.png
66D881D4-043C-474E-B33D-563C7BFCAA62.jpeg
0C1CF3C9-C1F0-469A-AC1B-8AEB00B552F7.jpeg
0C1CF3C9-C1F0-469A-AC1B-8AEB00B552F7.jpeg (66.95 KiB) Viewed 759 times
CB40E1E5-5C79-4C37-85F4-99B1CE92EE42.png

T5Luke
Posts: 142
Joined: 11 November 2020
Year and Model: S60 T5 2001
Location: DE
Has thanked: 11 times
Been thanked: 130 times

Post by T5Luke »

Is pin 10 of teensy connected to CAN?

User avatar
RickHaleParker
Posts: 7129
Joined: 25 May 2015
Year and Model: See Signature below.
Location: Kansas
Has thanked: 8 times
Been thanked: 958 times

Post by RickHaleParker »

Quattrodag wrote: 16 Apr 2021, 03:30 I collected the board but I can not read the pin code, tell me what is wrong, I collected it according to this scheme
That schematic is missing a jumper from Pin #4 to Pin #30 per the schematic, Pins 2 & 23 per the markings on the Teensy board.
The string of all zeros in the output indicates the jumper is what you are missing. It is the Latency detector, the beating heart of the whole cracking system.

Impedance mismatch from CAN transceivers to OBD connector. Get some twisted pair CAN Bus out of a junk car. The size and twist rate is part of the circuit balance.

I do not see the any 120Ω terminating resistors on the CAN transceivers. Unless they are installed backwards.

What is that in the corner of the picture where I placed an arrow?
QuattrodagPCB.jpeg
QuattrodagPCB.jpeg (163.92 KiB) Viewed 756 times
Quattrodag.png
Last edited by RickHaleParker on 16 Apr 2021, 04:56, edited 5 times in total.
⸙⸙⸙⸙⸙⸙⸙⸙⸙⸙⸙⸙⸙⸙⸙⸙⸙⸙⸙⸙⸙⸙⸙⸙⸙⸙⸙⸙⸙⸙⸙⸙⸙⸙⸙⸙⸙⸙⸙⸙⸙⸙⸙⸙⸙⸙⸙⸙⸙⸙⸙⸙⸙⸙⸙⸙⸙⸙⸙⸙⸙⸙⸙⸙⸙⸙⸙⸙⸙⸙⸙⸙⸙
1998 C70, B5234T3, 16T, AW50-42, Bosch Motronic 4.4, Special Edition package.
2003 S40, B4204T3, 14T twin scroll AW55-50/51SN, Siemens EMS 2000.
2004 S60R, B8444S TF80 AWD. Yamaha V8 conversion
2005 XC90 T6 Executive, B6294T, 4T65 AWD, Bosch Motronic 7.0.

T5Luke
Posts: 142
Joined: 11 November 2020
Year and Model: S60 T5 2001
Location: DE
Has thanked: 11 times
Been thanked: 130 times

Post by T5Luke »

When you try it on bench you should need 2 120 Ohm CAN resistors per line.
When you try in car you should need no resistor.

This resistors are to terminate. They kill the signal on the line. If you have less resistance the message stays longer on the line. If you have much resistance the message gets very fast "converted to heat" and is not long measureable on line. The specification writes about 2 ends with 120 Ohm, so when you measure can by multimeter you should measure 60 Ohm in total. Also verified with VTL useing just one 120 Ohm resistor has some effect on timing. If you have wrong resistor setup, this can cause background noise you won't need.

vtl
Posts: 4726
Joined: 16 August 2012
Year and Model: 2005 XC70
Location: Boston
Has thanked: 114 times
Been thanked: 606 times

Post by vtl »

RickHaleParker wrote: 16 Apr 2021, 04:13 That schematic is missing a jumper from Pin #4 to Pin #30 per the schematic
This was fixed long ago. People get the source code once and never update it :(

bosse
Posts: 19
Joined: 15 January 2021
Year and Model: V50 -11
Location: Limmared
Has thanked: 8 times
Been thanked: 1 time

Post by bosse »

Ground is missing.

User avatar
RickHaleParker
Posts: 7129
Joined: 25 May 2015
Year and Model: See Signature below.
Location: Kansas
Has thanked: 8 times
Been thanked: 958 times

Post by RickHaleParker »

vtl wrote: 16 Apr 2021, 05:19 This was fixed long ago. People get the source code once and never update it :(
I'm still trying to figure out how to use Github. It is slow going because the documentation is a joke.
⸙⸙⸙⸙⸙⸙⸙⸙⸙⸙⸙⸙⸙⸙⸙⸙⸙⸙⸙⸙⸙⸙⸙⸙⸙⸙⸙⸙⸙⸙⸙⸙⸙⸙⸙⸙⸙⸙⸙⸙⸙⸙⸙⸙⸙⸙⸙⸙⸙⸙⸙⸙⸙⸙⸙⸙⸙⸙⸙⸙⸙⸙⸙⸙⸙⸙⸙⸙⸙⸙⸙⸙⸙
1998 C70, B5234T3, 16T, AW50-42, Bosch Motronic 4.4, Special Edition package.
2003 S40, B4204T3, 14T twin scroll AW55-50/51SN, Siemens EMS 2000.
2004 S60R, B8444S TF80 AWD. Yamaha V8 conversion
2005 XC90 T6 Executive, B6294T, 4T65 AWD, Bosch Motronic 7.0.

vtl
Posts: 4726
Joined: 16 August 2012
Year and Model: 2005 XC70
Location: Boston
Has thanked: 114 times
Been thanked: 606 times

Post by vtl »

RickHaleParker wrote: 16 Apr 2021, 09:57 I'm still trying to figure out how to use Github. It is slow going because the documentation is a joke.
https://git-scm.com/book/en/v2

User avatar
RickHaleParker
Posts: 7129
Joined: 25 May 2015
Year and Model: See Signature below.
Location: Kansas
Has thanked: 8 times
Been thanked: 958 times

Post by RickHaleParker »

vtl wrote: 16 Apr 2021, 11:04 https://git-scm.com/book/en/v2
I'll add the 522 pages on Git to the 262 pages on Arduino C.
⸙⸙⸙⸙⸙⸙⸙⸙⸙⸙⸙⸙⸙⸙⸙⸙⸙⸙⸙⸙⸙⸙⸙⸙⸙⸙⸙⸙⸙⸙⸙⸙⸙⸙⸙⸙⸙⸙⸙⸙⸙⸙⸙⸙⸙⸙⸙⸙⸙⸙⸙⸙⸙⸙⸙⸙⸙⸙⸙⸙⸙⸙⸙⸙⸙⸙⸙⸙⸙⸙⸙⸙⸙
1998 C70, B5234T3, 16T, AW50-42, Bosch Motronic 4.4, Special Edition package.
2003 S40, B4204T3, 14T twin scroll AW55-50/51SN, Siemens EMS 2000.
2004 S60R, B8444S TF80 AWD. Yamaha V8 conversion
2005 XC90 T6 Executive, B6294T, 4T65 AWD, Bosch Motronic 7.0.

vtl
Posts: 4726
Joined: 16 August 2012
Year and Model: 2005 XC70
Location: Boston
Has thanked: 114 times
Been thanked: 606 times

Post by vtl »

RickHaleParker wrote: 16 Apr 2021, 11:13
vtl wrote: 16 Apr 2021, 11:04 https://git-scm.com/book/en/v2
I'll add the 522 pages on Git to the 262 pages on Arduino C.
Ha-ha :) Git basic workflow is very simple. clone, checkout, pull, log, diff and that's about it for the occasional observer.

Post Reply
  • Similar Topics
    Replies
    Views
    Last post