hooking up a trailer, testing with a meter, if someone has it documented it would help.
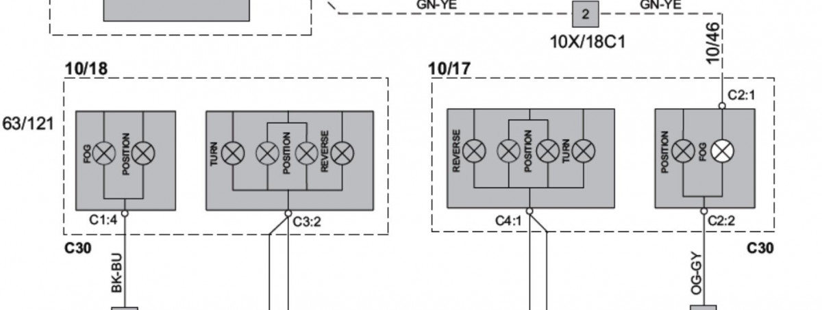
I have schematics from vida, but not very clear colors or pins.
Anyone know the pin assignments on a 2011 c30?
-
- Similar Topics
- Replies
- Views
- Last post






