Car is 2010 XC60 D5 (2.4L diesel) Auto with 200,000km. Up to date with services / maintenance. The following is a summary of many hours of investigation and excludes all the dead-ends.
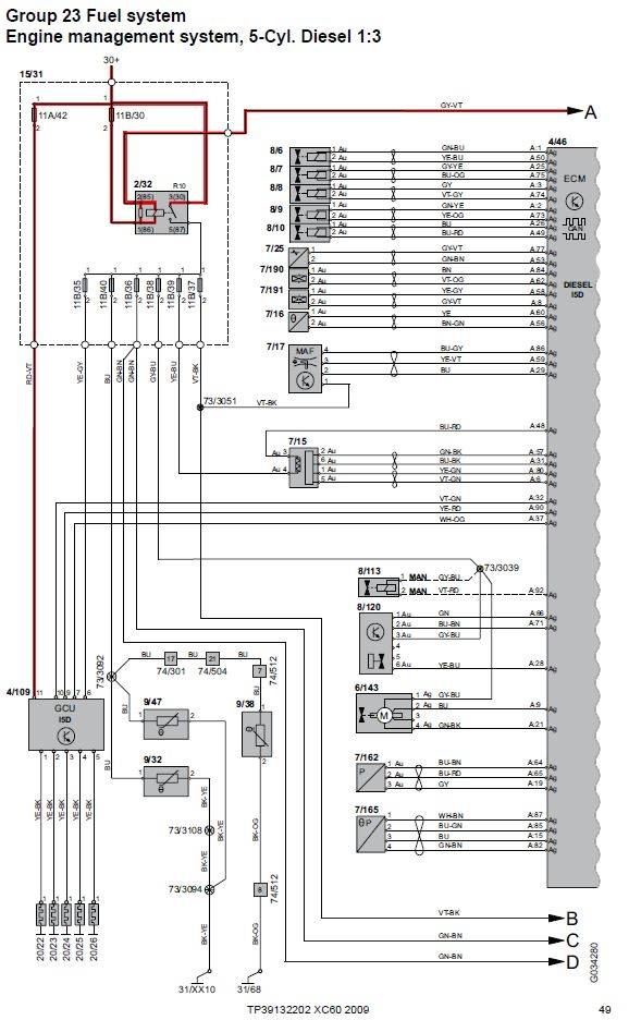
Car won't crank. Using VIDA and cable. Long list of error codes with a common theme of other modules reporting no ECM comms. No ECM codes at all. While car is off and ~10 mins after door is shut, current draw on battery is ~4 amps. Yes, very high. Traced this current draw to the circuit on Fuse 30 - that has the ECM, a few PTC resistors. Pulling the relay R10 stops the high current draw. So I figure earth fault is ECMs or PTCs. Checked current across Fuse-holders for Fuses 35,40,36,38,39,37 - these are PTC resistors and relay-switched power to the ECM. Negligible current across each. Leaves only the direct connection to the ECM as likely path for high current (marked with the large A in the to right of pic, goes into the ECM on the following page). Pulled ECM and discovered that the metal case is at 7V potential (!!). A long way from being GND (0 V). Disconnected ECM B-connector. Current draw on battery becomes very low. ECM case goes to 0V. Checked ground wires in the B-connector (while disconnected) - they are all at 0V, not somehow being fed 7V. So, it seems like the non-relay-switched power to the ECM is somehow leaking to the case. ECM ends up with potential difference of only 5V (12V - 7V) so it won't come to life, hence no comms, hence no crank.
Then... the temporary fix... I grounded the case with a wire to chassis to pull the case down to 0V. Car now starts and runs fine. Woah! Very repeatable - disconnect the new ground wire and the engine dies instantly. Homemade kill switch. Reconnect the new ground wire and car starts / runs fine. Current draw on battery drops to ~0.5 amps when new ground wire is in place. Still high but much better. But... still need to sort out a permanent fix.
So, I'm wondering:
- do folks agree it's probably a bad ECM? (ECM faults are rare in my experience and electrical faults can be hard to pin down, so I'm never sure)
- is this type of ECM fault common with a simple / known fix? The ECM metal case seemed to be sealed with some sort of glue so not easy to get into. But could be done for a simple fix
- or... if I get a replacement ECM from the wreckers this will create security / immobiliser problems. Can VIDA register the replacement ECM? Or is it dealer-only job? Or does opening the box and swapping EEPROMs do the job?
Any help / thoughts / advice greatly appreciated!
Bad ECM?
-
- Similar Topics
- Replies
- Views
- Last post






