Login Register

Dolby Pro-Logic; only central loudspeaker working Topic is solved

Help, Advice and DIY Tutorials on Volvo's P80 platform cars -- Volvo's 1990s "bread and butter" cars -- powered by the ubiquitous and durable Volvo inline 5-cylinder engine.

1992 - 1997 850, including 850 R, 850 T-5R, 850 T-5, 850 GLT
1997 - 2000 S70, S70 AWD
1997 - 2000 V70, V70 AWD
1997 - 2000 V70-XC
1997 - 2004 C70

Post Reply
User avatar
Radler
Posts: 32
Joined: 19 April 2024
Year and Model: V70 1999
Location: Germany
Has thanked: 26 times
Been thanked: 4 times

Re: Dolby Pro-Logic; only central loudspeaker working

Post by Radler »

After checking for continuity on the cable loom and testing with a spare loudspeaker, I determined that the processor was to blame. Sadly I could not find a second hand processor for this system, so I decided to keep it simple and install a basic radio. Today I installed it on the car and finally I have sound in all loudspeakers; that is, except for the one on the dash, although I may bridge it to the original loom. I'll keep an eye in case a processor appears at a fair price, but it's not something that'll keep me from sleeping.

Thank you all for your help!

In case anyone was wondering, this is what the Dolby processor looks like inside:

Image

User avatar
abscate
MVS Moderator
Posts: 35267
Joined: 17 February 2013
Year and Model: 99: V70s S70s,05 V70
Location: Port Jefferson Long Island NY
Has thanked: 1497 times
Been thanked: 3809 times

Post by abscate »

Wow! The 1970s called and wants their circuit board back!

😀😀😀
Empty Nester
A Captain in a Sea of Estrogen
1999-V70-T5M56 2005-V70-M56 1999-S70 VW T4 XC90-in-Red
Link to Maintenance record thread

User avatar
Radler
Posts: 32
Joined: 19 April 2024
Year and Model: V70 1999
Location: Germany
Has thanked: 26 times
Been thanked: 4 times

Post by Radler »

There are two boards; upon visual inspection I did not see any cracked solderings or burnt components, other than a weirdly-soldered ground terminal. Electronics are really not my thing so I can't say much more, I guess it could be repaired by replacing a couple of capacitors.

scot850
Posts: 14864
Joined: 5 April 2010
Year and Model: 2000 V70 R
Location: Calgary, Alberta, Canada
Has thanked: 1834 times
Been thanked: 1709 times

Post by scot850 »

Unfortunately I don't have a spare. I'll check with my friend who pulled one from a V70R. He has a 850, so no center dash speaker, but although you can still use it it may not be worth it. Shipping will be the kicker, but if it comes available I'll let you know.

Neil.
2006 V70 2.5T AWD Polestar tune
2000 V70 R - still being an endless PITA
2006 XC70 - Our son now has this and still parked in our garage
2003 Toyota 4Runner V8 Limited
2015 Kia Sportage EX-L - Sold
1993 850 GLT -Sold
1998 V70 XC - Sold
1997 Volvo 850 SE NA - Went to niece in California - Sold
2000 V70 SE NA - Sold

Nikolaech
Posts: 42
Joined: 9 June 2022
Year and Model: Volvo 850 93
Location: Almaty
Has thanked: 15 times
Been thanked: 16 times

Post by Nikolaech »

Radler wrote: 08 Apr 2025, 05:52 After checking for continuity on the cable loom and testing with a spare loudspeaker, I determined that the processor was to blame. Sadly I could not find a second hand processor for this system, so I decided to keep it simple and install a basic radio. Today I installed it on the car and finally I have sound in all loudspeakers; that is, except for the one on the dash, although I may bridge it to the original loom.

Thank you all for your help!
Radio + amplifier work without processor.
Disconnect processor from radio and check.

User avatar
Radler
Posts: 32
Joined: 19 April 2024
Year and Model: V70 1999
Location: Germany
Has thanked: 26 times
Been thanked: 4 times

Post by Radler »

Nikolaech wrote: 08 Apr 2025, 08:48Radio + amplifier work without processor.
Disconnect processor from radio and check.
Yesterday I tried my 2 Dolby head units (SC-900 & SC-901) with both amps and I can confirm that the system does not work without the processor, at least not in my case. In fact, not even the central loudspeaker: without the processor I can not even change the "mode" (normal, 3CH & Pro) in the head unit.

Nikolaech
Posts: 42
Joined: 9 June 2022
Year and Model: Volvo 850 93
Location: Almaty
Has thanked: 15 times
Been thanked: 16 times

Post by Nikolaech »

You have +12V power - OK
Speakers - OK
Processor-OK
Connection - sound blocking? (Tel. Mute)
if connected, disconnect and insulate this wire.

Standard connection from the manufacturer.
The color of the wires may vary.
Check.
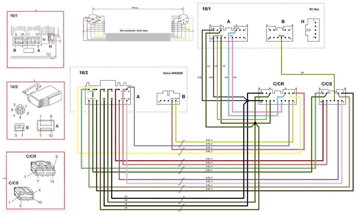
Сonnection_Volvo SC9xx.JPG
Сonnection_Volvo SC9xx.JPG (35.11 KiB) Viewed 105 times
cable.JPG

Post Reply
  • Similar Topics
    Replies
    Views
    Last post