I can’t but I can tell you what they are.
Lost signal communication from tcm
Low signal antenna ring/light
Check fuses
Checking alternator
Modules not responding
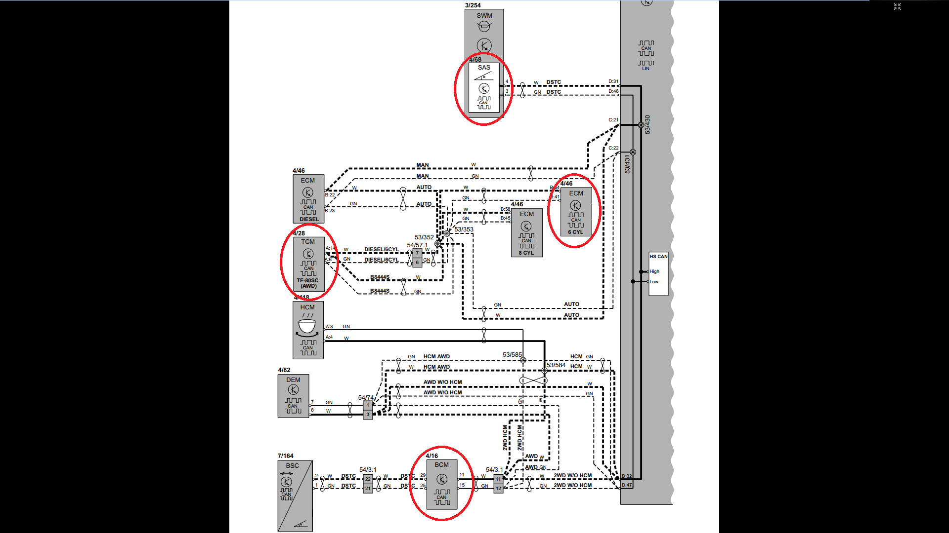
Ecm
Tcm
Bcm
Sas
Hope this helps. Vida also shows disconnected with no battery voltage or key pos. My vida dice works fine for my 2000 c70
08 xc90 lost canbus? Topic is solved
- 2000c70hpt
- Posts: 87
- Joined: 27 March 2020
- Year and Model: 2000 C70
- Location: Florida
- Has thanked: 1 time
- Been thanked: 8 times
- yagger
- Posts: 373
- Joined: 24 March 2016
- Year and Model: V60 2016
- Location: DreamLand
- Has thanked: 6 times
- Been thanked: 39 times
Why? If you can see errors that means you can do screenshot. Just use button Print Screen and Ctrl+C in the "Paint" application. After this you can edit (if need) and save it to file.
Volvo electronic expert
Online Data Transferring Service for Volvo modules
Online Data Transferring Service for Volvo modules
- yagger
- Posts: 373
- Joined: 24 March 2016
- Year and Model: V60 2016
- Location: DreamLand
- Has thanked: 6 times
- Been thanked: 39 times
It is very easy. Like example you can see, all your modules communicate to each other trough CEM...
But, if you confirmed CEM does not has some damages, looks like there is some issue with other module or wires.
But, if you confirmed CEM does not has some damages, looks like there is some issue with other module or wires.
Volvo electronic expert
Online Data Transferring Service for Volvo modules
Online Data Transferring Service for Volvo modules
- 2000c70hpt
- Posts: 87
- Joined: 27 March 2020
- Year and Model: 2000 C70
- Location: Florida
- Has thanked: 1 time
- Been thanked: 8 times
I put an oscilloscope on it today but I couldn’t see any hiccups or jumps in the can circuit. I’m about to just drive it till it dies or sell it before it becomes any more of a headache. Feeling very defeated right now.
2000 C70 hpt with 140k
2008 xc90 t6 non turbo with 170k
2008 xc90 t6 non turbo with 170k
- 2000c70hpt
- Posts: 87
- Joined: 27 March 2020
- Year and Model: 2000 C70
- Location: Florida
- Has thanked: 1 time
- Been thanked: 8 times
- yagger
- Posts: 373
- Joined: 24 March 2016
- Year and Model: V60 2016
- Location: DreamLand
- Has thanked: 6 times
- Been thanked: 39 times
Can you show screen with activated Network tab?
- Attachments
-
- VidsNetworkTab.png (276.02 KiB) Viewed 905 times
Volvo electronic expert
Online Data Transferring Service for Volvo modules
Online Data Transferring Service for Volvo modules
- 2000c70hpt
- Posts: 87
- Joined: 27 March 2020
- Year and Model: 2000 C70
- Location: Florida
- Has thanked: 1 time
- Been thanked: 8 times
Here ya go
2000 C70 hpt with 140k
2008 xc90 t6 non turbo with 170k
2008 xc90 t6 non turbo with 170k
- 2000c70hpt
- Posts: 87
- Joined: 27 March 2020
- Year and Model: 2000 C70
- Location: Florida
- Has thanked: 1 time
- Been thanked: 8 times
It happens in either situation.
2000 C70 hpt with 140k
2008 xc90 t6 non turbo with 170k
2008 xc90 t6 non turbo with 170k
-
- Similar Topics
- Replies
- Views
- Last post






