Spoke to Cory from Reamman today (well at our midnight anyhow) and he's a most helpful guy.
He says that the symptoms I'm having with the trans are more indicative of a C1 clutch fusion problem. The C1 clutch is meant to disengage in all but Drive and that's why it loads down when in all other gears. I'm having him quote me on a clutch pack and valve body kit.
My 1st P2 (XC70) Project impossible? Topic is solved
-
precopster
- Posts: 7543
- Joined: 21 August 2010
- Year and Model: Lots
- Location: Melbourne Australia
- Has thanked: 8 times
- Been thanked: 128 times
-
vtl
- Posts: 4724
- Joined: 16 August 2012
- Year and Model: 2005 XC70
- Location: Boston
- Has thanked: 114 times
- Been thanked: 605 times
Engine is idling at 650 revs on my XC70'05 (B5254T2) and at 850 on V70'02 (B5244S).
Where did you get Sacer sensor? My V70 has this Magneti-Marelli shame with worn film sensors, it might be a good idea to have a replacement before it fails completely.
Good luck with your car, P2 is awesome!
Where did you get Sacer sensor? My V70 has this Magneti-Marelli shame with worn film sensors, it might be a good idea to have a replacement before it fails completely.
Good luck with your car, P2 is awesome!
-
precopster
- Posts: 7543
- Joined: 21 August 2010
- Year and Model: Lots
- Location: Melbourne Australia
- Has thanked: 8 times
- Been thanked: 128 times
Found an '08 build ETM on eBay and swapped it in today. Under $200 landed!!
This is the first time the car has truly behaved!! No ETM codes at all
Also because it has later programming it doesn't have the brake pedal safety circuit which annoyed the heck out of me.
Also swapped in a new spring seat for the passenger side last weekend.
I have a PDM (passenger door module) code because I removed the fuse to the passenger door. I have ordered a climate panel from the USA and it should be here in a couple of weeks. Fingers crossed all the weird stuff like ABS pump and door mirror courtesy light staying on should go with the new panel.
Because the climate panel is dead I suspect this affects the ABS pump circuit as the panel is used as a passthrough for options. These P2s sure have some strange wiring. Without the climate panel plugged in I have no turn indicators!!
Also replaced the charge air hose (rubber hose) feeding the intercooler today as the old one was about to melt with oil deposits.
This is the first time the car has truly behaved!! No ETM codes at all
Also swapped in a new spring seat for the passenger side last weekend.
I have a PDM (passenger door module) code because I removed the fuse to the passenger door. I have ordered a climate panel from the USA and it should be here in a couple of weeks. Fingers crossed all the weird stuff like ABS pump and door mirror courtesy light staying on should go with the new panel.
Because the climate panel is dead I suspect this affects the ABS pump circuit as the panel is used as a passthrough for options. These P2s sure have some strange wiring. Without the climate panel plugged in I have no turn indicators!!
Also replaced the charge air hose (rubber hose) feeding the intercooler today as the old one was about to melt with oil deposits.
- Attachments
-
- DTCs 2.JPG (20.28 KiB) Viewed 2143 times
Current cars VW Transporter 2.5TDI, 2010 XC90 D5 R Design
-
precopster
- Posts: 7543
- Joined: 21 August 2010
- Year and Model: Lots
- Location: Melbourne Australia
- Has thanked: 8 times
- Been thanked: 128 times
Replaced the CC panel a couple of weeks ago and truly thought I was getting nowhere as the new one (used from a parts dealer) was also dead.....perhaps I had low battery voltage when I fitted it????
So today opened the hood and heard the CC fan turn on (key was not in the ignition)
This is not unusual for P2s to turn on the dehumidifier except that this car had no CC operation even with a used panel I had brought in from the USA..... until now.
It seems that the CC panel only comes live after the engine starts and only after 10 secs or more. Once the ignition key is pulled the CC panel stays on until about 2 minutes of having the key pulled.
I re-plugged in the old CC unit and it was definitely dead again. This new one works well after swapping out the options keypad and front bezel for Celsius.
Only 2 small problems; the rear demist button doesn't work and the rear child door lock button doesn't operate the child locks.
I got into some activations with Vida but nothing there to program a used CC module to the car.
I also require a PDM (passenger door module) as it leaves the door mirror turned on unless I pull the PDM fuse.
Do I need programming after a CC panel swap?
So today opened the hood and heard the CC fan turn on (key was not in the ignition)
This is not unusual for P2s to turn on the dehumidifier except that this car had no CC operation even with a used panel I had brought in from the USA..... until now.
It seems that the CC panel only comes live after the engine starts and only after 10 secs or more. Once the ignition key is pulled the CC panel stays on until about 2 minutes of having the key pulled.
I re-plugged in the old CC unit and it was definitely dead again. This new one works well after swapping out the options keypad and front bezel for Celsius.
Only 2 small problems; the rear demist button doesn't work and the rear child door lock button doesn't operate the child locks.
I got into some activations with Vida but nothing there to program a used CC module to the car.
I also require a PDM (passenger door module) as it leaves the door mirror turned on unless I pull the PDM fuse.
Do I need programming after a CC panel swap?
Current cars VW Transporter 2.5TDI, 2010 XC90 D5 R Design
-
precopster
- Posts: 7543
- Joined: 21 August 2010
- Year and Model: Lots
- Location: Melbourne Australia
- Has thanked: 8 times
- Been thanked: 128 times
Removed the PDM (passenger door module) today which is actually the window switch and lock switch also. One of these is around $335 online but managed to land one from the UK for under $30 inc postage.
Reason for the removal is the constant clicking noise the relay made and the door mirror light remained on flattening the battery.
Reason for the removal is the constant clicking noise the relay made and the door mirror light remained on flattening the battery.
- Attachments
-
- uploadfromtaptalk1364805139380.jpg (98.28 KiB) Viewed 1882 times
Current cars VW Transporter 2.5TDI, 2010 XC90 D5 R Design
Wow, a lot of gremlins in that car!!!
Sounds like you are getting them fixed tho, one at a time.
Keep up the good work!
Sounds like you are getting them fixed tho, one at a time.
Keep up the good work!
2003 v70 2.5tawd black/black 120miles
2007 nissan altima 2.5 cvt 107miles
2001 xc70 211 miles " collision"/ parts car
1994 850 turbo 315miles 5 speed "stoped fixing it"
2007 nissan altima 2.5 cvt 107miles
2001 xc70 211 miles " collision"/ parts car
1994 850 turbo 315miles 5 speed "stoped fixing it"
-
precopster
- Posts: 7543
- Joined: 21 August 2010
- Year and Model: Lots
- Location: Melbourne Australia
- Has thanked: 8 times
- Been thanked: 128 times
Some progress as a passenger door module and another climate control unit arrived this week from the UK.
The PDM works great actuating all the locks via its switch and operating the power window. Also the door mirror light is now off meaning I can finally put the fuse back in without fear of a flat battery.
The climate control module also works and with this particular unit doesn't wait until the engine is running to power up. I still need to swap the rear child locks switch as this one has STC in the same position (the car hasn't got DSTC fitted)
Sadly the rear demister light still doesn't illuminate. I'll need to determine if this is a CCM panel or relay/fuse problem (or a BCM issue) If anyone has seen a fault finding procedure for this it would come in very handy
The PDM works great actuating all the locks via its switch and operating the power window. Also the door mirror light is now off meaning I can finally put the fuse back in without fear of a flat battery.
The climate control module also works and with this particular unit doesn't wait until the engine is running to power up. I still need to swap the rear child locks switch as this one has STC in the same position (the car hasn't got DSTC fitted)
Sadly the rear demister light still doesn't illuminate. I'll need to determine if this is a CCM panel or relay/fuse problem (or a BCM issue) If anyone has seen a fault finding procedure for this it would come in very handy
Current cars VW Transporter 2.5TDI, 2010 XC90 D5 R Design
-
DGM
- Posts: 459
- Joined: 23 December 2010
- Year and Model: V70 2.4i 2005
- Location: Quebec, Canada
- Been thanked: 3 times
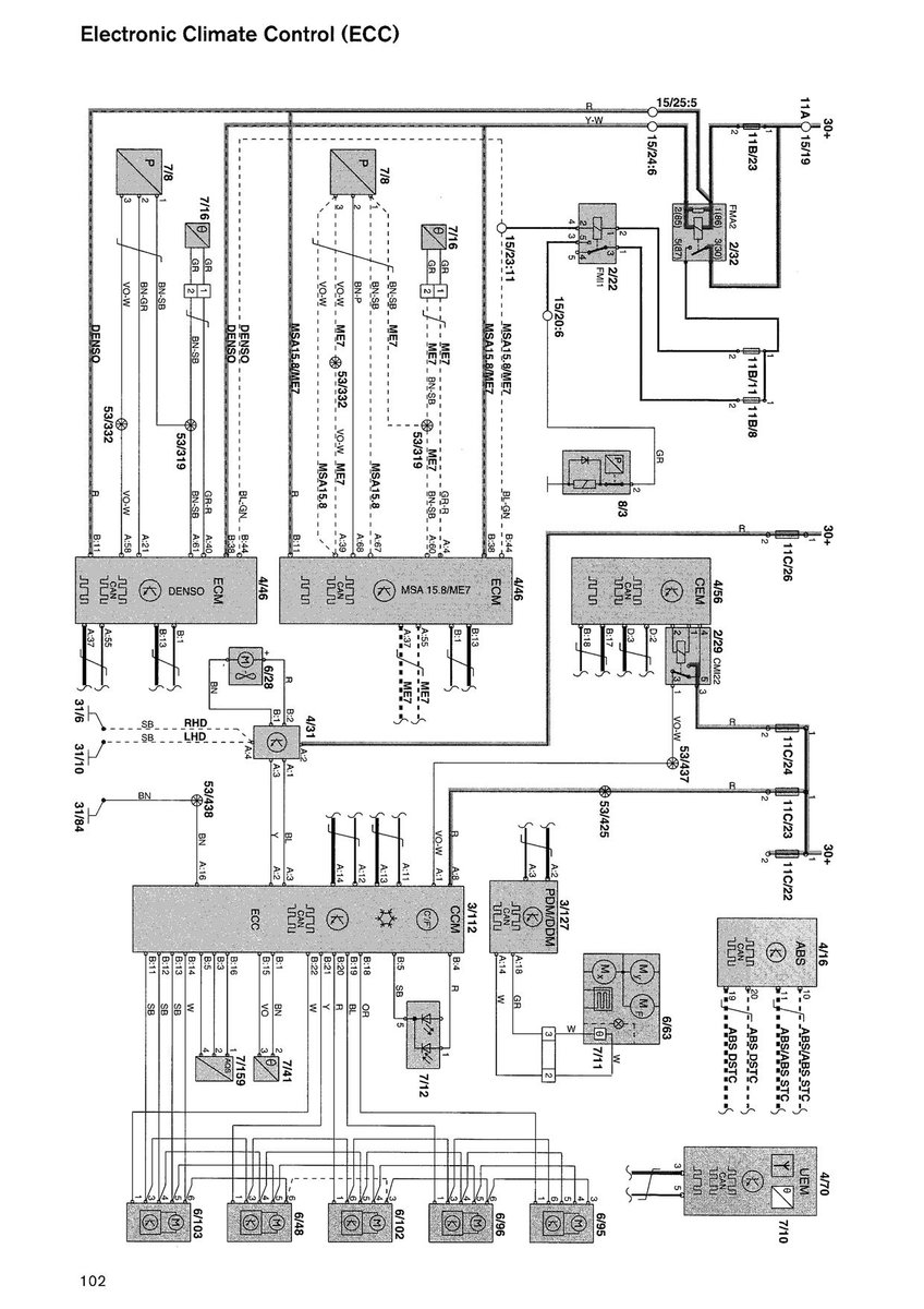
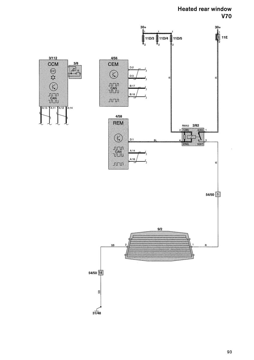
May be you already know. The wiring diagram shows only two fuses and one relay. If the top cover is removed the relay can be operated manually for testing purpose. You can substitute with one of the same kind also. The REM is told to operate the relay by the CCM through instructions given on the can bus as far as I can understand.precopster wrote: Sadly the rear demister light still doesn't illuminate. I'll need to determine if this is a CCM panel or relay/fuse problem (or a BCM issue) If anyone has seen a fault finding procedure for this it would come in very handy
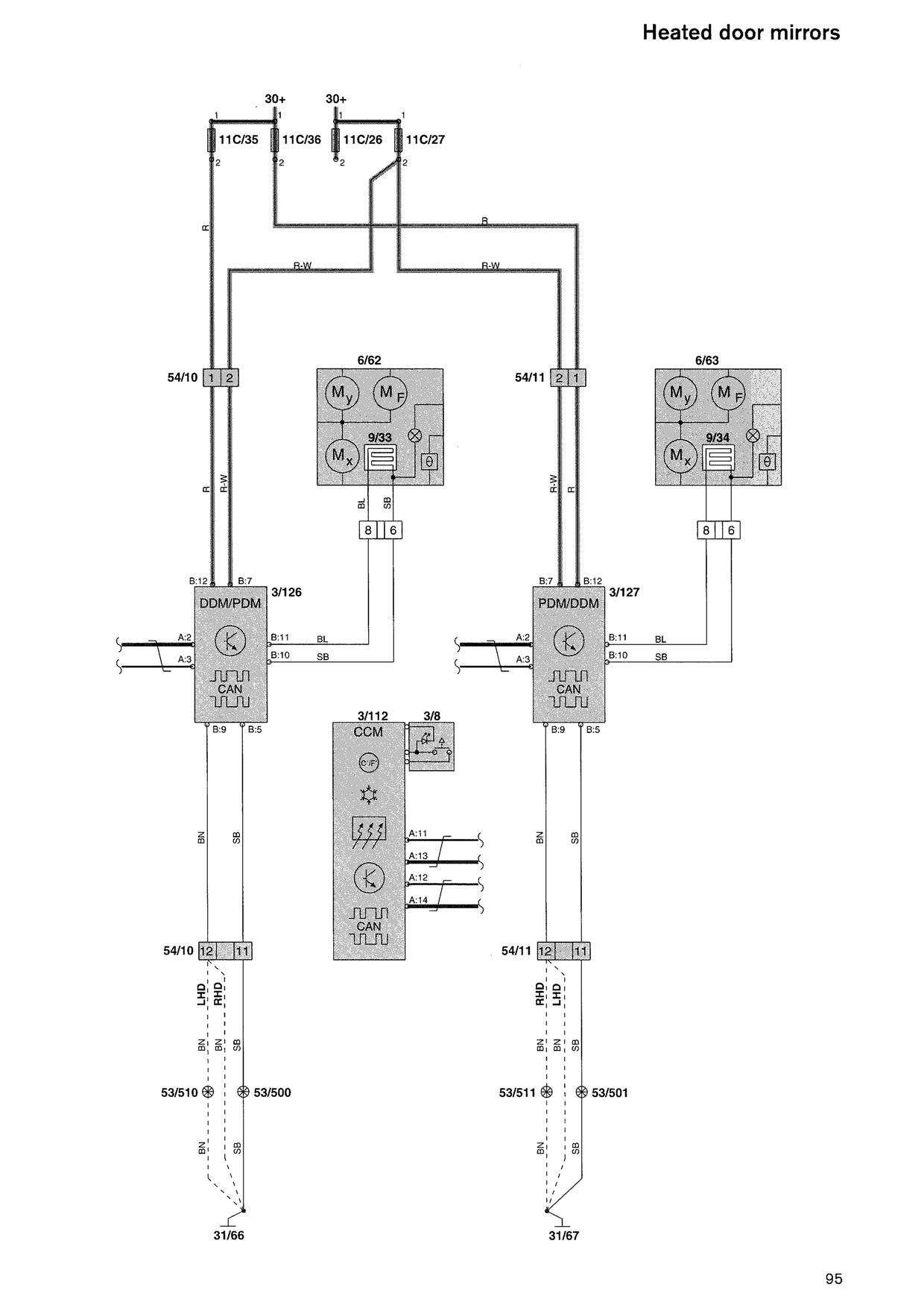
The switch 3/8 operates also the heating elements of the door mirrors.
Keep smiling, you are a model of patience
V70 2005 2.4i 195,000km, sold
S70 1998 T5 355,000km, sold
960 1994 80,000km, sold
760 1990 Turbo 265,000km, sold
S70 1998 T5 355,000km, sold
960 1994 80,000km, sold
760 1990 Turbo 265,000km, sold
-
precopster
- Posts: 7543
- Joined: 21 August 2010
- Year and Model: Lots
- Location: Melbourne Australia
- Has thanked: 8 times
- Been thanked: 128 times
Thanks for the circuit.
The really annoying thing is that I have the rear compartment fuse cover off and when I operate the demister switch I don't hear the relay clicking, however if I go in through Vida and turn on the rear demister through activations I can hear it clicking loud and clear.
This suggests the 2nd panel is also faulty (is this common??) or there is a wiring problem from the switch (in this case the CCM panel is the passthrough) to the REM. At the moment I suspect the second panel.
I'll use the diagram to have a play with it. Would I be looking for data signal of 5 volts for the outputs?
The really annoying thing is that I have the rear compartment fuse cover off and when I operate the demister switch I don't hear the relay clicking, however if I go in through Vida and turn on the rear demister through activations I can hear it clicking loud and clear.
This suggests the 2nd panel is also faulty (is this common??) or there is a wiring problem from the switch (in this case the CCM panel is the passthrough) to the REM. At the moment I suspect the second panel.
I'll use the diagram to have a play with it. Would I be looking for data signal of 5 volts for the outputs?
Current cars VW Transporter 2.5TDI, 2010 XC90 D5 R Design
-
DGM
- Posts: 459
- Joined: 23 December 2010
- Year and Model: V70 2.4i 2005
- Location: Quebec, Canada
- Been thanked: 3 times
As per the wiring diagram, the led light on the switch (3/8) should turn on when activated. If not, it would indicate that something is wrong with the switch or the CCM. Check fuses 11C24 and 11C23 and also operation of relay 2/29. I see two power feeds to the CCM.
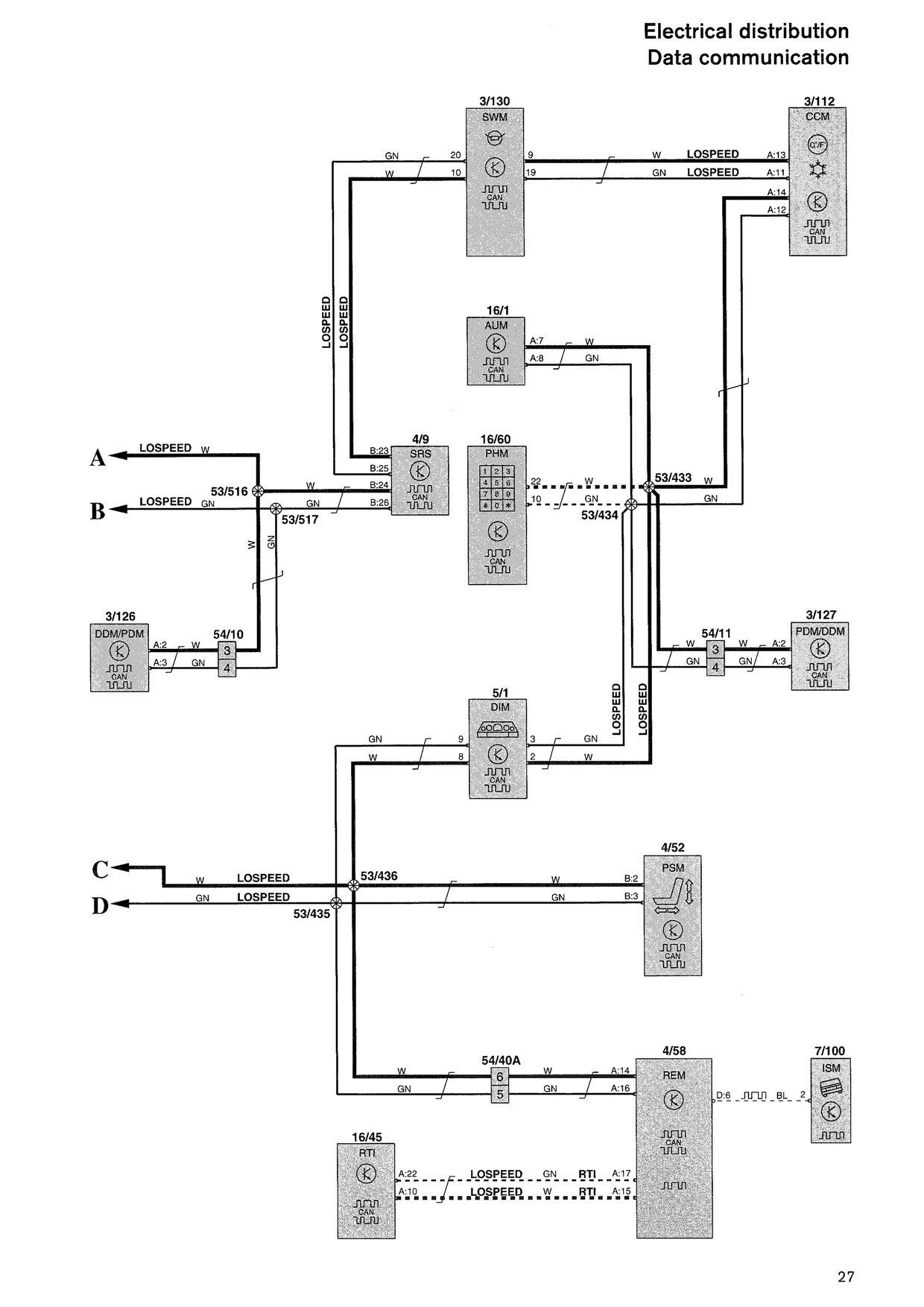
The fact that you can operate the relay of the rear window heater through Vida would indicate that the Can-bus is operational. Can-bus malfunctions aren't easy to diagnose. Find this diagram showing the data communication for the electrical distribution.
Physical integrity of the wiring can be tested. Some of the modules are pass through types. In your case the DIM. The bus operation can be disturbed by a defective module. Note that the DDM, AUM and REM are on the same data communication leg.
http://en.wikipedia.org/wiki/CAN_bus
You have a troubleshooting guide at the following link.
http://www.esd-electronics-usa.com/CAN- ... Guide.html
Personnaly I would try a software reload of the CCM. It may be corrupted. As far as I know it can be done only by the dealer or a third party that can download software.
http://www.justanswer.com/volvo/2pvul-r ... odule.html
Hope this will help.

The fact that you can operate the relay of the rear window heater through Vida would indicate that the Can-bus is operational. Can-bus malfunctions aren't easy to diagnose. Find this diagram showing the data communication for the electrical distribution.
Physical integrity of the wiring can be tested. Some of the modules are pass through types. In your case the DIM. The bus operation can be disturbed by a defective module. Note that the DDM, AUM and REM are on the same data communication leg.
http://en.wikipedia.org/wiki/CAN_bus
You have a troubleshooting guide at the following link.
http://www.esd-electronics-usa.com/CAN- ... Guide.html
Personnaly I would try a software reload of the CCM. It may be corrupted. As far as I know it can be done only by the dealer or a third party that can download software.
http://www.justanswer.com/volvo/2pvul-r ... odule.html
Hope this will help.
V70 2005 2.4i 195,000km, sold
S70 1998 T5 355,000km, sold
960 1994 80,000km, sold
760 1990 Turbo 265,000km, sold
S70 1998 T5 355,000km, sold
960 1994 80,000km, sold
760 1990 Turbo 265,000km, sold
-
- Similar Topics
- Replies
- Views
- Last post






