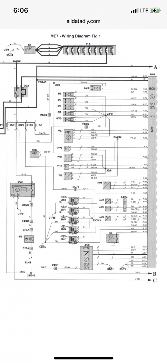
Cancel that ETM voltage test. The ETM gets all of its wiring direct from the ECu.
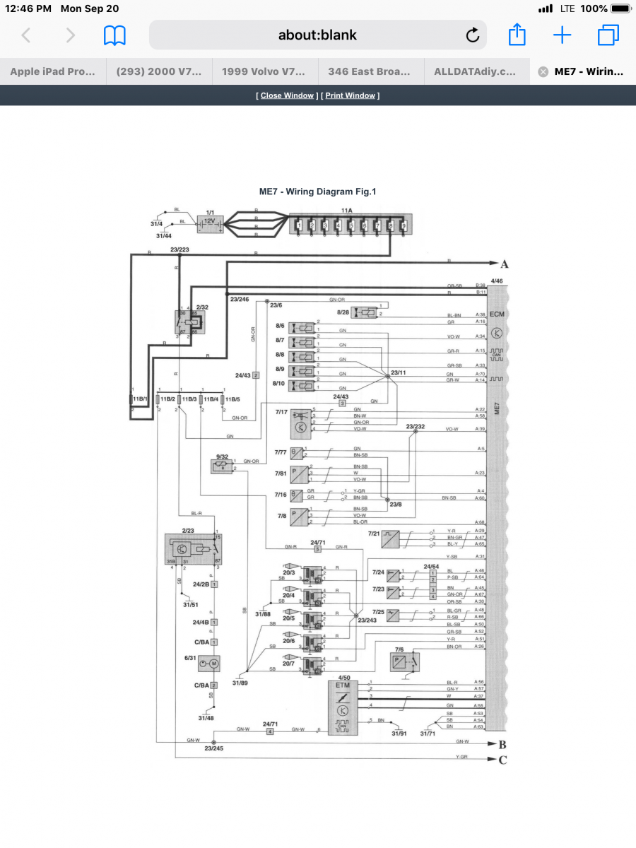
Here is the main BuS feed to from the ignition switch. Get an analogue JP meter on the fuse 11B/1 and watch it carefully while you power up, start the far , then turn the light switch on.
11B/1 us in the kidney fuse box , picture below
2000 V70R electrical issue continues
- abscate
- MVS Moderator
- Posts: 35272
- Joined: 17 February 2013
- Year and Model: 99: V70s S70s,05 V70
- Location: Port Jefferson Long Island NY
- Has thanked: 1497 times
- Been thanked: 3810 times
Re: 2000 V70R electrical issue continues
Empty Nester
A Captain in a Sea of Estrogen
1999-V70-T5M56 2005-V70-M56 1999-S70 VW T4 XC90-in-Red
Link to Maintenance record thread
A Captain in a Sea of Estrogen
1999-V70-T5M56 2005-V70-M56 1999-S70 VW T4 XC90-in-Red
Link to Maintenance record thread
-
scot850
- Posts: 14864
- Joined: 5 April 2010
- Year and Model: 2000 V70 R
- Location: Calgary, Alberta, Canada
- Has thanked: 1836 times
- Been thanked: 1709 times
i struggled to find 11B/1. Is that it on the LHS and partly obscured?
Thanks for the info.
Neil.
Thanks for the info.
Neil.
2006 V70 2.5T AWD Polestar tune
2000 V70 R - still being an endless PITA
2006 XC70 - Our son now has this and still parked in our garage
2003 Toyota 4Runner V8 Limited
2015 Kia Sportage EX-L - Sold
1993 850 GLT -Sold
1998 V70 XC - Sold
1997 Volvo 850 SE NA - Went to niece in California - Sold
2000 V70 SE NA - Sold
2000 V70 R - still being an endless PITA
2006 XC70 - Our son now has this and still parked in our garage
2003 Toyota 4Runner V8 Limited
2015 Kia Sportage EX-L - Sold
1993 850 GLT -Sold
1998 V70 XC - Sold
1997 Volvo 850 SE NA - Went to niece in California - Sold
2000 V70 SE NA - Sold
- abscate
- MVS Moderator
- Posts: 35272
- Joined: 17 February 2013
- Year and Model: 99: V70s S70s,05 V70
- Location: Port Jefferson Long Island NY
- Has thanked: 1497 times
- Been thanked: 3810 times
Yes, sorry, picture didn’t post
Empty Nester
A Captain in a Sea of Estrogen
1999-V70-T5M56 2005-V70-M56 1999-S70 VW T4 XC90-in-Red
Link to Maintenance record thread
A Captain in a Sea of Estrogen
1999-V70-T5M56 2005-V70-M56 1999-S70 VW T4 XC90-in-Red
Link to Maintenance record thread
- 800artfreed
- Posts: 143
- Joined: 3 April 2018
- Year and Model: 98 S70T5; 99 S70GLt
- Location: Washington DC
- Been thanked: 26 times
Currently can you describe the exact issue you are having? Is it a drained battery or dim dashboard lights or dim headlights, etc. Thanks. Dim lights indicate a voltage drop on that circuit. A bad ground would act like a resistor and drop voltage across that contact. Corroded supply side wire connectors could do the same. Please check the main battery connectors and cables for V+ and the main negative connector at the battery and to the chassis. Also have you replaced the battery itself? You can use Youtube to see how to do voltage drop tests.
I would look to use the 50amp and 60amp 11A/1 - 11A/B fuses as a troubleshooting technique. These fuses, located in the fuse/relay box with the snap off cover, divide up the wiring harness into main branches. You can use them to divide up the wiring harness to eliminate those parts of the system that do not have any problems.
Your mystery switch could be a home brew anti theft device. It could be a power cut off to the fuel pump for example. Also have you looked under the rear seat for extra electrical equipment. One S70 I bought had really old cell phone equipment with radios, antennas, and other junk from the first generation of cell phone technology. The wiring was a rats nest and forced me to abandon my plans for that particular vehicle. Good Luck.
I would look to use the 50amp and 60amp 11A/1 - 11A/B fuses as a troubleshooting technique. These fuses, located in the fuse/relay box with the snap off cover, divide up the wiring harness into main branches. You can use them to divide up the wiring harness to eliminate those parts of the system that do not have any problems.
Your mystery switch could be a home brew anti theft device. It could be a power cut off to the fuel pump for example. Also have you looked under the rear seat for extra electrical equipment. One S70 I bought had really old cell phone equipment with radios, antennas, and other junk from the first generation of cell phone technology. The wiring was a rats nest and forced me to abandon my plans for that particular vehicle. Good Luck.
VolvoVoyeur
1998 S70-T5 200K+
1998 V70-T5 200k+
1999 S70-GLT 80k+
1998 S70-T5 200K+
1998 V70-T5 200k+
1999 S70-GLT 80k+
-
scot850
- Posts: 14864
- Joined: 5 April 2010
- Year and Model: 2000 V70 R
- Location: Calgary, Alberta, Canada
- Has thanked: 1836 times
- Been thanked: 1709 times
Many thanks for your wise input 800artfeed and all others.
For 800artfeeds questions. Battery was low, and I think there may be an issue, but i charged the battery and it held 13V even after 3 hours or so of having removed the trickle charger.
The issues I was getting are:
1) Turn signal arrows both on and bright along with front fog light indicator (it was switched off) as well as the full beam indicator. That all happened ONLY once the headlight switch was turned from off, even to sidelights.
2) Then the engine would run rough like a misfire.
3) Turn signals would not operate
4) Speedo would drop out.
Those are the things I can recall as issues. Problem happened even when the engine wasn't running with key in position II.
I swapped out or checked many things including:
1) Lighting relay (104/108 in fuse box below windshield. Also swapped power relays 105/106. No change
2) Checked all the fuses in both fuse boxes (the kidney shaped one above the brake booster). All fuses looked clean and no bad ones. No change
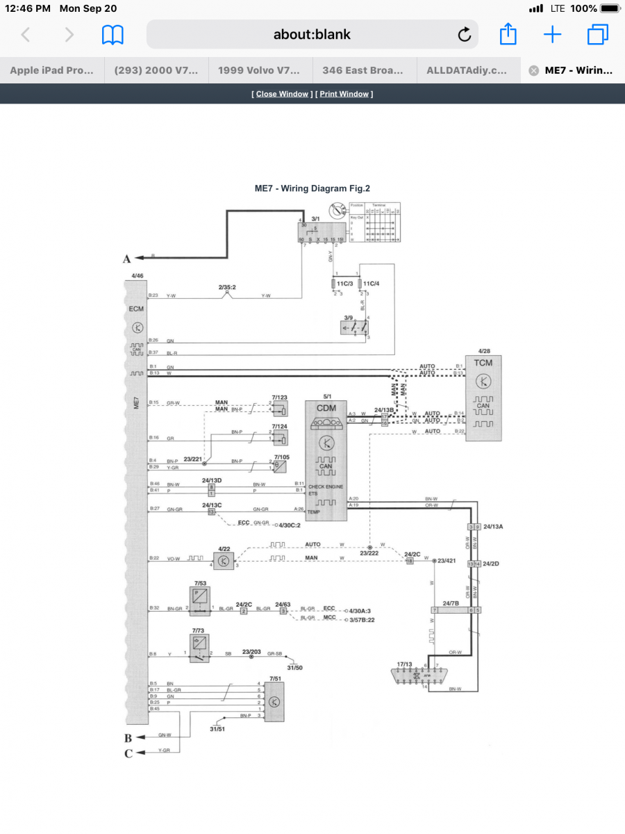
3) Checked the relays in the kidney box and also the large fuses mentioned. Swapped out with good used ones anything that listed lighting or ETM/ignition related. Checked the relays as well. The blue one (2/32) showed signs of burning on one leg. Swapped that and the small black relay with the purple stripe on top (another power relay) No change.
4) Spoke to my friend in parts at the Volvo dealer to clarify the ignition switch part numbers. Had a 'Do'h' moment. My friend pointed out that the number on the molding on the back of the ignition switch was molding part number not item number.
Checked the 'new' part I have and sure enough the part number is the same, but different to the Blue Box label.
Also checked my extensive full history and receipts for the car as a very dim memory made me think I had swapped the ignition switch before. Sure enough, January 2014 Dealer repair receipt lists new ignition switch. But more importantly it said reason for replacing was 'Random dash light and engine running rough'.
So, swapped ignition switch. Tried ignition again without starting. No random lights when light switch turned on to either on position! Started car. Light switch on. No random dash lights and engine runs fine. Lights work as they should as do the turn signals. So the learnings are:
1) Have great friends on MVS. Maybe we didn't get the final answer, but the guidance and encouragement as well as the great electrical schematics really helped.
2) As did keeping all the cars' history which I have from new to the original owner and since.
3) Have friends at the dealer in parts department that really know their stuff!
Although I am fairly clueless on the electrical side, the wiring diagrams and the parts ID really helped and help me realise even before finding the past info on previous swap of ignition switch, that there were common links to various power relays and the ignition switch.
I believe, there must be a direct feed of power to the ignition switch that bypasses all the electrical safeguards as otherwise why did nothing protect the switch? It was the ETM continuing to whine that raised my suspicions as it would continue once the issues started and switching the car off. Switching the key to II and off again and it would switch off.
Guys, really appreciate all the help again helping with the electricery of this PITA car. Hopefully all will stay good with this particular issue but might also explain the random warning lights over the years that never repeated. Maybe a bad switch from new?
Time will tell! Will drive the car again over the next few days and see if any issues recur. I'll put the matches back on the shelf again for now!!
Thanks,
Neil.
For 800artfeeds questions. Battery was low, and I think there may be an issue, but i charged the battery and it held 13V even after 3 hours or so of having removed the trickle charger.
The issues I was getting are:
1) Turn signal arrows both on and bright along with front fog light indicator (it was switched off) as well as the full beam indicator. That all happened ONLY once the headlight switch was turned from off, even to sidelights.
2) Then the engine would run rough like a misfire.
3) Turn signals would not operate
4) Speedo would drop out.
Those are the things I can recall as issues. Problem happened even when the engine wasn't running with key in position II.
I swapped out or checked many things including:
1) Lighting relay (104/108 in fuse box below windshield. Also swapped power relays 105/106. No change
2) Checked all the fuses in both fuse boxes (the kidney shaped one above the brake booster). All fuses looked clean and no bad ones. No change
3) Checked the relays in the kidney box and also the large fuses mentioned. Swapped out with good used ones anything that listed lighting or ETM/ignition related. Checked the relays as well. The blue one (2/32) showed signs of burning on one leg. Swapped that and the small black relay with the purple stripe on top (another power relay) No change.
4) Spoke to my friend in parts at the Volvo dealer to clarify the ignition switch part numbers. Had a 'Do'h' moment. My friend pointed out that the number on the molding on the back of the ignition switch was molding part number not item number.
Checked the 'new' part I have and sure enough the part number is the same, but different to the Blue Box label.
Also checked my extensive full history and receipts for the car as a very dim memory made me think I had swapped the ignition switch before. Sure enough, January 2014 Dealer repair receipt lists new ignition switch. But more importantly it said reason for replacing was 'Random dash light and engine running rough'.
So, swapped ignition switch. Tried ignition again without starting. No random lights when light switch turned on to either on position! Started car. Light switch on. No random dash lights and engine runs fine. Lights work as they should as do the turn signals. So the learnings are:
1) Have great friends on MVS. Maybe we didn't get the final answer, but the guidance and encouragement as well as the great electrical schematics really helped.
2) As did keeping all the cars' history which I have from new to the original owner and since.
3) Have friends at the dealer in parts department that really know their stuff!
Although I am fairly clueless on the electrical side, the wiring diagrams and the parts ID really helped and help me realise even before finding the past info on previous swap of ignition switch, that there were common links to various power relays and the ignition switch.
I believe, there must be a direct feed of power to the ignition switch that bypasses all the electrical safeguards as otherwise why did nothing protect the switch? It was the ETM continuing to whine that raised my suspicions as it would continue once the issues started and switching the car off. Switching the key to II and off again and it would switch off.
Guys, really appreciate all the help again helping with the electricery of this PITA car. Hopefully all will stay good with this particular issue but might also explain the random warning lights over the years that never repeated. Maybe a bad switch from new?
Time will tell! Will drive the car again over the next few days and see if any issues recur. I'll put the matches back on the shelf again for now!!
Thanks,
Neil.
2006 V70 2.5T AWD Polestar tune
2000 V70 R - still being an endless PITA
2006 XC70 - Our son now has this and still parked in our garage
2003 Toyota 4Runner V8 Limited
2015 Kia Sportage EX-L - Sold
1993 850 GLT -Sold
1998 V70 XC - Sold
1997 Volvo 850 SE NA - Went to niece in California - Sold
2000 V70 SE NA - Sold
2000 V70 R - still being an endless PITA
2006 XC70 - Our son now has this and still parked in our garage
2003 Toyota 4Runner V8 Limited
2015 Kia Sportage EX-L - Sold
1993 850 GLT -Sold
1998 V70 XC - Sold
1997 Volvo 850 SE NA - Went to niece in California - Sold
2000 V70 SE NA - Sold
-
scot850
- Posts: 14864
- Joined: 5 April 2010
- Year and Model: 2000 V70 R
- Location: Calgary, Alberta, Canada
- Has thanked: 1836 times
- Been thanked: 1709 times
Forgot to add. Old ignition switch (bought from and fitted by dealer to fix similar issue in 2014) only lasted 5000 miles. Clearly the surge caused by the accidental battery + to + and - to - contact and resulting spark was enough to damage the switch. When time allows I will open it to see if anything obvious has failed internally.
Neil.
Neil.
2006 V70 2.5T AWD Polestar tune
2000 V70 R - still being an endless PITA
2006 XC70 - Our son now has this and still parked in our garage
2003 Toyota 4Runner V8 Limited
2015 Kia Sportage EX-L - Sold
1993 850 GLT -Sold
1998 V70 XC - Sold
1997 Volvo 850 SE NA - Went to niece in California - Sold
2000 V70 SE NA - Sold
2000 V70 R - still being an endless PITA
2006 XC70 - Our son now has this and still parked in our garage
2003 Toyota 4Runner V8 Limited
2015 Kia Sportage EX-L - Sold
1993 850 GLT -Sold
1998 V70 XC - Sold
1997 Volvo 850 SE NA - Went to niece in California - Sold
2000 V70 SE NA - Sold
- abscate
- MVS Moderator
- Posts: 35272
- Joined: 17 February 2013
- Year and Model: 99: V70s S70s,05 V70
- Location: Port Jefferson Long Island NY
- Has thanked: 1497 times
- Been thanked: 3810 times
I don’t think that surge caused your problem with the switch. Probably a bathtub failure.
Or, maybe this is why Volvo says you install battery in KPII? All the high current connections are engaged in KPII so no possibility of sparking inside the ignition switch?
I don’t like that argument but there it is. 12 Volts isn’t enough to jump major gaps and cause Damage.
I’ll do a root cause on it if you like ??
Or, maybe this is why Volvo says you install battery in KPII? All the high current connections are engaged in KPII so no possibility of sparking inside the ignition switch?
I don’t like that argument but there it is. 12 Volts isn’t enough to jump major gaps and cause Damage.
I’ll do a root cause on it if you like ??
Empty Nester
A Captain in a Sea of Estrogen
1999-V70-T5M56 2005-V70-M56 1999-S70 VW T4 XC90-in-Red
Link to Maintenance record thread
A Captain in a Sea of Estrogen
1999-V70-T5M56 2005-V70-M56 1999-S70 VW T4 XC90-in-Red
Link to Maintenance record thread
- manovlov
- Posts: 1180
- Joined: 6 July 2011
- Year and Model: 1995 850 GLT 2.5 170
- Location: Grenoble, France
- Has thanked: 620 times
- Been thanked: 143 times
Excellent new ! I 've appreciated also the way all the guys answered "present" ! That why i do love this site : amazing Dream Team !
1995/02 850 GLT 2.5 170 Petrol M56
-
scot850
- Posts: 14864
- Joined: 5 April 2010
- Year and Model: 2000 V70 R
- Location: Calgary, Alberta, Canada
- Has thanked: 1836 times
- Been thanked: 1709 times
Thanks again guys. Abscate might take you up on that as your electrical knowledge is way ahead of mine and it may be useful to others. As you say it may explain the Pos II you reference. I tried that in the past, but got a huge flash at the battery when I did that and it worried me more than doing it this way.
Neil.
Neil.
2006 V70 2.5T AWD Polestar tune
2000 V70 R - still being an endless PITA
2006 XC70 - Our son now has this and still parked in our garage
2003 Toyota 4Runner V8 Limited
2015 Kia Sportage EX-L - Sold
1993 850 GLT -Sold
1998 V70 XC - Sold
1997 Volvo 850 SE NA - Went to niece in California - Sold
2000 V70 SE NA - Sold
2000 V70 R - still being an endless PITA
2006 XC70 - Our son now has this and still parked in our garage
2003 Toyota 4Runner V8 Limited
2015 Kia Sportage EX-L - Sold
1993 850 GLT -Sold
1998 V70 XC - Sold
1997 Volvo 850 SE NA - Went to niece in California - Sold
2000 V70 SE NA - Sold
-
- Similar Topics
- Replies
- Views
- Last post






