Login Register

850 1995 Idling up and down Topic is solved

Help, Advice and DIY Tutorials on Volvo's P80 platform cars -- Volvo's 1990s "bread and butter" cars -- powered by the ubiquitous and durable Volvo inline 5-cylinder engine.

1992 - 1997 850, including 850 R, 850 T-5R, 850 T-5, 850 GLT
1997 - 2000 S70, S70 AWD
1997 - 2000 V70, V70 AWD
1997 - 2000 V70-XC
1997 - 2004 C70

Post Reply
User avatar
manovlov
Posts: 1180
Joined: 6 July 2011
Year and Model: 1995 850 GLT 2.5 170
Location: Grenoble, France
Has thanked: 620 times
Been thanked: 143 times

Re: 850 1995 Idling up and down

Post by manovlov »

Thanks Misha, i will have a closer look on that.
1995/02 850 GLT 2.5 170 Petrol M56

User avatar
misha
Posts: 5379
Joined: 7 December 2008
Year and Model: '97 850 2.5 20v
Location: Serbia
Has thanked: 152 times
Been thanked: 402 times

Post by misha »

Temperature gauge input is ONLY from ECT,your gauge is dead.

Cooling fan which works before starting the engine is because ecu doesn't know what engine temperature is and it starts the fan to prevent overheating....again...because ecu doesn't receive input from ECT.

It also can continue to run when engine is turned off...that's also another symptom of bad ECT or it's wiring on pre me7 cars('99+).

Since your ECT is oe and brand new...it MUST be the wiring from wiring loom side...somewhere.

It's corroded,broken or shorted somewhere in the wiring loom.
'97 850 2.5 20v / fully equipped / Motronic 4.4 from the factory / upgraded with S,V,C,XC70 instrument cluster / polar white wagon
History of Volvos in the family:
'71 144 S
'73 144 De Luxe
'78 244 DL
'78 244 DL
'79 244 GLE
'85 340 GLS

User avatar
manovlov
Posts: 1180
Joined: 6 July 2011
Year and Model: 1995 850 GLT 2.5 170
Location: Grenoble, France
Has thanked: 620 times
Been thanked: 143 times

Post by manovlov »

misha wrote: 11 Jan 2023, 11:44 Temperature gauge input is ONLY from ECT,your gauge is dead.
Hvala Misha. Question : when you say my gauge is dead, how do I repair this, have i to change the speedometer itself ?
1995/02 850 GLT 2.5 170 Petrol M56

User avatar
misha
Posts: 5379
Joined: 7 December 2008
Year and Model: '97 850 2.5 20v
Location: Serbia
Has thanked: 152 times
Been thanked: 402 times

Post by misha »

It is dead because it doesn't get signal from ECT.
Engine dies because ECU doesn't get signal from ECT.

Check the wiring and connector from wiring loom side.
'97 850 2.5 20v / fully equipped / Motronic 4.4 from the factory / upgraded with S,V,C,XC70 instrument cluster / polar white wagon
History of Volvos in the family:
'71 144 S
'73 144 De Luxe
'78 244 DL
'78 244 DL
'79 244 GLE
'85 340 GLS

User avatar
manovlov
Posts: 1180
Joined: 6 July 2011
Year and Model: 1995 850 GLT 2.5 170
Location: Grenoble, France
Has thanked: 620 times
Been thanked: 143 times

Post by manovlov »

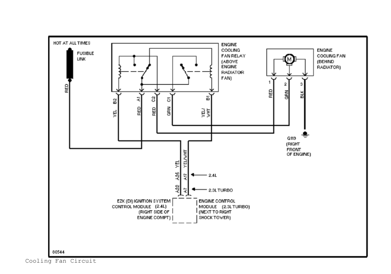
I need to define the part of the diagram i have to check. These boards may be helpful to some others buddies.
Electrical wiring - Ground points.jpg
Electrical wiring - Ground points.jpg (167.98 KiB) Viewed 451 times
Electrical wiring - Colors Legend.png
Electrical wiring - Colors Legend.png (304.04 KiB) Viewed 451 times
Electrical wiring - Parts numbered 1.jpg
Electrical wiring - Parts numbered 1.jpg (97.47 KiB) Viewed 451 times
Electrical wiring.jpg
Electrical wiring.jpg (122.13 KiB) Viewed 451 times
Cooling fan circuit.png
Cooling fan circuit.png (146.12 KiB) Viewed 447 times
Hvala Misha
1995/02 850 GLT 2.5 170 Petrol M56

User avatar
misha
Posts: 5379
Joined: 7 December 2008
Year and Model: '97 850 2.5 20v
Location: Serbia
Has thanked: 152 times
Been thanked: 402 times

Post by misha »

In fact...you will need to carefully examine them visually.
Just ECT wiring circuit...leave cooling fan circuit alone for now.

Nema na cemu!
;)
'97 850 2.5 20v / fully equipped / Motronic 4.4 from the factory / upgraded with S,V,C,XC70 instrument cluster / polar white wagon
History of Volvos in the family:
'71 144 S
'73 144 De Luxe
'78 244 DL
'78 244 DL
'79 244 GLE
'85 340 GLS

User avatar
manovlov
Posts: 1180
Joined: 6 July 2011
Year and Model: 1995 850 GLT 2.5 170
Location: Grenoble, France
Has thanked: 620 times
Been thanked: 143 times

Post by manovlov »

Yo Buddies,

Manov back on the ring !

Hope you're all fine.

Last winter i've replaced the coolant sensor and of course, as an idiot, the steel seal that goes betwin the pipe and the sensor itself felt down behind the alternator (otherwise, it's not funny...). Today i have unbolted everything to catch this f*cking seal and i got it. I saw the two cables that go on the sensor plug and one of them, the yellow one, was cut. Could it explain the idling up and down i speak since 6 pages of this post ? Am I right to think that the part number on the schema is 7/16 ?
Capture d’écran 2023-07-16 à 13.30.47.png
Capture d’écran 2023-07-16 à 13.30.47.png (842.81 KiB) Viewed 327 times
Capture d’écran 2023-07-16 à 13.31.18.png
Capture d’écran 2023-07-16 à 13.31.18.png (907.38 KiB) Viewed 327 times
Thanks to anyone who could tell.


Manov
1995/02 850 GLT 2.5 170 Petrol M56

User avatar
abscate
MVS Moderator
Posts: 35308
Joined: 17 February 2013
Year and Model: 99: V70s S70s,05 V70
Location: Port Jefferson Long Island NY
Has thanked: 1506 times
Been thanked: 3819 times

Post by abscate »

7/16 is Volvo for the ECT, Manov. Double-check by comparing the wire colours..it looks like the ECT shows two black wires changing to yellow and GR and GR-black at the connector

I don’t remember if GR is gray or green in Volvo diagrams.
Empty Nester
A Captain in a Sea of Estrogen
1999-V70-T5M56 2005-V70-M56 1999-S70 VW T4 XC90-in-Red
Link to Maintenance record thread

User avatar
manovlov
Posts: 1180
Joined: 6 July 2011
Year and Model: 1995 850 GLT 2.5 170
Location: Grenoble, France
Has thanked: 620 times
Been thanked: 143 times

Post by manovlov »

GR is grey.
Live, one is yellow (grey) the second is grey and black.
IMG_4603.jpg
IMG_4603.jpg (84.09 KiB) Viewed 304 times
1995/02 850 GLT 2.5 170 Petrol M56

scot850
Posts: 14894
Joined: 5 April 2010
Year and Model: 2000 V70 R
Location: Calgary, Alberta, Canada
Has thanked: 1851 times
Been thanked: 1712 times

Post by scot850 »

Welcome back our friend and great to see you back in on your car! Congrats on your completion of your training and gad you finally were able to hunt this issue down!

Neil.
2006 V70 2.5T AWD Polestar tune
2000 V70 R - still being an endless PITA
2006 XC70 - Our son now has this and still parked in our garage
2003 Toyota 4Runner V8 Limited
2015 Kia Sportage EX-L - Sold
1993 850 GLT -Sold
1998 V70 XC - Sold
1997 Volvo 850 SE NA - Went to niece in California - Sold
2000 V70 SE NA - Sold

Post Reply
  • Similar Topics
    Replies
    Views
    Last post