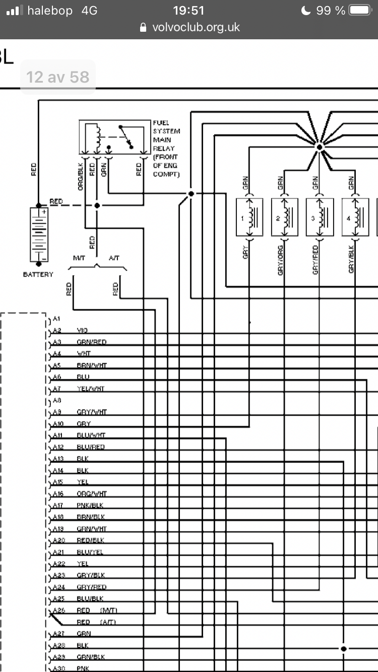
I finally got the car running becuse i realised that i missing power to a26 and a27 pins to the ecu soo i jumped does 2 wires to the battery and the car runs.but now to the ”problem” wierd thing is that the car starts sometimes without those wires to battery.
But the thing im wondering is why? Anyone had the same problem? And those wires should always have 12v If im looking at the wiring diagram but If im leaving the wires connected to battery the iac valve stays buzzing..and the times the car starts without them on the battery its as it should iac turns on when ignition is on etc etc
And earlier i could remove the wires from the battery and the car would stay running but today If i removed the the car died..soo i had to leave them on for it to stay running
Also the car is manual swaped like 10 years ago by someone and yes it has worked since then.sorry for bad explaining






