I recently purchased a garage-kept, low mileage 2006 S60 R from the 2nd owner and I have never had so many issues diagnosing a car in my life. It all started with a fuel starvation issue when I bought the car several months ago, which I have diagnosed and repaired. However, the car sat in the garage while waiting on parts for several weeks so I put a battery charger on it overnight to make sure it had a full charge before finishing work on the fuel issue. When I started the car the DTC's below came up along with the following dash lights, messages, and other issues:
Brake Failure Stop Safely
Chassis Settings Temporarily Off
Engine Service Required
ABS light
Red Triangle Warning
No trip odometer ---- and the odometer does not change when driving (frozen on mileage)
The engine immobilizer is intermittent
Seat heaters do not work. Light comes on, but not heat
DSTC button light is always on
I cleared all codes with VIDA and they all returned.
I have tested the alternator (puts out 14.5v), the battery is at 12.8v and 790 cold cranking amps under load, and I confirmed that I have 12.4v at fuse #15 on the CEM. I also confirmed that I have power coming in at the connector to the BCM and grounds are all very clean.
All the electrical connections on the CEM are extremely clean and no evidence of water marks.
I sent the DEM and BCM to Volvo Diagnostic and they rebuilt the BCM but the issues still exist, so I sent the BCM to Xeomodex and where it tested fine with no issues. I reinstalled the BCM and still have all the codes and warnings. Between diagnosing, shipping out parts for repair, and waiting on parts, the car has sat in the garage for the last five months! I have searched several forums for countless hours and have not found anything else to try. I may pull the CEM and send to Xemodex for testing.
I would appreciate any help on what to do next.
DTC’s:
BCM-0094 Communication between control units Communication problems with DEM
BCM-0100 Communication between control unis Communicational problems with ECM
BCM-0115 Communication between control unis Communicational problems with SAS, signal missing
CEM-1A57 Communication with RTI control module Signal missing
ECM-900B Brake pedal sensor – Signal missing
TCM-0A01 Control module communication Signal missing from BCM
CCM-DD12 Seat heater left No communication
CCM-DD30 Seat heater right No communication
CEM-1A5F Communication with BCM control module Signal missing
CEM-8F12 CEM Beam adjustment Signal too low
SUM-0324 CAN-signal, BCM control unit Signal missing
SUM-0334 CAN-signal, BCM control unit Faulty signal
When I bought the car I also replaced the PCV system, MAF sensor, fuel pump, sending unit, and fuel pressure regulator. Timing belt was supposed to be next.
BCM, CEM, SUM, Multiple DTC's, and Dash Lights S60 R
-
yanga001
- Posts: 787
- Joined: 24 March 2019
- Year and Model: 98/99/00 v/s70’s
- Location: Ontario
- Has thanked: 59 times
- Been thanked: 110 times
Not knowledgeable on this platform but a short to ground on any differential pair could cause loss of communication. A way to check, although long, may be to pull up ye old wiring schematics and see if any of these lines cross at one spot, or within one junction.
One way to check may be to measure resitance/continuity between grounds and any of the wires. It may not be a perfect theory depending on capacitors, inductors, and chips present however there should be a resitance between these wires.
Did Xemodex or volvo diagnostic tell you how they rebuilt the system.
How was fuel starvation fixed? Was it a bad pump, intermittent failure, burn out connection?
What i suspect could cause an issue like this is a bad solder joint on a common node or chip. The key here for a root failure analysis in my eyes is checking if your failure is isolated to one system or broad across all systems. A select few systems suggest a localized issue. All systems would be something more central control.
The closest analogy i have for this is that i once had a manual climate control board that would not engage/work properly unless pressure was applied to the fascia of the cover. It turned out that the solder joints had gone bad over many years and become an intermittent high resistance connection. These kinds of failures happen surprisingly often, and with a CAN communication system it could occur on one of the masters which may cause an issue.
To resolder connections like these i would recommend a hot air station as you can capture wider areas. Get capton tape for ensuring other parts do not get over heated and watch some youtube videos.
EDIT:
Looking at this again i suspect a bad connection on one of the wires. If you have an oscilloscope or know someone who has access then tap one of the CAN bus connections and monitor for noise and value. Noise will appear like random spikes or oscillations in the signal. If no value appears then something is shorting out the connection or there is no driving voltage.
Given that this happened after the car was sitting i suspect a bad solder joint somewhere, maybe on a master node. Hope it helps, and again i am not fully knowledgeable on the p2 systems.
One way to check may be to measure resitance/continuity between grounds and any of the wires. It may not be a perfect theory depending on capacitors, inductors, and chips present however there should be a resitance between these wires.
Did Xemodex or volvo diagnostic tell you how they rebuilt the system.
How was fuel starvation fixed? Was it a bad pump, intermittent failure, burn out connection?
What i suspect could cause an issue like this is a bad solder joint on a common node or chip. The key here for a root failure analysis in my eyes is checking if your failure is isolated to one system or broad across all systems. A select few systems suggest a localized issue. All systems would be something more central control.
The closest analogy i have for this is that i once had a manual climate control board that would not engage/work properly unless pressure was applied to the fascia of the cover. It turned out that the solder joints had gone bad over many years and become an intermittent high resistance connection. These kinds of failures happen surprisingly often, and with a CAN communication system it could occur on one of the masters which may cause an issue.
To resolder connections like these i would recommend a hot air station as you can capture wider areas. Get capton tape for ensuring other parts do not get over heated and watch some youtube videos.
EDIT:
Looking at this again i suspect a bad connection on one of the wires. If you have an oscilloscope or know someone who has access then tap one of the CAN bus connections and monitor for noise and value. Noise will appear like random spikes or oscillations in the signal. If no value appears then something is shorting out the connection or there is no driving voltage.
Given that this happened after the car was sitting i suspect a bad solder joint somewhere, maybe on a master node. Hope it helps, and again i am not fully knowledgeable on the p2 systems.
1998 S70 N/A Auto (Parts car)(planned to be harvested)
1998 V70 N/A Auto New full restoration project (Water pump thrown at 404K Km)
1998 V70 N/A Auto (Workhorse) (Tree to driver B pillar
)
1999 S70 T5 Auto(Project) (planned to be fixed)
2000 S70 SE M Learning platform (planned to be driven one day)
2008 S60 2.5T Auto (Sold)
2012 Honda Pilot AWD Touring (Daily)
1998 V70 N/A Auto New full restoration project (Water pump thrown at 404K Km)
1998 V70 N/A Auto (Workhorse) (Tree to driver B pillar
1999 S70 T5 Auto(Project) (planned to be fixed)
2000 S70 SE M Learning platform (planned to be driven one day)
2008 S60 2.5T Auto (Sold)
2012 Honda Pilot AWD Touring (Daily)
Thanks for the reply.
I have traced the wires and checked the grounding points and all are good. I'm figuring a solder point as well, but not sure which module. The BCM was opened up, re-soldered, and tested on the test platform to ensure everything is working as it should. Everything I have read on issues similar in-part to mine have seemed to be solved by rebuilding the BCM or CEM, or replacing a bad alternator or Battery. At this point I'm considering pulling the CEM and sending it to Xemodex for testing as every thing else tests good. However, I know its not the fuse #15 issue or water damage that is common on the CEM.
The fuel issue was created by the previous owners mechanic. They tried to repair the sending unit ($30 part) with some type of adhesive when they replaced the fuel pump. The adhesive degraded in the fuel (duh) and small particles were everywhere in the tank and would plug up the pump. I drained every bit of fuel from the tank and spent 3 hours getting every bit of the adhesive particles out, put in a new fuel pump and that issue was solved but this new one popped up.
I'm looking forward to the day when I can actually drive the car and not have to come home and hook up to VIDA.
I have traced the wires and checked the grounding points and all are good. I'm figuring a solder point as well, but not sure which module. The BCM was opened up, re-soldered, and tested on the test platform to ensure everything is working as it should. Everything I have read on issues similar in-part to mine have seemed to be solved by rebuilding the BCM or CEM, or replacing a bad alternator or Battery. At this point I'm considering pulling the CEM and sending it to Xemodex for testing as every thing else tests good. However, I know its not the fuse #15 issue or water damage that is common on the CEM.
The fuel issue was created by the previous owners mechanic. They tried to repair the sending unit ($30 part) with some type of adhesive when they replaced the fuel pump. The adhesive degraded in the fuel (duh) and small particles were everywhere in the tank and would plug up the pump. I drained every bit of fuel from the tank and spent 3 hours getting every bit of the adhesive particles out, put in a new fuel pump and that issue was solved but this new one popped up.
I'm looking forward to the day when I can actually drive the car and not have to come home and hook up to VIDA.
-
yanga001
- Posts: 787
- Joined: 24 March 2019
- Year and Model: 98/99/00 v/s70’s
- Location: Ontario
- Has thanked: 59 times
- Been thanked: 110 times
Got a bit bored today and checked the wiring diagrams.
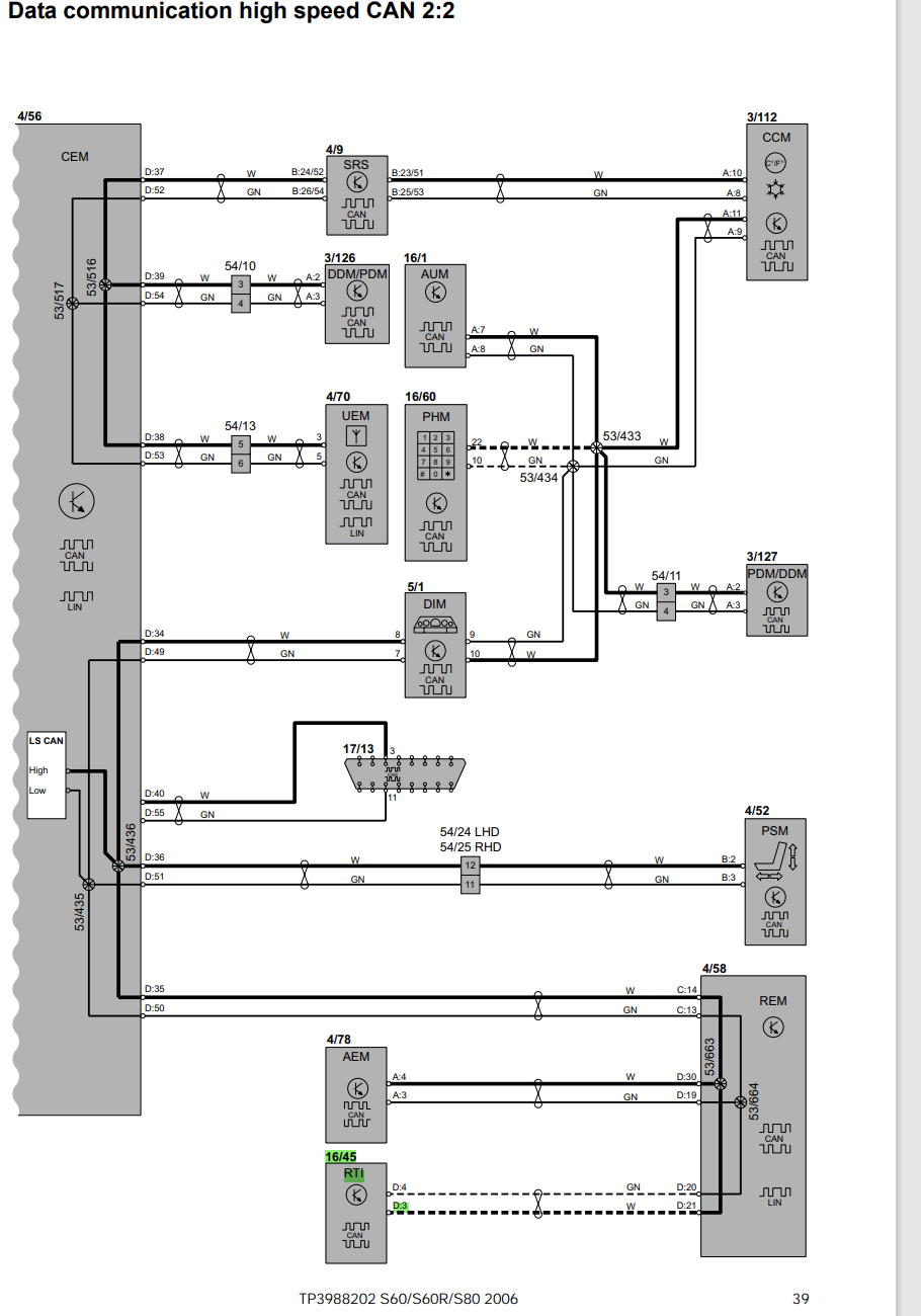
See Attached: HIGH SPEED LOW SPEED I think the CEM will have to come out. Your issue is errors across the high speed CAN network. (label at top of page seems to be inverted from label on module)
There also seems to be errors on the LIN.
See Attached: HIGH SPEED LOW SPEED I think the CEM will have to come out. Your issue is errors across the high speed CAN network. (label at top of page seems to be inverted from label on module)
There also seems to be errors on the LIN.
1998 S70 N/A Auto (Parts car)(planned to be harvested)
1998 V70 N/A Auto New full restoration project (Water pump thrown at 404K Km)
1998 V70 N/A Auto (Workhorse) (Tree to driver B pillar
)
1999 S70 T5 Auto(Project) (planned to be fixed)
2000 S70 SE M Learning platform (planned to be driven one day)
2008 S60 2.5T Auto (Sold)
2012 Honda Pilot AWD Touring (Daily)
1998 V70 N/A Auto New full restoration project (Water pump thrown at 404K Km)
1998 V70 N/A Auto (Workhorse) (Tree to driver B pillar
1999 S70 T5 Auto(Project) (planned to be fixed)
2000 S70 SE M Learning platform (planned to be driven one day)
2008 S60 2.5T Auto (Sold)
2012 Honda Pilot AWD Touring (Daily)
- jonesg
- Posts: 3507
- Joined: 16 January 2008
- Year and Model: 2004 V70
- Location: Northern maine.
- Has thanked: 69 times
- Been thanked: 481 times
sitting idle for extended periods can cause problems with green gremlins getting into connectors or rodents snacking on wire looms.
some guys had to reseat the computer after cleaning the pins and socket with de-oxit spray.
some guys had to reseat the computer after cleaning the pins and socket with de-oxit spray.
@yanga001; thank you for the diagrams and the assessment! I will be pulling the CEM this week and tracing wires with this diagram and information. I will start at the DEM and work my way forward to see if I can find any damaged wires or connectors.
It has taken several months, but as an update, I sent the CEM and the ECM to XeMODex for a CEM replacement twice now. The first one came back and caused even more issues with the car. XeMODex had me send it in again under warranty and was finally able to locate another donor CEM to program to my car. I installed the new CEM and I still have all the same issues.
I tested the CAN network per XeMODex instructions below and found that I have 120 Ohms of resistance on the high speed network as measured across terminals 6 and 14 at the OBD2 port, where the test indicates I should have 60 Ohms. Everything else checks out as it should per the instructions. I am not sure why the resistance is twice what it should be. The CEM has been replaced, the BCM has been rebuilt, and the DEM has been tested and confirmed good. I unplugged the SUM and tested the resistance at the OBD port again but the results are the same.
Still trouble shooting and testing as I get time. Any pointers would be appreciated.
CAN Network Test Procedure 2005- Volvo
OBD2 Connector
The following diagnostic steps will verify CAN’s network integrity and check that there are no short to ground or to the power supply in the CAN’s wiring. Negative battery cable must be disconnected before the measurements are taken.
The terminals are numbered left to right 1 thru 8 on the top row of the OBD2 port and 9 thru 16 across the bottom
Low speed network test
1. Disconnect the negative battery cable.
2. Connect the ohmmeter across terminals 3 and 11. Expected value = 60 Ohms
3. Connect the ohmmeter across terminal 3 and terminal 5. Expected value = OL Open Circuit
4. Connect the ohmmeter across terminal 11 and terminal 5. Expected value = OL Open Circuit
5. Connect the ohmmeter across terminal 3 and terminal 16. Expected value = OL Open Circuit
6. Connect the ohmmeter across terminal 11 and terminal 16. Expected value = OL Open Circuit
High speed network test
7. Disconnect the negative battery cable.
8. Connect the ohmmeter across terminals 6 and 14. Expected value = 60 Ohms
9. Connect the ohmmeter across terminal 6 and terminal 5. Expected value = OL Open Circuit
10. Connect the ohmmeter across terminal 14 and terminal 5. Expected value = OL Open Circuit
11. Connect the ohmmeter across terminal 6 and terminal 16. Expected value = OL Open Circuit
12. Connect the ohmmeter across terminal 14 and terminal 16. Expected value = OL Open Circuit
I tested the CAN network per XeMODex instructions below and found that I have 120 Ohms of resistance on the high speed network as measured across terminals 6 and 14 at the OBD2 port, where the test indicates I should have 60 Ohms. Everything else checks out as it should per the instructions. I am not sure why the resistance is twice what it should be. The CEM has been replaced, the BCM has been rebuilt, and the DEM has been tested and confirmed good. I unplugged the SUM and tested the resistance at the OBD port again but the results are the same.
Still trouble shooting and testing as I get time. Any pointers would be appreciated.
CAN Network Test Procedure 2005- Volvo
OBD2 Connector
The following diagnostic steps will verify CAN’s network integrity and check that there are no short to ground or to the power supply in the CAN’s wiring. Negative battery cable must be disconnected before the measurements are taken.
The terminals are numbered left to right 1 thru 8 on the top row of the OBD2 port and 9 thru 16 across the bottom
Low speed network test
1. Disconnect the negative battery cable.
2. Connect the ohmmeter across terminals 3 and 11. Expected value = 60 Ohms
3. Connect the ohmmeter across terminal 3 and terminal 5. Expected value = OL Open Circuit
4. Connect the ohmmeter across terminal 11 and terminal 5. Expected value = OL Open Circuit
5. Connect the ohmmeter across terminal 3 and terminal 16. Expected value = OL Open Circuit
6. Connect the ohmmeter across terminal 11 and terminal 16. Expected value = OL Open Circuit
High speed network test
7. Disconnect the negative battery cable.
8. Connect the ohmmeter across terminals 6 and 14. Expected value = 60 Ohms
9. Connect the ohmmeter across terminal 6 and terminal 5. Expected value = OL Open Circuit
10. Connect the ohmmeter across terminal 14 and terminal 5. Expected value = OL Open Circuit
11. Connect the ohmmeter across terminal 6 and terminal 16. Expected value = OL Open Circuit
12. Connect the ohmmeter across terminal 14 and terminal 16. Expected value = OL Open Circuit
-
yanga001
- Posts: 787
- Joined: 24 March 2019
- Year and Model: 98/99/00 v/s70’s
- Location: Ontario
- Has thanked: 59 times
- Been thanked: 110 times
So we have tested the CEM properly (With Xemo unit and donor), odds of both units having identical failure are extremely low. Now is where i would start looking into wire insulation on the one with higher resistance. Can you find where the wires terminate across from the OBD network to the can module. That is, disconnect the wires from both modules and check the resistance. Current follows the path of least resistance so even if its a parrallel connection its unlikely to throw off your results (well capacitors and other fun nonlinear devices could but you wont be creating a completed circuit for those to come into play most likely.).
The goal of this is to verify the integrity of the wire along the path and at the connectors. With communication networks such as CAN it does not take a lot to screwup/corrupt a signal. The drivers as we call them (what powers the electrical signaling) are low current and can actually clip if something is drawing too much power. That corrupts signals and results in an inability to communicate.
I would check the integrity of the wires from OBD port to its corresponding plug point in the CEM (if possible). 120 resistance is too high and i do not believe its on the parts you have removed and replaced.
This is the kind of stuff that makes me wish insulation testers were cheaper as you could test the insulation across the terminals with everything unplugged to quickly eliminate issues.
Good luck sir!
The goal of this is to verify the integrity of the wire along the path and at the connectors. With communication networks such as CAN it does not take a lot to screwup/corrupt a signal. The drivers as we call them (what powers the electrical signaling) are low current and can actually clip if something is drawing too much power. That corrupts signals and results in an inability to communicate.
I would check the integrity of the wires from OBD port to its corresponding plug point in the CEM (if possible). 120 resistance is too high and i do not believe its on the parts you have removed and replaced.
This is the kind of stuff that makes me wish insulation testers were cheaper as you could test the insulation across the terminals with everything unplugged to quickly eliminate issues.
Good luck sir!
1998 S70 N/A Auto (Parts car)(planned to be harvested)
1998 V70 N/A Auto New full restoration project (Water pump thrown at 404K Km)
1998 V70 N/A Auto (Workhorse) (Tree to driver B pillar
)
1999 S70 T5 Auto(Project) (planned to be fixed)
2000 S70 SE M Learning platform (planned to be driven one day)
2008 S60 2.5T Auto (Sold)
2012 Honda Pilot AWD Touring (Daily)
1998 V70 N/A Auto New full restoration project (Water pump thrown at 404K Km)
1998 V70 N/A Auto (Workhorse) (Tree to driver B pillar
1999 S70 T5 Auto(Project) (planned to be fixed)
2000 S70 SE M Learning platform (planned to be driven one day)
2008 S60 2.5T Auto (Sold)
2012 Honda Pilot AWD Touring (Daily)
- abscate
- MVS Moderator
- Posts: 35293
- Joined: 17 February 2013
- Year and Model: 99: V70s S70s,05 V70
- Location: Port Jefferson Long Island NY
- Has thanked: 1503 times
- Been thanked: 3817 times
Your voltage drop of 12.8 to 12.4 volts is large and indicative of a bad connection somewhere, too
Empty Nester
A Captain in a Sea of Estrogen
1999-V70-T5M56 2005-V70-M56 1999-S70 VW T4 XC90-in-Red
Link to Maintenance record thread
A Captain in a Sea of Estrogen
1999-V70-T5M56 2005-V70-M56 1999-S70 VW T4 XC90-in-Red
Link to Maintenance record thread
- jonesg
- Posts: 3507
- Joined: 16 January 2008
- Year and Model: 2004 V70
- Location: Northern maine.
- Has thanked: 69 times
- Been thanked: 481 times
The scene of the crime in this case was the fuel pump, I might revisit that installation to see if something there could be dragging the system down. Maybe pull the pump relay to remove it from the circuit, see if anything changes.
I hate elecs.
I hate elecs.
-
- Similar Topics
- Replies
- Views
- Last post






