Login Register

Misfire - 2005 XC90 V8

A mid-size luxury crossover SUV, the Volvo XC90 made its debut in 2002 at the Detroit Motor Show. Recognized for its safety, practicality, and comfort, the XC90 is a popular vehicle around the world. The XC90 proved to be very popular, and very good for Volvo's sales numbers, since its introduction in model year 2003 (North America). P2 platform.
Post Reply
User avatar
Roger_850T
MVS Moderator
Posts: 351
Joined: 31 December 2013
Year and Model: 854T 1995
Location: Frederick MD
Been thanked: 26 times

Misfire - 2005 XC90 V8

Post by Roger_850T »

Hi Everyone,

I'm having trouble with my 2005 XC90 V8, 211k miles, and I'm asking for ideas on what might be going on.

Back in July, at 204k miles, it started giving me a trouble code of "ECM-P030100 Cylinder 1 Misfire Detected". Cleared it, and it comes back. Only cylinder #1. It's been doing it ever since.

Inspected, and spark plug #1 looked a little black and fouled compared to others. I swapped spark plugs with #3 and ignition coils with #5. Problem persisted with #1, so not spark plug or failing coil.

Reading the details in the ECU data freeze, it seems to consistently be set a little after 60 seconds of running with a cold start. (63 seconds, 67 seconds, etc.) Warm starts do not set it. It doesn't happen every cycle, maybe ~20% of the time.

I checked the coil ground, got a solid consistent 0.0 ohms between the coil connector socket and the cylinder head. Wiggled the wires, no change. Cleaned the ground connection to the head anyway, (head and connector,) cleaned the ground connection at the coil bolt, (coil and head,) and the problem persists.

I changed the fuel injectors. I got a set of injectors from a salvage yard car and sent them off to be cleaned and flow tested. They came back with a great test sheet. I installed the injectors, plus a new set of spark plugs all around, and the problem persists.

When I changed the injectors, I have managed to get something wrong - now I have trouble with warm starting. If the car has sat for ~30 minutes, instead of firing right away it cranks for 3-5 seconds before starting, and smells of fuel. Not cold start and not immediate hot start, just if its been sitting for 20-30 minutes. Also, when it does this, I pick up misfires on other cylinders - #4 and #7 so far.

And the starter is failing, it's making an ugly noise every time I start the engine. The fun never ends!


Here are possible sources for this ECM code, and my thoughts on them:

Low fuel level. Makes no difference, many starts with varying fuel levels, no correlation. Unlikely cause.

Repeated cold starts where the engine temperature does not reach proper operating temperature between starts.
Wrong pattern, it's just the first start of the morning, then it almost always is run to normal operating temperature.

Damaged spark plug. Issue would have moved when I swapped plugs, and gone away when I replaced all plugs.

Contaminated or wrong fuel. Perhaps for one tank, but it's been persistent over many tanks, plus bad fuel would have caused issues on multiple cylinders, not just one.

Wrong fuel grade (summer fuel in the winter, certain markets). Perhaps for one tank, but it's been persistent over many tanks, plus bad fuel would have caused issues on multiple cylinders, not just one.

Air leakage. This is looking like a possible cause, in vicinity of #1. It got new gaskets on the upper intake manifold when I did the injectors. Maybe the lower manifold-to-head connection?

Blocked crankcase ventilation. This would cause misfires on multiple cylinders, not just a single one.

Damaged VVT-unit. This would cause misfires on multiple cylinders, not just a single one.

Clogged/leaking injector. This would have changed when I changed the injectors, it didn't.

Faulty fuel pressure. I see it varying normally, plus this would cause issues on multiple cylinders, not just a single one.

Uneven compression. Maybe. I need to figure out how to do a compression test on the V8 engine to check.

So I'm down to air leakage, or the compression going bad in one cylinder for some reason.

Questions:
1. Any other thoughts on things to check or test?
2. Any suggestions for the best way to do a compression test on this engine?

Thanks for any input you are able to offer!

Roger
11 XC60 137k
08 V50 Project... Still in pieces
05 XC90 V8 213k
95 854T 350k Still my favorite daily driver
02 V70 186k+ Gave to my daughter, still going strong
03 S80 111k (crashed, but driver walked away unhurt)
93 945T 217k (gone to be parted out)
87 245 300k+ sold, still going afaik
84 264 Diesel, RIP at 160k
78 242 manual everything.
73 P1800ES, fun until the rust set in...

User avatar
abscate
MVS Moderator
Posts: 35267
Joined: 17 February 2013
Year and Model: 99: V70s S70s,05 V70
Location: Port Jefferson Long Island NY
Has thanked: 1497 times
Been thanked: 3809 times

Post by abscate »

12. Wiring harness and plug to cylinder #1

:D :D :D
Empty Nester
A Captain in a Sea of Estrogen
1999-V70-T5M56 2005-V70-M56 1999-S70 VW T4 XC90-in-Red
Link to Maintenance record thread

User avatar
Roger_850T
MVS Moderator
Posts: 351
Joined: 31 December 2013
Year and Model: 854T 1995
Location: Frederick MD
Been thanked: 26 times

Post by Roger_850T »

Thanks abscate. I've inspected pretty closely, and everything I've seen looks good. Perhaps it's time to cut into the wiring loom and larger connectors to inspect. Probably all the way from the ECU to the coil. (That's probably easier than pulling the intake manifold lower section to check/replace the gasket.)

Roger
11 XC60 137k
08 V50 Project... Still in pieces
05 XC90 V8 213k
95 854T 350k Still my favorite daily driver
02 V70 186k+ Gave to my daughter, still going strong
03 S80 111k (crashed, but driver walked away unhurt)
93 945T 217k (gone to be parted out)
87 245 300k+ sold, still going afaik
84 264 Diesel, RIP at 160k
78 242 manual everything.
73 P1800ES, fun until the rust set in...

User avatar
ggleavitt
Posts: 740
Joined: 4 June 2006
Year and Model: 06,08 XC90 V8
Location: Camano
Has thanked: 23 times
Been thanked: 125 times

Post by ggleavitt »

I read and re-read the post- you use new o-rings on the injectors and the rail went fully down (o-ring completely seated) on cylinder #1? I'm wondering if that might be a good place to look (apologies for the work to get to it) considering that you have some fuel smells to go along with the misfire.
B8444S Injector.jpg
B8444S Injector.jpg (29.13 KiB) Viewed 2163 times
B8444S Spark .jpg
B8444S Spark .jpg (49.04 KiB) Viewed 2163 times
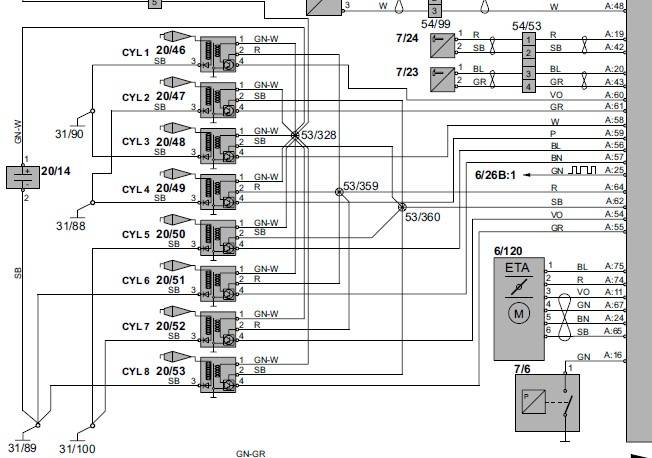
The misfire of #1 plus #4 plus #7 is the misfire connection 53/359 (includes #6 which you did not report), that makes me wonder if @abscate is right, maybe time to get into the loom.

This is a '05, PEM still outside? Might be more than one issue- throwing so that one out since you're looking at things, wouldn't hurt to check the condition.

I'll think on this some more.
2006 V8 Ocean Race #740/800 200k, 2008 V8 Sport 183k

User avatar
Roger_850T
MVS Moderator
Posts: 351
Joined: 31 December 2013
Year and Model: 854T 1995
Location: Frederick MD
Been thanked: 26 times

Post by Roger_850T »

Good point about connection 53/359; while I've stared at this diagram, I did not make that connection. Yes, I think I need to figure out where that is and inspect it.

PEM is probably still outside. I've had the car for 10 years, since 69k miles, and have never had to touch the PEM. I would think if it was causing this issue, I'd see it on more than one cylinder. Sounds like probably not the cause of this issue, but good to check on just to make sure everything looks good.

Yes, I believe all the seals are properly seated. I worked it down very firmly, and had it sitting perfectly in place before I installed any of the bolts that connect it to the manifold. I did use the seals that the injector rebuilder installed - they were not Volvo seals. I sometimes wonder if I should change them out for the Volvo seals.

I believe I mentioned that the starter is also on the way out. It makes a horrible squealing noise when you crank the engine, or rather as the engine starts to fire. I think it's the overrunning clutch that is dying. I had thought it was the power steering pump, but when I had my wife start it while I had my head under the hood, it was clearly coming from the back of the engine, not the front. I initially feared I was going to have to do the balance shaft bearing (again!), however I realized that this noise is quite different - the bearing was a random clank/clunk at idle, while this squeal is only there as the starter winds down, and does not return until the next time the car is started.

Sometimes (after sitting for 20-60 minutes), it doesn't start right away. The ECM (or CEM) gives it a long crank, keeps it cranking until it starts and runs, typically ~3 seconds, instead of the usual immediate fire. Those are the times I get the fuel smell.

Thus, between the long crank, the fuel smell, and the squealing from the starter, plus the simultaneous need to replace brakes on my 850 and having no reliable cars to drive, my spouse has lost confidence in the car. (And me.) That has now been rectified by the 2012 XC60 that now resides in the driveway. :) Now I have time to figure this out.

Roger
11 XC60 137k
08 V50 Project... Still in pieces
05 XC90 V8 213k
95 854T 350k Still my favorite daily driver
02 V70 186k+ Gave to my daughter, still going strong
03 S80 111k (crashed, but driver walked away unhurt)
93 945T 217k (gone to be parted out)
87 245 300k+ sold, still going afaik
84 264 Diesel, RIP at 160k
78 242 manual everything.
73 P1800ES, fun until the rust set in...

User avatar
ggleavitt
Posts: 740
Joined: 4 June 2006
Year and Model: 06,08 XC90 V8
Location: Camano
Has thanked: 23 times
Been thanked: 125 times

Post by ggleavitt »

Thanks for the update. You're right, the rail really won't fully seat unless all of the injectors are in place and the wiring harness is routed correctly.

I've watched to work you did on this motor, really thorough. Maybe one of the #1 cylinder injector or coil pack wires got smooshed the last time you tightened the rail down? Combination of fuel smell and #1 misfire continues to make me wonder about injectors but the heat soak hard start still has me thinking about cause.

As far as the noisy starter, I'll be replacing mine in the Sport sooner than later (have "exchange" part in box). Just drags a bit on cold starts, if you're not in a hurry you can have it when I do the replacement (before the end of the year). Your interest in the part may encourage me to do the job earlier.
2006 V8 Ocean Race #740/800 200k, 2008 V8 Sport 183k

User avatar
Roger_850T
MVS Moderator
Posts: 351
Joined: 31 December 2013
Year and Model: 854T 1995
Location: Frederick MD
Been thanked: 26 times

Post by Roger_850T »

Some minor updates here...

1. Today I had a light-bulb moment and realized that I forgot to put the clips on the injectors - the ones that clip them to the fuel pipe. Don't know how I missed that. That would probably account for some fuel smell, probably also let the pressure fall off and maybe account for some heat soak hard start. I've got new Volvo seals ordered, and I'll re-seal with new seals when they get here. With any luck, that will help.

2. I bought a starter off eBay. Found one with only 127k miles on it. Hopefully will have a little more life in it.

3. I looked really closely at the wiring, completely disassembled the ground for #1/#3. It looked fine, but I'm going to replace it. I also found and ordered some replacement connectors, in case it's the female pin on the inside of the connector having issues. The wire is starting to look grim at this point, with cracks and openings all over, I suspect partially because I've been manipulating and twisting so much that the hard insulation has given way with all the flexing. So, when I replace the plug, I'll replace maybe 6" of wire, too.

For reference, if anyone else needs to buy the connectors that go on the V8 coil packs, they are available as both a Toyota part, and as a Yazaki part. Mouser has the Yazaki housing, but I couldn't clearly ID which pins I needed, so I went with a kit from Toyota that includes the housing and four pins, bought through eBay.

Toyota 90980-11885
90980-11885 Genuine Toyota Housing, Connector F (toyotapartsdeal.com)
https://www.toyotapartsdeal.com/oem/toy ... 11885.html

 Yazaki 7283-7449.
72837449 Yazaki | Mouser
https://www.mouser.com/ProductDetail/Ya ... TveA%3D%3D

I guessed at the wire sizes based upon the outside jacket sizes, matching some hook-up wire at digi-key. It did match quite a few samples in the same size, but nonetheless now I'm concerned that I guessed too high. The Volvo wiring diagram didn't list the wire size, unfortunately. Stay tuned, I'll let you know if I was close.

Roger
11 XC60 137k
08 V50 Project... Still in pieces
05 XC90 V8 213k
95 854T 350k Still my favorite daily driver
02 V70 186k+ Gave to my daughter, still going strong
03 S80 111k (crashed, but driver walked away unhurt)
93 945T 217k (gone to be parted out)
87 245 300k+ sold, still going afaik
84 264 Diesel, RIP at 160k
78 242 manual everything.
73 P1800ES, fun until the rust set in...

User avatar
Roger_850T
MVS Moderator
Posts: 351
Joined: 31 December 2013
Year and Model: 854T 1995
Location: Frederick MD
Been thanked: 26 times

Post by Roger_850T »

Follow up question here... As I have the intake all apart (again), I see a lot of oil in there. It looks like it's coming in through the PCV valve, and entering the upper plenum from there. I have been noticing higher oil consumption with the car, ~ 1/2 quart every 2500 miles - not terrible, but enough to consistently trigger the "oil level low" warning between oil changes.

I'm contemplating replacing the PCV valve, it's got ~67k miles on it, which is not high but not new.

Any thoughts on what would cause a lot of oil to come through the PCV valve and into the intake manifold? Anything else I should check while I'm in there?

Roger
11 XC60 137k
08 V50 Project... Still in pieces
05 XC90 V8 213k
95 854T 350k Still my favorite daily driver
02 V70 186k+ Gave to my daughter, still going strong
03 S80 111k (crashed, but driver walked away unhurt)
93 945T 217k (gone to be parted out)
87 245 300k+ sold, still going afaik
84 264 Diesel, RIP at 160k
78 242 manual everything.
73 P1800ES, fun until the rust set in...

User avatar
Roger_850T
MVS Moderator
Posts: 351
Joined: 31 December 2013
Year and Model: 854T 1995
Location: Frederick MD
Been thanked: 26 times

Post by Roger_850T »

Still working on this, still not fixed. I'm looking for suggestions.

The issue is that I get a MIL and code for "Misfire on Cylinder #1". From the ECM Freeze values, it always happens ~60-70 seconds after a cold start. If I clear the code at that point, it's fine for the rest of the day (while it's warm) with as many stops and starts as needed.

I tried swapping around spark plugs and coil packs, no change.

I replaced all the fuel injectors with different injectors. (Got a set from a salvage yard car, sent them to be cleaned and flow tested, all came back with a good report.) No change.

The radiator failed, so I fixed that.

The starter failed, so I fixed that, plus took some time to fix things.

- Radiator is new
- Starter is a used one from an ebay salvage shop (could not source rebuilt or new one)

Re-mounted all the injectors, with new Volvo O-Rings top and bottom, and making sure I installed the clips this time.

Re-built the wiring harness to coil #1, 6" new wire on all conductors (except ground, where I replaced it all the way to the adjacent grounding lug.) Brand new connector. Cleaned all the ground points around cylinder #1.

It's still doing it. I'm about out of ideas.

Any further suggestions?

Roger
11 XC60 137k
08 V50 Project... Still in pieces
05 XC90 V8 213k
95 854T 350k Still my favorite daily driver
02 V70 186k+ Gave to my daughter, still going strong
03 S80 111k (crashed, but driver walked away unhurt)
93 945T 217k (gone to be parted out)
87 245 300k+ sold, still going afaik
84 264 Diesel, RIP at 160k
78 242 manual everything.
73 P1800ES, fun until the rust set in...

chitownV
Posts: 296
Joined: 17 May 2020
Year and Model: 2008 XC90 3.2
Location: Maryland
Has thanked: 15 times
Been thanked: 40 times

Post by chitownV »

I'm throwing this out there, trying to see the patterns in your description.

One thing is when it happens, it always happens on a cold start and after about a minute or so. Even though it's happening on cylinder #1, it could be a bank issue. The O2 sensors may need to get warm and when it goes into closed loop, it adjusts the Air/Fuel for the bank of cylinders, but cylinder #1 is getting the misfire.

Also, when you are clearing the misfire, you are clearing all the codes plus the fuel trims. The misfire may come back after several cold starts and several hundred miles because it takes that long for the Long Term Fuel Trim to set.

I would observe both the O2 sensors, STFT, and LTFT (see if ready by emissions readiness). If you can, observe timing also. Get a more complete picture during the misfire event. It could be something vacuum related, like an intake manifold gasket leak from the lower gaskets that you mentioned are or were original before.

Did you end up changing the PCV with the kit, not just the valve?
2008 XC90 3.2 AWD - 169k miles, Premium, Versatility 7 passenger, Climate, Convenience, retrofit Morimoto D2S HID bi-xenon, iPd swaybars & poly bushing inserts, Powerflex poly control arm bushings, Bilstein Touring Fr struts, Continental CrossContact LX25 255/55R18, Fr Infinity tweeters & speakers, hardwired cheap $17 Bluetooth to center console aux & pwr, CQuartz UK 3.0 ceramic coated, no oil consumption using Mobil 1 0W-40 even w/ my lead foot

Post Reply
  • Similar Topics
    Replies
    Views
    Last post