Login Register

Another Car, Another Climate Issue. AC This Time. Topic is solved

Help, Advice and DIY Tutorials on Volvo's P80 platform cars -- Volvo's 1990s "bread and butter" cars -- powered by the ubiquitous and durable Volvo inline 5-cylinder engine.

1992 - 1997 850, including 850 R, 850 T-5R, 850 T-5, 850 GLT
1997 - 2000 S70, S70 AWD
1997 - 2000 V70, V70 AWD
1997 - 2000 V70-XC
1997 - 2004 C70

Post Reply
User avatar
V50M66
Posts: 278
Joined: 21 May 2023
Year and Model: 1998 V70 AWD
Location: New England
Has thanked: 26 times
Been thanked: 89 times

Another Car, Another Climate Issue. AC This Time.

Post by V50M66 »

About 8 months ago I picked up a new-to-me '98 V70 NA manual that I've been fixing up and modifying. Now that it's finally getting warm out, I've started to dig into the non-functional AC. For reference, this car has the simple MCC system, with manual everything and cable-driven blend doors.

When first filling the system, the compressor was cycling normally. It then stopped cycling a minute or so later, despite the system being nowhere near full. Here's what I've tested so far:

- High-side pressure switch tests as it should, and jumpering the connector does nothing
- The AC fuse tests good
- The AC relay bench tests good. I also swapped it for a known-good relay out of my other '98 with no change.
- If I jumper the relay socket in the fuse box with some wire, the compressor clicks on just fine and sounds good
- Testing for activation voltage at the relay in the fuse box, I only see 0.55V

I'm at a loss for what the problem could be. Anyone have any ideas?
1998 V70 AWD - Emerald Green/Tan - M56/Delta link swap, VAST tuned, lots of fun
1998 V70 NA - Nautic Blue/Charcoal - Factory M56/slicktop track car
2006 XC70 Ocean Race - workhorse
2002 S40 1.9T - daily

2004 XC70 - Mystic Silver/Black - former workhorse, parted
2005 V50 T5 M66 FWD - Black Stone/Black leather - former garage queen, sold

scot850
Posts: 14864
Joined: 5 April 2010
Year and Model: 2000 V70 R
Location: Calgary, Alberta, Canada
Has thanked: 1834 times
Been thanked: 1709 times

Post by scot850 »

Have you checked the clutch gap? There are specs for it and what is called the zip-tie/bread clip repair to shim it into spec.

I can't recall, but do MCC cars have the cabin temp monitors above the grab handles?

Neil.
2006 V70 2.5T AWD Polestar tune
2000 V70 R - still being an endless PITA
2006 XC70 - Our son now has this and still parked in our garage
2003 Toyota 4Runner V8 Limited
2015 Kia Sportage EX-L - Sold
1993 850 GLT -Sold
1998 V70 XC - Sold
1997 Volvo 850 SE NA - Went to niece in California - Sold
2000 V70 SE NA - Sold

User avatar
V50M66
Posts: 278
Joined: 21 May 2023
Year and Model: 1998 V70 AWD
Location: New England
Has thanked: 26 times
Been thanked: 89 times

Post by V50M66 »

Haven't checked the clutch gap, but that likely wouldn't be an issue here, as the compressor flat out refuses to click on under any circumstances. I'm not getting activation voltage at the relay.

It'll click on just fine if I jumper the relay to force 12v to the compressor, but refuses to do anything else otherwise since it's not sending 12v to click the relay on.

No temp sensors for MCC
1998 V70 AWD - Emerald Green/Tan - M56/Delta link swap, VAST tuned, lots of fun
1998 V70 NA - Nautic Blue/Charcoal - Factory M56/slicktop track car
2006 XC70 Ocean Race - workhorse
2002 S40 1.9T - daily

2004 XC70 - Mystic Silver/Black - former workhorse, parted
2005 V50 T5 M66 FWD - Black Stone/Black leather - former garage queen, sold

User avatar
abscate
MVS Moderator
Posts: 35267
Joined: 17 February 2013
Year and Model: 99: V70s S70s,05 V70
Location: Port Jefferson Long Island NY
Has thanked: 1497 times
Been thanked: 3809 times

Post by abscate »

I believe on the 1998 the AC command control comes from the MCC, in 1999 it comes from the ECu. There might be a chassis break change in the model year….gulp. Post up last six of your VIn and build date

You’ve. Only got a month of summer left, anyway.

🤣
Empty Nester
A Captain in a Sea of Estrogen
1999-V70-T5M56 2005-V70-M56 1999-S70 VW T4 XC90-in-Red
Link to Maintenance record thread

User avatar
V50M66
Posts: 278
Joined: 21 May 2023
Year and Model: 1998 V70 AWD
Location: New England
Has thanked: 26 times
Been thanked: 89 times

Post by V50M66 »

abscate wrote: 02 Jun 2025, 20:56 I believe on the 1998 the AC command control comes from the MCC, in 1999 it comes from the ECu. There might be a chassis break change in the model year….gulp. Post up last six of your VIn and build date

You’ve. Only got a month of summer left, anyway.

🤣
Funny enough, I actually started down this road because I was going to delete the AC. Got the delete belt and everything. Went to remove hardware, double checked there was no refrigerant in it first, and it was almost half full, so I figured there might be hope.

This is a very early ‘98. Built in early ‘97, and has the external slave, single-mass M56 in it. I believe the change to ECU-actuated AC compressors was for the changeover to ME7 engine management for the ‘99 model year.
1998 V70 AWD - Emerald Green/Tan - M56/Delta link swap, VAST tuned, lots of fun
1998 V70 NA - Nautic Blue/Charcoal - Factory M56/slicktop track car
2006 XC70 Ocean Race - workhorse
2002 S40 1.9T - daily

2004 XC70 - Mystic Silver/Black - former workhorse, parted
2005 V50 T5 M66 FWD - Black Stone/Black leather - former garage queen, sold

User avatar
V50M66
Posts: 278
Joined: 21 May 2023
Year and Model: 1998 V70 AWD
Location: New England
Has thanked: 26 times
Been thanked: 89 times

Post by V50M66 »

Replaced both high and low side pressure switches today with no change in behavior.

Tested for 12V at the high-side connector and it’s doing what it should, so no issues there.

Not sure where to proceed from here.
1998 V70 AWD - Emerald Green/Tan - M56/Delta link swap, VAST tuned, lots of fun
1998 V70 NA - Nautic Blue/Charcoal - Factory M56/slicktop track car
2006 XC70 Ocean Race - workhorse
2002 S40 1.9T - daily

2004 XC70 - Mystic Silver/Black - former workhorse, parted
2005 V50 T5 M66 FWD - Black Stone/Black leather - former garage queen, sold

User avatar
xanthefin
Posts: 444
Joined: 4 May 2019
Year and Model: 1997 850
Location: Pluto
Has thanked: 106 times
Been thanked: 130 times

Post by xanthefin »

Motronic M4.4 does know little bit of A/C status too in theory.

User avatar
abscate
MVS Moderator
Posts: 35267
Joined: 17 February 2013
Year and Model: 99: V70s S70s,05 V70
Location: Port Jefferson Long Island NY
Has thanked: 1497 times
Been thanked: 3809 times

Post by abscate »

Is the 12 volt command coming from the MCC module to the compressor clutch?
Empty Nester
A Captain in a Sea of Estrogen
1999-V70-T5M56 2005-V70-M56 1999-S70 VW T4 XC90-in-Red
Link to Maintenance record thread

User avatar
V50M66
Posts: 278
Joined: 21 May 2023
Year and Model: 1998 V70 AWD
Location: New England
Has thanked: 26 times
Been thanked: 89 times

Post by V50M66 »

abscate wrote: 04 Jun 2025, 04:03 Is the 12 volt command coming from the MCC module to the compressor clutch?
I'm not sure if there's a command coming from the MCC - I have no way of reading data from that module (the app only supports ECC, though VIDA makes no mention of being able to read it even with the VIS so perhaps MCC really is that archaic).

I do know I'm not seeing activation voltage at the relay, so something is preventing the signal from reaching the relay. It did work for about 30 seconds when first filling the system, but after that, nothing.
1998 V70 AWD - Emerald Green/Tan - M56/Delta link swap, VAST tuned, lots of fun
1998 V70 NA - Nautic Blue/Charcoal - Factory M56/slicktop track car
2006 XC70 Ocean Race - workhorse
2002 S40 1.9T - daily

2004 XC70 - Mystic Silver/Black - former workhorse, parted
2005 V50 T5 M66 FWD - Black Stone/Black leather - former garage queen, sold

User avatar
V50M66
Posts: 278
Joined: 21 May 2023
Year and Model: 1998 V70 AWD
Location: New England
Has thanked: 26 times
Been thanked: 89 times

Post by V50M66 »

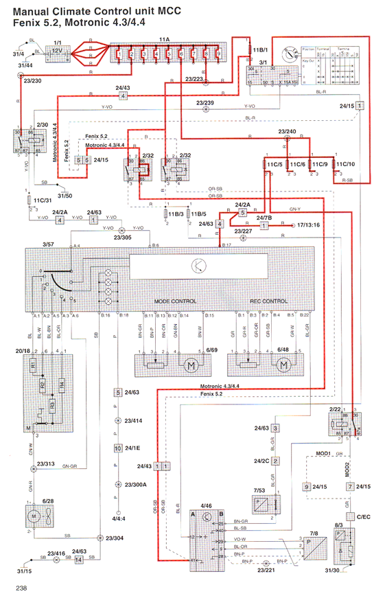
Replaced the MCC today, with no change. Not sure where to go from here. I did find the wiring diagram for the MCC system:
Screenshot 2025-06-05 204902.png
Screenshot 2025-06-05 204902.png (485.12 KiB) Viewed 861 times
...though I'm unsure what exactly I should be testing, if it should be seeing voltage, etc. Any electrical nerds have any ideas?
1998 V70 AWD - Emerald Green/Tan - M56/Delta link swap, VAST tuned, lots of fun
1998 V70 NA - Nautic Blue/Charcoal - Factory M56/slicktop track car
2006 XC70 Ocean Race - workhorse
2002 S40 1.9T - daily

2004 XC70 - Mystic Silver/Black - former workhorse, parted
2005 V50 T5 M66 FWD - Black Stone/Black leather - former garage queen, sold

Post Reply
  • Similar Topics
    Replies
    Views
    Last post