Login Register

2004 V70 2.5T Very nice...no window washer

Help, Advice, Owners' Discussion and DIY Tutorials on Volvo's stylish, distinctive P2 platform cars sold as model years 2001-2007 (North American market year designations).

2001 - 2007 V70
2001 - 2004 V70 XC (Cross Country)
2004 - 2007 XC70 (Cross Country)
2001 - 2009 S60
2003 - 2007 S60 R
2004 - 2007 V70 R

Post Reply
ScaleAutoArt
Posts: 22
Joined: 8 February 2014
Year and Model: 1998 V70
Location: United States

2004 V70 2.5T Very nice...no window washer

Post by ScaleAutoArt »

Great car, low miles [98K], very clean and much more power then my 98 NA.

Question...I have no window washer...pump doesn't run. Best way to troubleshoot?

User avatar
oragex
Posts: 5347
Joined: 24 May 2013
Year and Model: S60 2003
Location: Canada
Has thanked: 102 times
Been thanked: 352 times
Contact:

Post by oragex »

Panel fuse.

ScaleAutoArt
Posts: 22
Joined: 8 February 2014
Year and Model: 1998 V70
Location: United States

Post by ScaleAutoArt »

Not the fuses or relay....anyone tell me where the pump is so I can test it?

DGM
Posts: 459
Joined: 23 December 2010
Year and Model: V70 2.4i 2005
Location: Quebec, Canada
Been thanked: 3 times

Post by DGM »

ScaleAutoArt wrote:Not the fuses or relay....anyone tell me where the pump is so I can test it?
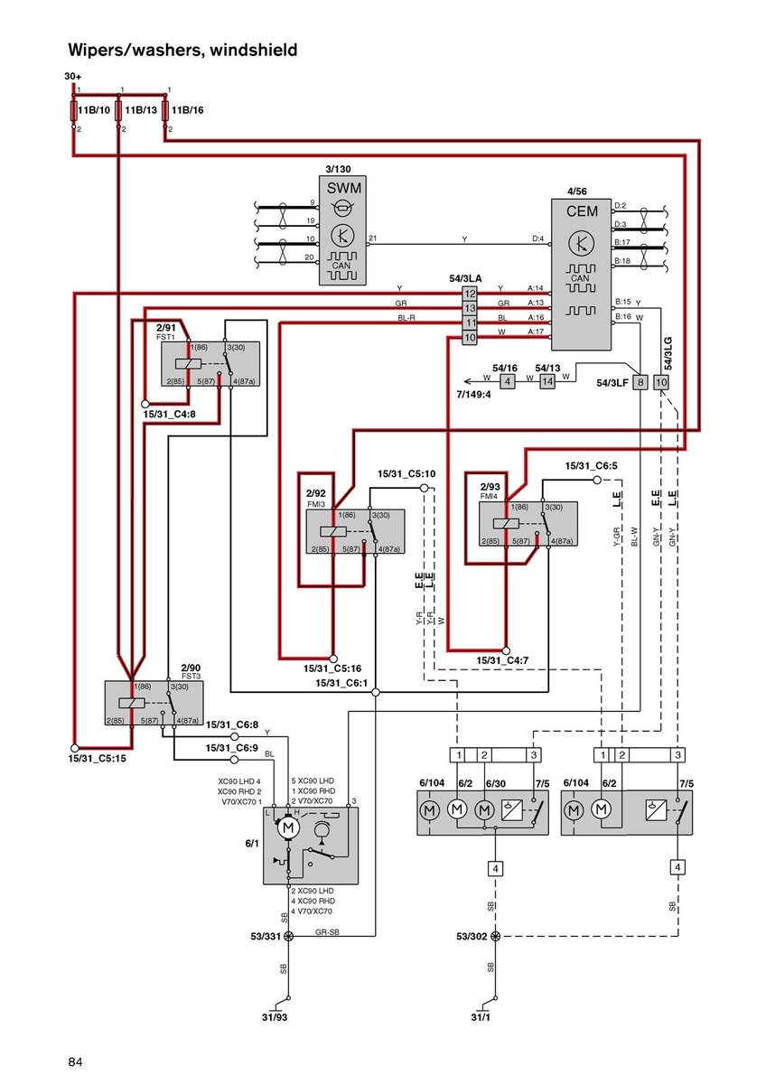
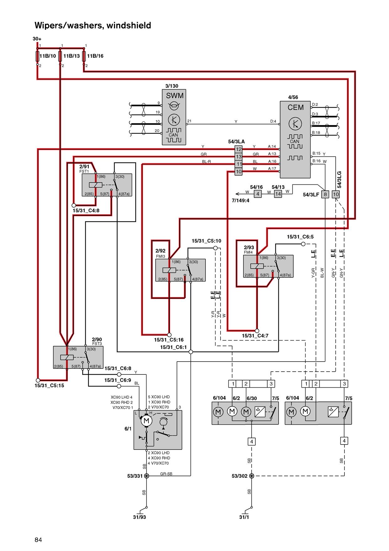
The pump (6/2) is under the tank on the right front corner. Fuse 11B/16 and relay FMI3 (2/92) are located in the engine compartment. The pump is shared by the headlights and the windshield washers. I found this for your car on the web. In the diagram, L.E indicates late edition and E.E early edition. If you remove FMI3 and jump pins 1(86) and 3(30) the pump should run.
Wipers-Washer-Winshield.jpg
Access is limited and sometimes the front bumber must be removed. Here is the procedure to follow;

https://www.matthewsvolvosite.com/forums ... =9&t=48672

Have fun,

:)
V70 2005 2.4i 195,000km, sold
S70 1998 T5 355,000km, sold
960 1994 80,000km, sold
760 1990 Turbo 265,000km, sold

Post Reply
  • Similar Topics
    Replies
    Views
    Last post