Keywords coil on plug pin assignments
Volvo part number 30713416
Quick post on troubleshooting the 'coil pack' system used on later P80 models - these cars have a coil over each cylinder and no distributor.
Removing coils - see pix below
Coil Pinouts and Measurements
1 Signal in from ECU ( coils re fired individually by the ECU grounding this pin)
2 Ground on trigger transistor
3 Ground on HV line
4 12 VDC supply.
I measured all pins INF Ohms on MOHM scale except
Pin 1-3 = 852 Ohms
1999- C/S/V70 Troubleshooting Coil 30713416 with ETM system ME7
- abscate
- MVS Moderator
- Posts: 35267
- Joined: 17 February 2013
- Year and Model: 99: V70s S70s,05 V70
- Location: Port Jefferson Long Island NY
- Has thanked: 1497 times
- Been thanked: 3809 times
1999- C/S/V70 Troubleshooting Coil 30713416 with ETM system ME7
- Attachments
Empty Nester
A Captain in a Sea of Estrogen
1999-V70-T5M56 2005-V70-M56 1999-S70 VW T4 XC90-in-Red
Link to Maintenance record thread
A Captain in a Sea of Estrogen
1999-V70-T5M56 2005-V70-M56 1999-S70 VW T4 XC90-in-Red
Link to Maintenance record thread
- abscate
- MVS Moderator
- Posts: 35267
- Joined: 17 February 2013
- Year and Model: 99: V70s S70s,05 V70
- Location: Port Jefferson Long Island NY
- Has thanked: 1497 times
- Been thanked: 3809 times
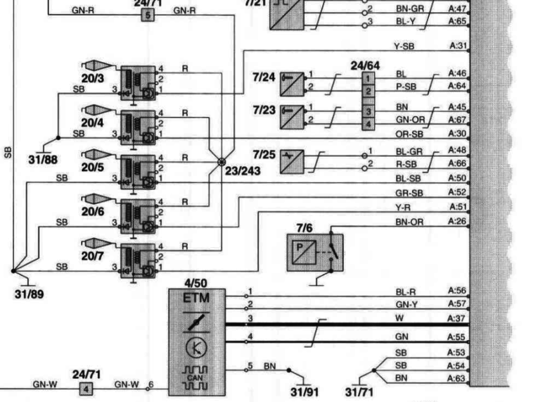
View of the coil system on ME7 cars
Coils are always 12 VDC hot to pin 4 when Ignition is on.
ECU grounds coil on command at pin 1 for each coil independently.
Its important to have the M6 (10 mm) bolt tight to ground these well.
Coils are always 12 VDC hot to pin 4 when Ignition is on.
ECU grounds coil on command at pin 1 for each coil independently.
Its important to have the M6 (10 mm) bolt tight to ground these well.
Empty Nester
A Captain in a Sea of Estrogen
1999-V70-T5M56 2005-V70-M56 1999-S70 VW T4 XC90-in-Red
Link to Maintenance record thread
A Captain in a Sea of Estrogen
1999-V70-T5M56 2005-V70-M56 1999-S70 VW T4 XC90-in-Red
Link to Maintenance record thread
-
Kazthebassman
- Posts: 74
- Joined: 19 October 2012
- Year and Model: C70 1999
- Location: USA NJ
- Has thanked: 2 times
Can anyone tell me where pin 5 on the ETM terminates. I know it is at ground potential with ignition on but I would like to know where it actually lands. It appears the ECM may be turning on the ETM by supplying ground to pin 5 of the ETM.
I see it's destination is designated "31/91" on this diagram. My problem is intermittent so simple voltage measurements may not suffice.
I see it's destination is designated "31/91" on this diagram. My problem is intermittent so simple voltage measurements may not suffice.
- abscate
- MVS Moderator
- Posts: 35267
- Joined: 17 February 2013
- Year and Model: 99: V70s S70s,05 V70
- Location: Port Jefferson Long Island NY
- Has thanked: 1497 times
- Been thanked: 3809 times
31/91 is the designation for the connector for pin 5 ETM. Note on your car the connector will be buried under the intake manifold, not on the back left as indicated on the diagrams.
I think that is as permanent ground and Is not switched by the ETM
I think that is as permanent ground and Is not switched by the ETM
Empty Nester
A Captain in a Sea of Estrogen
1999-V70-T5M56 2005-V70-M56 1999-S70 VW T4 XC90-in-Red
Link to Maintenance record thread
A Captain in a Sea of Estrogen
1999-V70-T5M56 2005-V70-M56 1999-S70 VW T4 XC90-in-Red
Link to Maintenance record thread
- abscate
- MVS Moderator
- Posts: 35267
- Joined: 17 February 2013
- Year and Model: 99: V70s S70s,05 V70
- Location: Port Jefferson Long Island NY
- Has thanked: 1497 times
- Been thanked: 3809 times
Adding Complete circuit per Alldata to complete info
Empty Nester
A Captain in a Sea of Estrogen
1999-V70-T5M56 2005-V70-M56 1999-S70 VW T4 XC90-in-Red
Link to Maintenance record thread
A Captain in a Sea of Estrogen
1999-V70-T5M56 2005-V70-M56 1999-S70 VW T4 XC90-in-Red
Link to Maintenance record thread
-
- Similar Topics
- Replies
- Views
- Last post






