Login Register

2005 v70r NA stalled and won't retart, fuel pump?

Help, Advice, Owners' Discussion and DIY Tutorials on Volvo's stylish, distinctive P2 platform cars sold as model years 2001-2007 (North American market year designations).

2001 - 2007 V70
2001 - 2004 V70 XC (Cross Country)
2004 - 2007 XC70 (Cross Country)
2001 - 2009 S60
2003 - 2007 S60 R
2004 - 2007 V70 R

Post Reply
view836
Posts: 11
Joined: 7 April 2016
Year and Model: 2005
Location: Ontario, Canada

2005 v70r NA stalled and won't retart, fuel pump?

Post by view836 »

Sorry for cross posting to v70r. com and here but I'm really stuck and hope someone can help me out. I'm outside a small town in Georgia a long way from the nearest dealer (and several thousand kms from home).

vehicle stalled after running a few minutes at idle, I was just running it to charge a phone for a bit. won't restart, turns over fine but won't start. can't hear fuel pump when ignition is turned on. pulled codes with bsr tool with ignition turned to on position, get ecm 2900 fuel pressure control valve and and &ecm 290D fuel pressure codes.



can't find the fuel of relay to check.



what can I do from here? want to avoid a hundred mile tow. knowing location of the pump relay would be a good start. also is the pump itself on the passenger side or driver side? so I can check voltage at the pump?

User avatar
abscate  
MVS Moderator
Posts: 35296
Joined: 17 February 2013
Year and Model: 99: V70s S70s,05 V70
Location: Port Jefferson Long Island NY
Has thanked: 1504 times
Been thanked: 3817 times

Post by abscate »

I've got info on my 2005 but can you get an R as an NA?

Stand by
Empty Nester
A Captain in a Sea of Estrogen
1999-V70-T5M56 2005-V70-M56 1999-S70 VW T4 XC90-in-Red
Link to Maintenance record thread

User avatar
abscate  
MVS Moderator
Posts: 35296
Joined: 17 February 2013
Year and Model: 99: V70s S70s,05 V70
Location: Port Jefferson Long Island NY
Has thanked: 1504 times
Been thanked: 3817 times

Post by abscate »

Main fuel relay 2005 NA
Main fuel relay 2005 NA
Under hood
Empty Nester
A Captain in a Sea of Estrogen
1999-V70-T5M56 2005-V70-M56 1999-S70 VW T4 XC90-in-Red
Link to Maintenance record thread

User avatar
abscate  
MVS Moderator
Posts: 35296
Joined: 17 February 2013
Year and Model: 99: V70s S70s,05 V70
Location: Port Jefferson Long Island NY
Has thanked: 1504 times
Been thanked: 3817 times

Post by abscate »

Check the help forum to see if there is someone nearby, too...good luck!
Empty Nester
A Captain in a Sea of Estrogen
1999-V70-T5M56 2005-V70-M56 1999-S70 VW T4 XC90-in-Red
Link to Maintenance record thread

view836
Posts: 11
Joined: 7 April 2016
Year and Model: 2005
Location: Ontario, Canada

Post by view836 »

that relay spot is empty. found a diagram on the back side of the cover that seems to indicate it's underneath, but access appear to involve unscrewing and removing the power lead?

after sitting a couple hours the fuel pump now runs when I turn on the ignition and it starts immediately, runs for 5 to 15 seconds then the motor cuts out.

I also have a code for Antena ring. it if it was that shouldn't the starter motor not run and wouldn't there be a message? I suppose fuel filter is a possibility, though prior to parking it for a day there had been zero drivavility issues even at full throttle.

view836
Posts: 11
Joined: 7 April 2016
Year and Model: 2005
Location: Ontario, Canada

Post by view836 »

relays
relays
that relay spot is empty. found a diagram on the back side of the cover that seems to indicate it's underneath, but access appear to involve unscrewing and removing the power lead?

after sitting a couple hours the fuel pump now runs when I turn on the ignition and it starts immediately, runs for 5 to 15 seconds then the motor cuts out.

I also have a code for Antena ring. it if it was that shouldn't the starter motor not run and wouldn't there be a message? I suppose fuel filter is a possibility, though prior to parking it for a day there had been zero drivavility issues even at full throttle.
DSC_2772.JPG

User avatar
abscate  
MVS Moderator
Posts: 35296
Joined: 17 February 2013
Year and Model: 99: V70s S70s,05 V70
Location: Port Jefferson Long Island NY
Has thanked: 1504 times
Been thanked: 3817 times

Post by abscate »

On my P80 there are fuses and relays underneath the main fuse box including the fuel relay.

That diagram I posted was for my 2005 NA so it might be different.

I believe the P2 immobiliser inhibits engine management, not starting, so your immobiliser could be the problem if it starts, runs, and stalls.

Check fuel pressure at rail to rule out fuel pump relay and pump issues.

VIDA will tell you if the immobiliser is acting up
Empty Nester
A Captain in a Sea of Estrogen
1999-V70-T5M56 2005-V70-M56 1999-S70 VW T4 XC90-in-Red
Link to Maintenance record thread

view836
Posts: 11
Joined: 7 April 2016
Year and Model: 2005
Location: Ontario, Canada

Post by view836 »

each time I restart it runs a shorter and shorter period if time, I cleared the codes and the fuel codes are gone but I m now getting EMC 926c and a display message saying engine service is required.

User avatar
oragex
Posts: 5347
Joined: 24 May 2013
Year and Model: S60 2003
Location: Canada
Has thanked: 102 times
Been thanked: 352 times
Contact:

Post by oragex »

Were you having similar issues before? I think a fuel pump just doesn't give up all of a sudden. The pump relay on my metal tank is located on the right side just above the tank, it's accessible from the side of the car, and known to rust and fail.

I would rather look into the antenna ring. It will throw the message for a while, then it will stop working. Not hard to replace. To me it looks like the antenna it's cutting the fuel delivery. But I might be wrong.

DGM
Posts: 459
Joined: 23 December 2010
Year and Model: V70 2.4i 2005
Location: Quebec, Canada
Been thanked: 3 times

Post by DGM »

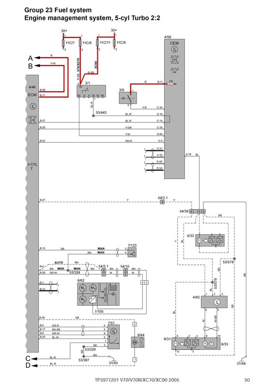
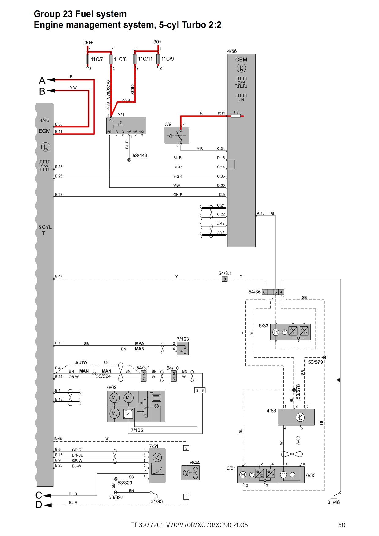
For 2005 if it is a turbo engine as per diagram there is no fuel pump relay. The car is equipped with a fuel pump control module that regulates the speed of the pump. 4/83 on the diagram. These modules are notorious to become intermittent at this age. As abscate mentioned look at the fuel pressure at the end of fuel rail (55psi). If intermittent I would highly suspect this module. The module is located close to the filter in the right rear wheel arch. Also some could have been relocated in the spare tire compartment. Hopes this help.
Fuel diagram v70 turbo 2005.jpg
If you can access the fuel pump module 4/83 (PEM), remove it and shake it close to your ear to see if you can hear loose particles. Components inside break-off when they fried. Also inspect the connector for corrosion.

Finally look at this thread for information even though it is for a NA application (steel tank).

https://www.matthewsvolvosite.com/forums ... 57#p390357

If it is the problem you can replace by a used one in the interim (almost any Volvo module will do) and later by;

http://xemodex.com/us/product/pump-elec ... for-volvo/

Could you specify if your car is a V70R or a V70 Normally Aspirated ?The location of the PEM is different depending if the car is equipped with a plastic tank or steel tank.
V70 2005 2.4i 195,000km, sold
S70 1998 T5 355,000km, sold
960 1994 80,000km, sold
760 1990 Turbo 265,000km, sold

Post Reply
  • Similar Topics
    Replies
    Views
    Last post