2004 XC90 NO brake lights
-
Leesplus14
- Posts: 2
- Joined: 19 February 2022
- Year and Model: 2004 XC90
- Location: NC
2004 XC90 NO brake lights
Good evening everyone. I just purchased an 04 XC90 with 168k miles. Recently replaced battery before we purchased it, has no brake lights at all. We have replaced the relay, third brake light, all bulbs are good, all fuses are good. Any other ideas?
- Krons
- Posts: 1068
- Joined: 9 January 2022
- Year and Model: 08S60 05XC90 02S60
- Location: Des Moines, IA
- Has thanked: 193 times
- Been thanked: 202 times
I'd chase the voltage...any power at the relay? Possible replacement relay is bad.
08 S602.5T/05 XC902.5T/02 S602.4T
08 C702.5T (sold)
05 S402.4i (RIP, timing belt failure)
The non-Swedes:
25 Mazda MX-5 / 17 Frontier Pro-4X / 17 Ford Focus
17 R1200GS / 15 Versys 1000 / 11 DR-Z400S / 07 R1200GSA
08 C702.5T (sold)
05 S402.4i (RIP, timing belt failure)
The non-Swedes:
25 Mazda MX-5 / 17 Frontier Pro-4X / 17 Ford Focus
17 R1200GS / 15 Versys 1000 / 11 DR-Z400S / 07 R1200GSA
- Krons
- Posts: 1068
- Joined: 9 January 2022
- Year and Model: 08S60 05XC90 02S60
- Location: Des Moines, IA
- Has thanked: 193 times
- Been thanked: 202 times
Worth reading this:
viewtopic.php?t=99455
viewtopic.php?t=99455
08 S602.5T/05 XC902.5T/02 S602.4T
08 C702.5T (sold)
05 S402.4i (RIP, timing belt failure)
The non-Swedes:
25 Mazda MX-5 / 17 Frontier Pro-4X / 17 Ford Focus
17 R1200GS / 15 Versys 1000 / 11 DR-Z400S / 07 R1200GSA
08 C702.5T (sold)
05 S402.4i (RIP, timing belt failure)
The non-Swedes:
25 Mazda MX-5 / 17 Frontier Pro-4X / 17 Ford Focus
17 R1200GS / 15 Versys 1000 / 11 DR-Z400S / 07 R1200GSA
-
Leesplus14
- Posts: 2
- Joined: 19 February 2022
- Year and Model: 2004 XC90
- Location: NC
-
MARCUSBUTZIN
- Posts: 2
- Joined: 16 April 2022
- Year and Model: 2011 Volvo XC90
- Location: Houston Texas
2011 XC90 I have third brake light (upper center ) working but not either side. Is the relay on the left corner interior? Does anyone know if there is a brake light relay under the hood? Advise please!
- ggleavitt
- Posts: 740
- Joined: 4 June 2006
- Year and Model: 06,08 XC90 V8
- Location: Camano
- Has thanked: 23 times
- Been thanked: 125 times
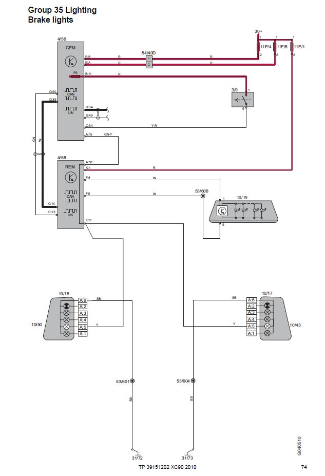
See the attached. Center brake light (10/19) is powered via REM and it's an LED light bar of sorts with a transistor on the input for switching. F2 is the fuse on the REM, manages more than just this light (see owners manual https://volvo.custhelp.com/app/manuals/ ... model/XC90 for detail).
The REM is in the left rear of the cargo compartment, you'll need to remove the rear corner floor triangle shaped insert and pull the fascia panel to see it.
The REM is in the left rear of the cargo compartment, you'll need to remove the rear corner floor triangle shaped insert and pull the fascia panel to see it.
2006 V8 Ocean Race #740/800 200k, 2008 V8 Sport 183k
-
chitownV
- Posts: 296
- Joined: 17 May 2020
- Year and Model: 2008 XC90 3.2
- Location: Maryland
- Has thanked: 15 times
- Been thanked: 40 times
Wonder if the original poster got this diagnosed or resolved seeing it’s all brake lights.Leesplus14 wrote: ↑19 Feb 2022, 17:04We have power at the relay and have replaced the relay with two separate new relays, still nothing. Brake switch has been replaced as well.
Do the parking lights work or are they also out? What about reverse lights?
2008 XC90 3.2 AWD - 169k miles, Premium, Versatility 7 passenger, Climate, Convenience, retrofit Morimoto D2S HID bi-xenon, iPd swaybars & poly bushing inserts, Powerflex poly control arm bushings, Bilstein Touring Fr struts, Continental CrossContact LX25 255/55R18, Fr Infinity tweeters & speakers, hardwired cheap $17 Bluetooth to center console aux & pwr, CQuartz UK 3.0 ceramic coated, no oil consumption using Mobil 1 0W-40 even w/ my lead foot
-
MARCUSBUTZIN
- Posts: 2
- Joined: 16 April 2022
- Year and Model: 2011 Volvo XC90
- Location: Houston Texas
Location of the relay please, I have a 2011 with only the center section up working (3 rd brake light ) is the relay under the hood? I looked at the small circuit board in the left rear corner ( the baggage area, trunk if you will ).
- ggleavitt
- Posts: 740
- Joined: 4 June 2006
- Year and Model: 06,08 XC90 V8
- Location: Camano
- Has thanked: 23 times
- Been thanked: 125 times
My bad, got it reversed, the center light works but not sides. The block assembly in the left rear corner is your Rear Electronics Module (REM) as noted in the drawing above.
You'll want what's likely the Field Effect Transistor (FET) responsible for triggering voltage to REM B:3 in the diagram above. I won't have a component layout for the REM that gets to a component level and I'm not sure who else will.
Why not try to see if you get voltage on fuse 30 in the REM block. If you do then trace from the light socket center pins to the REM pin B:3 with an ohmmeter and a dead vehicle all the way to the light sockets, see if it's wiring. I understand the relay thing but there have not been wholesale relays on these modules since MY05 as I am aware (original poster had a MY04).
I might keep the troubleshooting basic for a start, see how far you get with voltage and fuse/wiring continuity. No way to read your vehicle with something that understands Volvo codes?
You'll want what's likely the Field Effect Transistor (FET) responsible for triggering voltage to REM B:3 in the diagram above. I won't have a component layout for the REM that gets to a component level and I'm not sure who else will.
Why not try to see if you get voltage on fuse 30 in the REM block. If you do then trace from the light socket center pins to the REM pin B:3 with an ohmmeter and a dead vehicle all the way to the light sockets, see if it's wiring. I understand the relay thing but there have not been wholesale relays on these modules since MY05 as I am aware (original poster had a MY04).
I might keep the troubleshooting basic for a start, see how far you get with voltage and fuse/wiring continuity. No way to read your vehicle with something that understands Volvo codes?
2006 V8 Ocean Race #740/800 200k, 2008 V8 Sport 183k
- ggleavitt
- Posts: 740
- Joined: 4 June 2006
- Year and Model: 06,08 XC90 V8
- Location: Camano
- Has thanked: 23 times
- Been thanked: 125 times
Going to add to this, it's maybe not so simple as I described earlier now that I've had a closer look at VIDA (and the drawing that I posted). The Central Electronic Module (CEM) controls the side lights via the brake switch and passes 12V directly to the REM where the output to the side brake lights occurs. It's the Green/Yellow (GN-Y) single wire that connects from A:15 on the CEM to A:18 on the REM in the drawing.
I would still do basic troubleshooting of the brake switch, the REM fuse, and the Solid Yellow (Y) conductor wire path from the REM to the lights themselves but if your issue is the CEM not triggering the REM or an internal REM thing, you'll need to get something connected to your vehicle to really troubleshoot it.
I would still do basic troubleshooting of the brake switch, the REM fuse, and the Solid Yellow (Y) conductor wire path from the REM to the lights themselves but if your issue is the CEM not triggering the REM or an internal REM thing, you'll need to get something connected to your vehicle to really troubleshoot it.
2006 V8 Ocean Race #740/800 200k, 2008 V8 Sport 183k
-
- Similar Topics
- Replies
- Views
- Last post






