1999 V70XC.
I'd like to test if the fuel pressure regulator is stuck open and bleeding off pressure through the bypass/or return line. I've seen pictures of the return line and it looks like it's mostly metal with some segments of rubber (which might have nylon inside). Where can I safely pinch this bypass/return line without damaging anything? Any other option for temporarily blocking off the return circuit so I can test fuel pressure?
1999 V70XC Fuel Pressure Regulator Return Line Pinch Point
- abscate
- MVS Moderator
- Posts: 35288
- Joined: 17 February 2013
- Year and Model: 99: V70s S70s,05 V70
- Location: Port Jefferson Long Island NY
- Has thanked: 1502 times
- Been thanked: 3817 times
Well it is buried on top of the rear axle so it isn’t going to be easy to do that
Just use the pressure tester on the fuel rail and look for > 50 psi
Just use the pressure tester on the fuel rail and look for > 50 psi
Empty Nester
A Captain in a Sea of Estrogen
1999-V70-T5M56 2005-V70-M56 1999-S70 VW T4 XC90-in-Red
Link to Maintenance record thread
A Captain in a Sea of Estrogen
1999-V70-T5M56 2005-V70-M56 1999-S70 VW T4 XC90-in-Red
Link to Maintenance record thread
-
rrres
- Posts: 114
- Joined: 24 March 2022
- Year and Model: 1999 v70XC
- Location: So CA
- Has thanked: 10 times
- Been thanked: 26 times
I get 51-52 psi at the fuel rail.
I'm trying to diagnose a "pressure bleed off to 0 when fuel pump shuts off". It is a quick pressure bleed off: goes to 0 in a couple of seconds after the pump shuts off.
To eliminate leaking injectors, I've disconnected the fuel rail quick connect and hooked up my gauge to the fuel supply. I turned the key to II and the pump primed. The pressure went up to about 40 psi but immediately dropped to 0. Bleed off must then be happening before the fuel rail.
I replaced the fuel pump but the pressure still drops to 0 immediately after the pump stops running.
The only other place I can see where fuel can bleed off is the fpr bypass/return line. That's what I would like to test. Maybe the diaphragm is in good condition and working properly, which is the reason why the fuel pressure is within spec? But when the engine is not running, the disk inside the fpr that closes the port for the return is not seating properly, thus letting fuel to bleed off.
If i lower the tank again, can I pinch off nylon lines? or would that crack them? I guess I can lower the tank and disconnect the fuel return line going into the driver side sending unit. Place a bottle at the end of it and prime the fuel pump.
I'm trying to diagnose a "pressure bleed off to 0 when fuel pump shuts off". It is a quick pressure bleed off: goes to 0 in a couple of seconds after the pump shuts off.
To eliminate leaking injectors, I've disconnected the fuel rail quick connect and hooked up my gauge to the fuel supply. I turned the key to II and the pump primed. The pressure went up to about 40 psi but immediately dropped to 0. Bleed off must then be happening before the fuel rail.
I replaced the fuel pump but the pressure still drops to 0 immediately after the pump stops running.
The only other place I can see where fuel can bleed off is the fpr bypass/return line. That's what I would like to test. Maybe the diaphragm is in good condition and working properly, which is the reason why the fuel pressure is within spec? But when the engine is not running, the disk inside the fpr that closes the port for the return is not seating properly, thus letting fuel to bleed off.
If i lower the tank again, can I pinch off nylon lines? or would that crack them? I guess I can lower the tank and disconnect the fuel return line going into the driver side sending unit. Place a bottle at the end of it and prime the fuel pump.
It's blowby
-
rrres
- Posts: 114
- Joined: 24 March 2022
- Year and Model: 1999 v70XC
- Location: So CA
- Has thanked: 10 times
- Been thanked: 26 times
Just to follow up for those interested. It wasn't necessary to to pinch any of the fuel lines in order to pressure test the fuel pressure regulator. I simply disconnected the inlet line from the fuel filter and attached a fuel pressure gauge at the filter nipple. I then added low pressure air via the schrader valve at the fuel rail. This setup eliminates the fuel pump from the circuit and will just pressure test the injectors and the regulator. When I added air pressure, it held the pressure, so fpr and injectors are good.
I put back the inlet line to the fuel filter and then removed the outlet line. I connected my pressure tester gauge to the fuel filter outlet. This should now test everything downstream of the fuel filter. I pumped air through the schrader valve behind the rear-passenger tire and I could hear bubbling sound in the tank near the pump.
So the pump assembly is leaking...But its a new pump!...That I'd just installed a week ago. Actually, I only replaced the pump motor inside the sending unit case. The sending looked like a recent replacement.
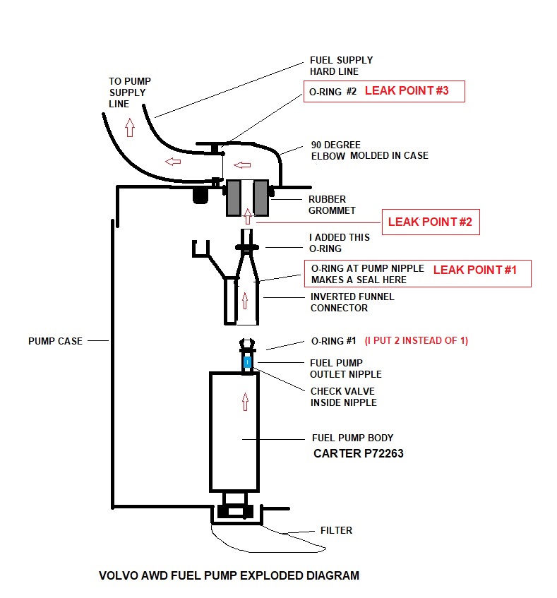
So today, I pulled the pump for the third time to investigate where it is leaking in the pump assembly. It can't be the built-in check valve since the pump motor is new. I realized, there are three other places that are potential leak points, upstream from the fuel pump check valve. First, there's the small, plastic, inverted funnel-looking piece that goes over the fuel pump motor outlet. There is an o-ring that seals the connection between those. Second, the small plastic funnel thing inserts into the a rubber grommet. Third, The rubber grommet mates the hard metal fuel supply line. I believe there is also an o-ring where the metal line meets the plastic body of the sending unit.
So those are the three other points, past the check valve, where fuel pressure can be released, if leaking.
I dunked my whole pump in a bucket of water and blew air through fuel supply line and found that the leak is at both ends of the plastic inverted funnel piece. I replaced and doubled up the existing o-rings. After adding o-rings, i did the dunk test again and when I blew through the fuel supply line, I felt resistance and did not see any bubbles.
Installed the pump and the whole fuel system is no longer dropping to 0 PSI in a matter of seconds. It actually holds pressure now.
:)
Moral of the story, it is not necessarily the check valve.
Tomorrow morning, I will see if there is still the hard starting or if it's fixed.
I put back the inlet line to the fuel filter and then removed the outlet line. I connected my pressure tester gauge to the fuel filter outlet. This should now test everything downstream of the fuel filter. I pumped air through the schrader valve behind the rear-passenger tire and I could hear bubbling sound in the tank near the pump.
So the pump assembly is leaking...But its a new pump!...That I'd just installed a week ago. Actually, I only replaced the pump motor inside the sending unit case. The sending looked like a recent replacement.
So today, I pulled the pump for the third time to investigate where it is leaking in the pump assembly. It can't be the built-in check valve since the pump motor is new. I realized, there are three other places that are potential leak points, upstream from the fuel pump check valve. First, there's the small, plastic, inverted funnel-looking piece that goes over the fuel pump motor outlet. There is an o-ring that seals the connection between those. Second, the small plastic funnel thing inserts into the a rubber grommet. Third, The rubber grommet mates the hard metal fuel supply line. I believe there is also an o-ring where the metal line meets the plastic body of the sending unit.
So those are the three other points, past the check valve, where fuel pressure can be released, if leaking.
I dunked my whole pump in a bucket of water and blew air through fuel supply line and found that the leak is at both ends of the plastic inverted funnel piece. I replaced and doubled up the existing o-rings. After adding o-rings, i did the dunk test again and when I blew through the fuel supply line, I felt resistance and did not see any bubbles.
Installed the pump and the whole fuel system is no longer dropping to 0 PSI in a matter of seconds. It actually holds pressure now.
Moral of the story, it is not necessarily the check valve.
Tomorrow morning, I will see if there is still the hard starting or if it's fixed.
It's blowby
- abscate
- MVS Moderator
- Posts: 35288
- Joined: 17 February 2013
- Year and Model: 99: V70s S70s,05 V70
- Location: Port Jefferson Long Island NY
- Has thanked: 1502 times
- Been thanked: 3817 times
Congratulations on getting to root cause. What brand and source fuel pump did you use?
Pictures would round out this thread perfectly.
Pictures would round out this thread perfectly.
Empty Nester
A Captain in a Sea of Estrogen
1999-V70-T5M56 2005-V70-M56 1999-S70 VW T4 XC90-in-Red
Link to Maintenance record thread
A Captain in a Sea of Estrogen
1999-V70-T5M56 2005-V70-M56 1999-S70 VW T4 XC90-in-Red
Link to Maintenance record thread
-
rrres
- Posts: 114
- Joined: 24 March 2022
- Year and Model: 1999 v70XC
- Location: So CA
- Has thanked: 10 times
- Been thanked: 26 times
I used Carter P72263 from Rockauto. It was about $60.
Started the car this morning and so far so good: no more stumbling and misfires during the first minute or so. When I shut down the engine, I pressed the schrader valve at the rail and fuel shot out...So, I didn't bother doing another fuel pressure test.
The fuel pump case and sending unit was fairly new so I only replaced the motor. The main problem was that the o-rings shrink and harden, losing seal.
Here's a diagram of the assembly and actual pictures of the pump nipple and tube conenctor.
Started the car this morning and so far so good: no more stumbling and misfires during the first minute or so. When I shut down the engine, I pressed the schrader valve at the rail and fuel shot out...So, I didn't bother doing another fuel pressure test.
The fuel pump case and sending unit was fairly new so I only replaced the motor. The main problem was that the o-rings shrink and harden, losing seal.
Here's a diagram of the assembly and actual pictures of the pump nipple and tube conenctor.
It's blowby
- abscate
- MVS Moderator
- Posts: 35288
- Joined: 17 February 2013
- Year and Model: 99: V70s S70s,05 V70
- Location: Port Jefferson Long Island NY
- Has thanked: 1502 times
- Been thanked: 3817 times
Awesome follow up and pictures, we appreciate it.
Empty Nester
A Captain in a Sea of Estrogen
1999-V70-T5M56 2005-V70-M56 1999-S70 VW T4 XC90-in-Red
Link to Maintenance record thread
A Captain in a Sea of Estrogen
1999-V70-T5M56 2005-V70-M56 1999-S70 VW T4 XC90-in-Red
Link to Maintenance record thread
- abscate
- MVS Moderator
- Posts: 35288
- Joined: 17 February 2013
- Year and Model: 99: V70s S70s,05 V70
- Location: Port Jefferson Long Island NY
- Has thanked: 1502 times
- Been thanked: 3817 times
I unsuccessfully hunted for a thread on this but wanted to add to the knowledge base on the P80 AWD (XC, AWD, R?) fuel pressure regulation (FPR)
In 1999 model year the FPR moved the back, it’s in front of the fuel filter on FWD cars, and on top of the tank onAWD cars. Now you wonder, how did Volvo get the vacuum signal back to the FPR to regulate fuel pressure ? The answer is they didn’t, they use a T off the evaporator purge line, and apparently use software in the ECU to open the purge valve enough to give vacuum signal. I know this was discussed here before but I can’t find that thread.
I can’t find the 1999 FPR in the Volvo parts webstore diagrams either. I’m sure it’s an NLA part.
Note on the AWD cars, the excess fuel pressure is bled over to the ejector pump to extract fuel from left to right tank, on FWD cars it just returns ti the tank
In 1999 model year the FPR moved the back, it’s in front of the fuel filter on FWD cars, and on top of the tank onAWD cars. Now you wonder, how did Volvo get the vacuum signal back to the FPR to regulate fuel pressure ? The answer is they didn’t, they use a T off the evaporator purge line, and apparently use software in the ECU to open the purge valve enough to give vacuum signal. I know this was discussed here before but I can’t find that thread.
I can’t find the 1999 FPR in the Volvo parts webstore diagrams either. I’m sure it’s an NLA part.
Note on the AWD cars, the excess fuel pressure is bled over to the ejector pump to extract fuel from left to right tank, on FWD cars it just returns ti the tank
Empty Nester
A Captain in a Sea of Estrogen
1999-V70-T5M56 2005-V70-M56 1999-S70 VW T4 XC90-in-Red
Link to Maintenance record thread
A Captain in a Sea of Estrogen
1999-V70-T5M56 2005-V70-M56 1999-S70 VW T4 XC90-in-Red
Link to Maintenance record thread
-
scot850
- Posts: 14880
- Joined: 5 April 2010
- Year and Model: 2000 V70 R
- Location: Calgary, Alberta, Canada
- Has thanked: 1846 times
- Been thanked: 1710 times
The fpr was sold as part of the fuel line. I don't think it was sold as a separate part, but up may be wrong on that. It was not sold by itself 6-7 years ago when I bought new fuel lines. Naturally the fuel lines are now also NLA.
Neil.
Neil.
2006 V70 2.5T AWD Polestar tune
2000 V70 R - still being an endless PITA
2006 XC70 - Our son now has this and still parked in our garage
2003 Toyota 4Runner V8 Limited
2015 Kia Sportage EX-L - Sold
1993 850 GLT -Sold
1998 V70 XC - Sold
1997 Volvo 850 SE NA - Went to niece in California - Sold
2000 V70 SE NA - Sold
2000 V70 R - still being an endless PITA
2006 XC70 - Our son now has this and still parked in our garage
2003 Toyota 4Runner V8 Limited
2015 Kia Sportage EX-L - Sold
1993 850 GLT -Sold
1998 V70 XC - Sold
1997 Volvo 850 SE NA - Went to niece in California - Sold
2000 V70 SE NA - Sold
- abscate
- MVS Moderator
- Posts: 35288
- Joined: 17 February 2013
- Year and Model: 99: V70s S70s,05 V70
- Location: Port Jefferson Long Island NY
- Has thanked: 1502 times
- Been thanked: 3817 times
I found it in this diagram, no part number given for either the FPR or line
No. 15 and 17
No. 15 and 17
- Attachments
-
- 02A3D111-342D-4FEB-8FCA-884540730CF4.png (384.56 KiB) Viewed 663 times
Empty Nester
A Captain in a Sea of Estrogen
1999-V70-T5M56 2005-V70-M56 1999-S70 VW T4 XC90-in-Red
Link to Maintenance record thread
A Captain in a Sea of Estrogen
1999-V70-T5M56 2005-V70-M56 1999-S70 VW T4 XC90-in-Red
Link to Maintenance record thread
-
- Similar Topics
- Replies
- Views
- Last post






