Login Register

2002 Volvo S60 2.4T AWD - P0496 purge valve Topic is solved

Help, Advice, Owners' Discussion and DIY Tutorials on Volvo's stylish, distinctive P2 platform cars sold as model years 2001-2007 (North American market year designations).

2001 - 2007 V70
2001 - 2004 V70 XC (Cross Country)
2004 - 2007 XC70 (Cross Country)
2001 - 2009 S60
2003 - 2007 S60 R
2004 - 2007 V70 R

Post Reply
kdaide
Posts: 76
Joined: 29 June 2007
Year and Model:
Location:

2002 Volvo S60 2.4T AWD - P0496 purge valve

Post by kdaide »

Volvo Experts

My car just started throwing a P0496 code - (Evaporative Emission System Flow During Non-Purge). I have cleared the code a couple of times but it seems to come back the next day. The Check Engine Light doesn't seem to come on while driving, only on startup - although once it's on, it stays on until it is cleared. Note that when I clear the code, I can turn the car off and back on and the CEL stays off. It's not until the next day that it returns.

I've read that this is a general code and could be a number of things. What is the most likely cause of failure? Faulty EVAP canister pruge valve?

I am a DIY-er but don't have an advanced scanner. What tests can I perform in my garage to nail down the cause of this?

Best regards, Kevin

2002 Volvo S60 2.4T AWD 296,000kms
---

Kevin

DGM
Posts: 459
Joined: 23 December 2010
Year and Model: V70 2.4i 2005
Location: Quebec, Canada
Been thanked: 3 times

Post by DGM »

Code P0496 is equivalent to Volvo ECM 4007.

Here is what Volvo is saying about it;

-------------------------------------------------

ECM-4007 Evaporative emission (EVAP) system. Signal too high, B5244T3


Condition;

When the control module activates evaporative emission system (EVAP) control, the idle air trim or short-term fuel trim will change. Diagnostic trouble code (DTC) ECM-4007 is stored if the engine control module (ECM) does not detect any change in the idle air trim or in the long term fuel trim when evaporative emission (EVAP) control is active. The engine control module (ECM) interprets this as a faulty evaporative emission (EVAP) system.

Possible sources;

Open:

Faulty EVAP canister purge valve.

Closed:

Blocked hose between the EVAP canister and the EVAP canister purge valve
Blocked hose between the EVAP canister purge valve and the intake manifold
Faulty EVAP canister purge valve.


Fault symptom ;

Malfunction indicator lamp (MIL) lit.

-----------------------------------------------------

In the following diagram it is item #16

Components location.gif
Components location.gif (97.92 KiB) Viewed 17120 times
The valve may be stuck.

Youtube is a good source of information on EVAP system's components and principles. Find here two examples.





This information should give you a good start to pin point the problem.

:)
V70 2005 2.4i 195,000km, sold
S70 1998 T5 355,000km, sold
960 1994 80,000km, sold
760 1990 Turbo 265,000km, sold

kdaide
Posts: 76
Joined: 29 June 2007
Year and Model:
Location:

Post by kdaide »

Thx DGM. I will give this a try and report back to the group.
---

Kevin

DGM
Posts: 459
Joined: 23 December 2010
Year and Model: V70 2.4i 2005
Location: Quebec, Canada
Been thanked: 3 times

Post by DGM »

To test the valve you can apply vacuum using a hand pump to the perpendicular port. The meter reading of the pump should hold steady. You can listen to the other port if it is hissing when vacuum is applied. This would indicate a leak.

Also you can check valve operation on a bench with a small external battery, like a 9 volts DC. Look if it clicks. The vacuum should even out when the valve is activated.

If it is sticky, try a little bit of isopropyl alcohol through the ports with an on-off operation to remove dust/soot accumulation. You may save it this way.

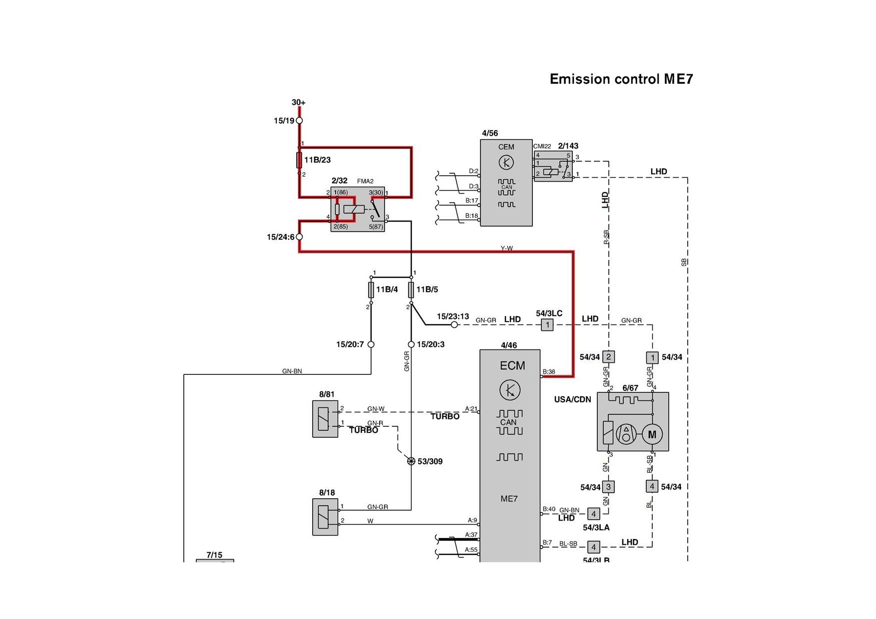
It is component 8/18 in the following diagram. Note that fuse 11B/5 of the engine compartment is shared by many systems. See fuse description in the owner's manual.
Evap valve 8-18.jpg
:)
V70 2005 2.4i 195,000km, sold
S70 1998 T5 355,000km, sold
960 1994 80,000km, sold
760 1990 Turbo 265,000km, sold

kdaide
Posts: 76
Joined: 29 June 2007
Year and Model:
Location:

Post by kdaide »

I pulled the EVAP canister purge valve and hooked it up to a fresh 9V DC battery. There is no clicking when I applied the 9Vs to the purge valve. I assume this means the valve is stuck. I can't blow through the valve so I assume that if it is stuck, it is stuck in the closed position.

Does this conclusively point to the purge valve failing and likely casing the P4096 code?

Thx, Kevin
---

Kevin

kdaide
Posts: 76
Joined: 29 June 2007
Year and Model:
Location:

Post by kdaide »

UPDATE:

I replaced the canister purge valve and the Check Engine Light no longer illuminates and there are no OBD II Codes.

A $60 part and 20 minutes to replace looks is all it took to fix.

Thanks for everyone's help.

//Kevin
---

Kevin

Post Reply
  • Similar Topics
    Replies
    Views
    Last post