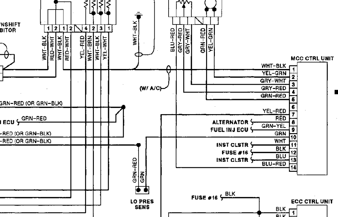
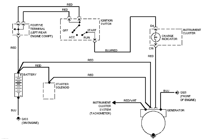
Does anyone know the route the smaller red wire on the back of the altenator takes? The diagrams I have lead me to believe this wire runs to the MCC unit on pin #8 (atleast eventually)? Does it go thru any other devices or junctions before then?
I've been dealing with an electrical issue to the ac compressor. Had thought it was the MCC but the MCC is not reciving power on the red wire (#8) from the altenator. I ran a direct wire from the altenator to the MCC and the ac functions now via the ac switch on the MCC. BUT I cannot adjust the temperature via the dial, the ac continues to cool even if the dial is set to heat.
92 940 Altenator Wire Route
-
- Similar Topics
- Replies
- Views
- Last post
-
- 5 Replies
- 835 Views
-
Last post by ThommyKent
-
- 2 Replies
- 526 Views
-
Last post by h20ham






