Help with powering S60 seat -- Not in a Car Topic is solved
-
wadeatl
- Posts: 18
- Joined: 10 March 2017
- Year and Model: 2009 S60
- Location: Atlanta
- Been thanked: 1 time
Help with powering S60 seat -- Not in a Car
I have a strange request for assistance on getting 12V power to a 2009 S60 passenger side seat. I am using the seat in an Obutto gaming cockpit that I use for race simulation. I would greatly appreciate if you can let me know what I need to run 12v from either a battery or a 12V power supply.
- Attachments
-
- IMG_3815.JPG (70.48 KiB) Viewed 7381 times
-
- IMG_3816.JPG (61.52 KiB) Viewed 7381 times
-
- IMG_3817.JPG (105.54 KiB) Viewed 7381 times
-
wadeatl
- Posts: 18
- Joined: 10 March 2017
- Year and Model: 2009 S60
- Location: Atlanta
- Been thanked: 1 time
Thanks jbeebo ... I am usually pretty good with Googling but kept hitting a dead end with diagrams associated to this website. I am good with finding the BL-R and the SB on the connector (in the pictures). I am having an issue with finding what I need to do with the 4/56 and E-B thats in the drawing. It appears the 4/56 is supposed to be on the car under the dash of the car. I do not have the car so I am lost as to what I need to do for the 4/56?
- Attachments
-
- FullSizeRender.jpg (86.53 KiB) Viewed 7318 times
-
- IMG_3829.JPG (90.55 KiB) Viewed 7318 times
-
- IMG_3831.JPG (60.79 KiB) Viewed 7318 times
- abscate
- MVS Moderator
- Posts: 35267
- Joined: 17 February 2013
- Year and Model: 99: V70s S70s,05 V70
- Location: Port Jefferson Long Island NY
- Has thanked: 1497 times
- Been thanked: 3809 times
You just need to put fused 12 volts on the green. And green black on the motor to move it. I can't see the colours on the other one but just trace the same motor wires in the forward/back and it should be intuitive
I've got a 2000 power seat in the garage and will see if I can take some pics today It might help if they used the same parts back in the last millennium.
Reverse polarity to move it the other way. No need for the CEM unless you are a glutton for programming punishment.
On edit - see better description below down thread
I've got a 2000 power seat in the garage and will see if I can take some pics today It might help if they used the same parts back in the last millennium.
Reverse polarity to move it the other way. No need for the CEM unless you are a glutton for programming punishment.
On edit - see better description below down thread
Empty Nester
A Captain in a Sea of Estrogen
1999-V70-T5M56 2005-V70-M56 1999-S70 VW T4 XC90-in-Red
Link to Maintenance record thread
A Captain in a Sea of Estrogen
1999-V70-T5M56 2005-V70-M56 1999-S70 VW T4 XC90-in-Red
Link to Maintenance record thread
-
wadeatl
- Posts: 18
- Joined: 10 March 2017
- Year and Model: 2009 S60
- Location: Atlanta
- Been thanked: 1 time
abscate ... thank you for taking the time to help me out. I had hoped to be able to use the switches on the seat. Are you saying that that would not work and I will need to manually wire each motor to a momentary switch?
-
MadeInJapan
- MVS Moderator
- Posts: 13434
- Joined: 31 March 2005
- Year and Model: '98 S70 T5 '07S40T5
- Location: Knoxville, TN American but born in Japan
- Has thanked: 17 times
- Been thanked: 35 times
Just don't get too excited gaming in that thing...the air bags could deploy from the side of the seat! LOL 
'98 S70 T5 Emrld Grn Met/Beige Tons of Upgrades Mobil-1
'04 V70 2.5T Red/Taupe Some Upgrades Mobil-1
'07 S40 T5 AWD 6 speed manual! Silver/Black Stage1 Heico & Elevate
'07 S60 2.5T Blue/Taupe- my kid's Volvo
'04 V70 2.5T Red/Taupe Some Upgrades Mobil-1
'07 S40 T5 AWD 6 speed manual! Silver/Black Stage1 Heico & Elevate
'07 S60 2.5T Blue/Taupe- my kid's Volvo
- abscate
- MVS Moderator
- Posts: 35267
- Joined: 17 February 2013
- Year and Model: 99: V70s S70s,05 V70
- Location: Port Jefferson Long Island NY
- Has thanked: 1497 times
- Been thanked: 3809 times
I think you should be able to use the seat switches ...can you find the bigger picture wire diagram and post here so we can noodle it?
By arrangement with Volvo Legal we can't host wiring diagrams here but posting a page for diagnostic purposes is fine
By arrangement with Volvo Legal we can't host wiring diagrams here but posting a page for diagnostic purposes is fine
Empty Nester
A Captain in a Sea of Estrogen
1999-V70-T5M56 2005-V70-M56 1999-S70 VW T4 XC90-in-Red
Link to Maintenance record thread
A Captain in a Sea of Estrogen
1999-V70-T5M56 2005-V70-M56 1999-S70 VW T4 XC90-in-Red
Link to Maintenance record thread
-
wadeatl
- Posts: 18
- Joined: 10 March 2017
- Year and Model: 2009 S60
- Location: Atlanta
- Been thanked: 1 time
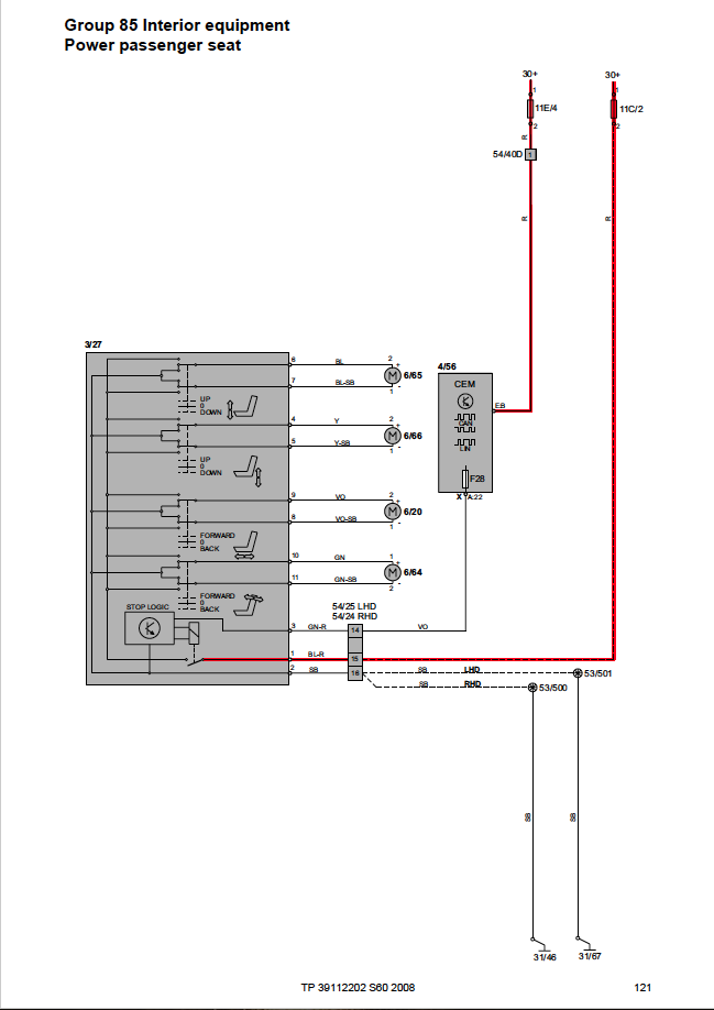
Thanks again abscate. This is the full picture of the diagram that I found from the link jbeebo. Again .. I appreciate your willingness to help me out!
- Attachments
-
- Full Seat.JPG (60.89 KiB) Viewed 7227 times
-
jbeebo
- Posts: 107
- Joined: 1 May 2013
- Year and Model: S60, 2005
- Location: suburbia
- Been thanked: 3 times
I think there's a solution, but will require modification of the seat switch module. It looks like you'll need to bypass the "Stop Logic" circuit in the switch module. It also looks like the switches themselves control the high current for the motors.
I'd open up the switch module, bust out your soldering iron and take the 12V signal directly to each switch.
I'd open up the switch module, bust out your soldering iron and take the 12V signal directly to each switch.
2005 S60 2.4L (B5244S6), 175k miles
-
- Similar Topics
- Replies
- Views
- Last post
-
- 2 Replies
- 1800 Views
-
Last post by Oleelstad
-
- 1 Replies
- 1732 Views
-
Last post by darylrobert






