That's it, I tried to post up the sections but Matts server is being a petulant child this morning so I'll try In the am
Group 85 is where to look, you will have a picture of the seat bottom going back and forth with the connector and color wires connected to a motor symbol ( M in a circle)
It will be worth just unseating and reseating the connectors to try restore function, but worst case you can Apply 12 volts to the motor to get them to move to a good seat position for you.
1994 Volvo 850: Driver seat control issue
- abscate
- MVS Moderator
- Posts: 35278
- Joined: 17 February 2013
- Year and Model: 99: V70s S70s,05 V70
- Location: Port Jefferson Long Island NY
- Has thanked: 1500 times
- Been thanked: 3812 times
Re: 1994 Volvo 850: Driver seat control issue
Empty Nester
A Captain in a Sea of Estrogen
1999-V70-T5M56 2005-V70-M56 1999-S70 VW T4 XC90-in-Red
Link to Maintenance record thread
A Captain in a Sea of Estrogen
1999-V70-T5M56 2005-V70-M56 1999-S70 VW T4 XC90-in-Red
Link to Maintenance record thread
- abscate
- MVS Moderator
- Posts: 35278
- Joined: 17 February 2013
- Year and Model: 99: V70s S70s,05 V70
- Location: Port Jefferson Long Island NY
- Has thanked: 1500 times
- Been thanked: 3812 times
Empty Nester
A Captain in a Sea of Estrogen
1999-V70-T5M56 2005-V70-M56 1999-S70 VW T4 XC90-in-Red
Link to Maintenance record thread
A Captain in a Sea of Estrogen
1999-V70-T5M56 2005-V70-M56 1999-S70 VW T4 XC90-in-Red
Link to Maintenance record thread
- abscate
- MVS Moderator
- Posts: 35278
- Joined: 17 February 2013
- Year and Model: 99: V70s S70s,05 V70
- Location: Port Jefferson Long Island NY
- Has thanked: 1500 times
- Been thanked: 3812 times
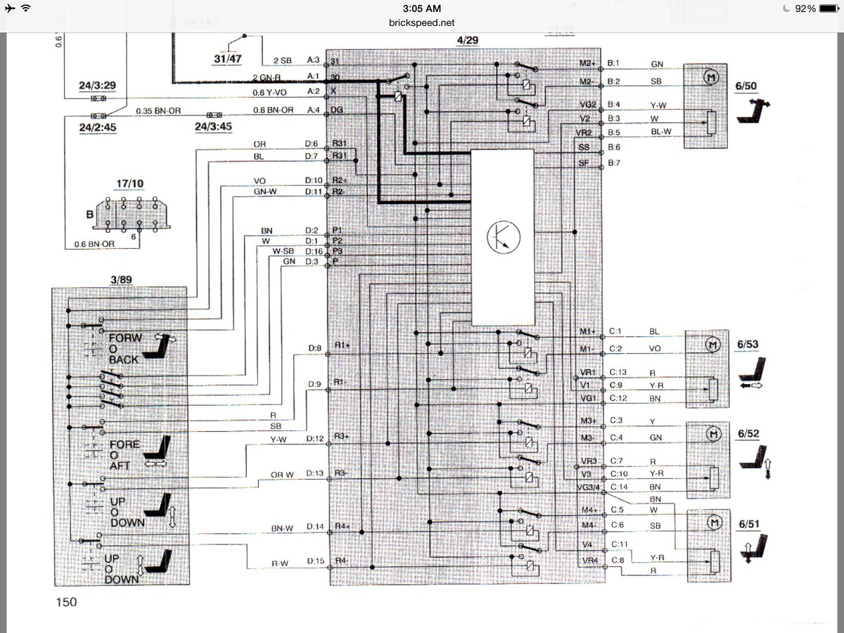
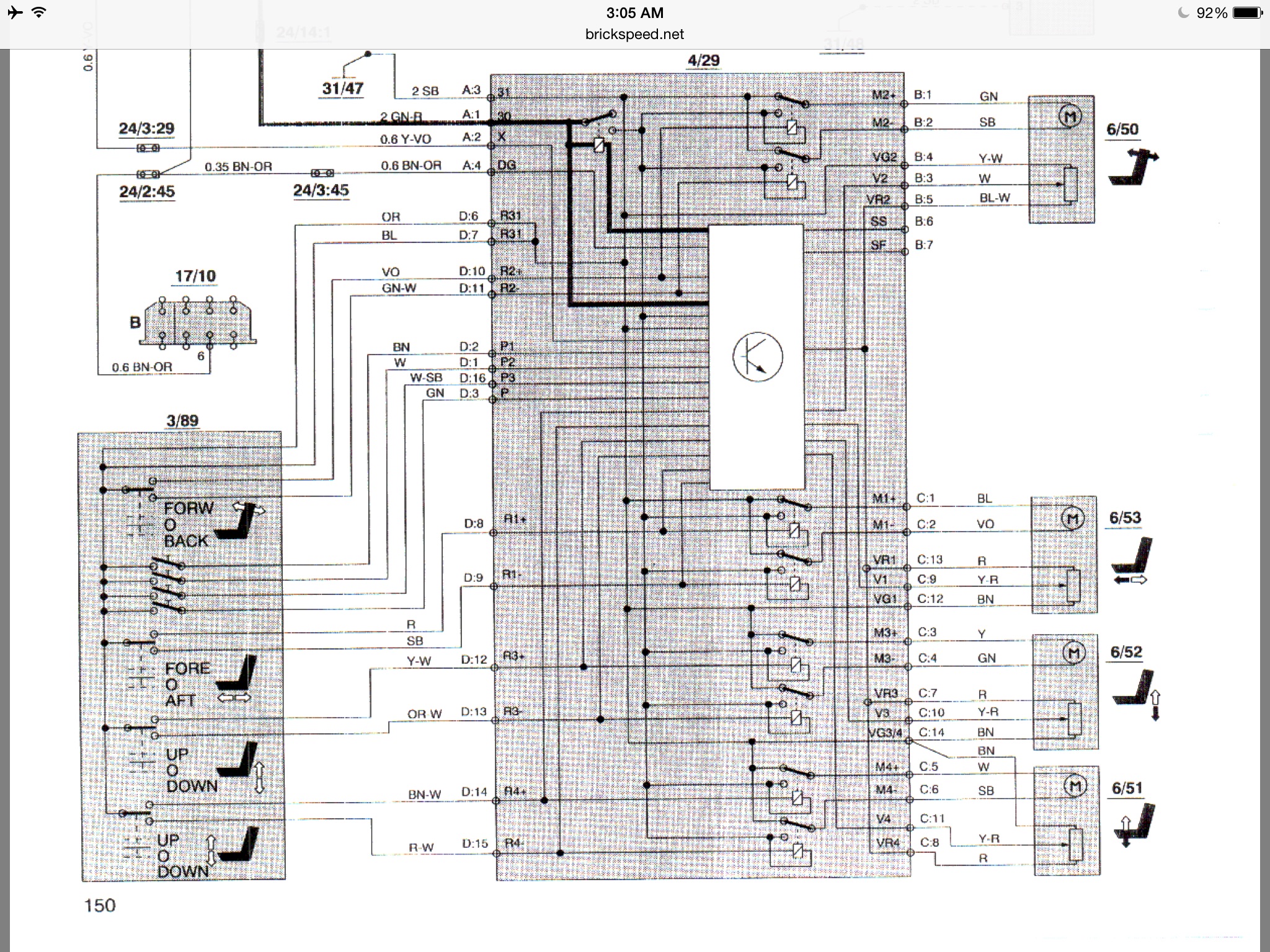
So lots of stuff going on, but don't panic, we are here...
Total of six things to master.
Four motors labelled 6/50,51,52,53
One switch assemble which you command seat position labelled 3/89
And one fat controller labelled 4/29 with four connectors labelled A,B,C,D
Connector A brings in battery voltage and grounds
Connector B goes up to the lonely motor for seat back tip
Connector C goes yo the motors in the seat bottom , three of them
Connector D brings the commands from the seat switches to the fat controller
Normally we start troubleshooting by examine power in but we know that's good since most of our motors are working. That means we only have to look at connector C and specifically where it brings current to motor 6/53...seat bottom back and forth
We zoom in on that motor 6/53 and see current comes in on c1 blue and C2 violet wires, so that is where we can apply current to move that motor or test connections, look for wiring breaks, etc.
On the lower diagram you will see the pin layout of connector C showing which is which. Volvo is good and also labels the connectors if you look closely inside the plastic after removal.
Wiring on Volvos is really high quality stuff and rarely faults. Usually it's switches or damage to the wiring from stuffing bodies in the trunk, etc.
Total of six things to master.
Four motors labelled 6/50,51,52,53
One switch assemble which you command seat position labelled 3/89
And one fat controller labelled 4/29 with four connectors labelled A,B,C,D
Connector A brings in battery voltage and grounds
Connector B goes up to the lonely motor for seat back tip
Connector C goes yo the motors in the seat bottom , three of them
Connector D brings the commands from the seat switches to the fat controller
Normally we start troubleshooting by examine power in but we know that's good since most of our motors are working. That means we only have to look at connector C and specifically where it brings current to motor 6/53...seat bottom back and forth
We zoom in on that motor 6/53 and see current comes in on c1 blue and C2 violet wires, so that is where we can apply current to move that motor or test connections, look for wiring breaks, etc.
On the lower diagram you will see the pin layout of connector C showing which is which. Volvo is good and also labels the connectors if you look closely inside the plastic after removal.
Wiring on Volvos is really high quality stuff and rarely faults. Usually it's switches or damage to the wiring from stuffing bodies in the trunk, etc.
Empty Nester
A Captain in a Sea of Estrogen
1999-V70-T5M56 2005-V70-M56 1999-S70 VW T4 XC90-in-Red
Link to Maintenance record thread
A Captain in a Sea of Estrogen
1999-V70-T5M56 2005-V70-M56 1999-S70 VW T4 XC90-in-Red
Link to Maintenance record thread
- abscate
- MVS Moderator
- Posts: 35278
- Joined: 17 February 2013
- Year and Model: 99: V70s S70s,05 V70
- Location: Port Jefferson Long Island NY
- Has thanked: 1500 times
- Been thanked: 3812 times
You should get your 6 foot person to buy you a nice volt meter from Lowes, if you don't have one, and tell her/m that with that you can get the seat in a nice position, plus you will be the coolest honey badger Volvo with a cool toy.
Does the seat move at all when you push the back/forth button ? Have you tried bumping it just a bit to see if it starts? I think the first thing to try is the seat motor and see if its burnt out (doubtful)
Does the seat move at all when you push the back/forth button ? Have you tried bumping it just a bit to see if it starts? I think the first thing to try is the seat motor and see if its burnt out (doubtful)
Empty Nester
A Captain in a Sea of Estrogen
1999-V70-T5M56 2005-V70-M56 1999-S70 VW T4 XC90-in-Red
Link to Maintenance record thread
A Captain in a Sea of Estrogen
1999-V70-T5M56 2005-V70-M56 1999-S70 VW T4 XC90-in-Red
Link to Maintenance record thread
- abscate
- MVS Moderator
- Posts: 35278
- Joined: 17 February 2013
- Year and Model: 99: V70s S70s,05 V70
- Location: Port Jefferson Long Island NY
- Has thanked: 1500 times
- Been thanked: 3812 times
It might be easiest to do this with the seat unbolted and on its side in the driver space. You need to be able to get to the back of the connectors while they are in place to see if you are getting voltage to the right places - specifically
Do you get 12 Volts to the Blue and Violet wire on the C connector when you activate the switch? When you push the switch one way, one of them should get 12 Volts, when you reverse, the other one gets 12 volts.
Ping us back if you need guidance on how to make that measurement with a Voltmeter
If that works, then the switches and controller are fine and the motor is faulty or has a broken wire.
While you have the seat tipped, vacuum out all the dog hair and spray some silicon on the tracks and see if that helps too.
Do you get 12 Volts to the Blue and Violet wire on the C connector when you activate the switch? When you push the switch one way, one of them should get 12 Volts, when you reverse, the other one gets 12 volts.
Ping us back if you need guidance on how to make that measurement with a Voltmeter
If that works, then the switches and controller are fine and the motor is faulty or has a broken wire.
While you have the seat tipped, vacuum out all the dog hair and spray some silicon on the tracks and see if that helps too.
Empty Nester
A Captain in a Sea of Estrogen
1999-V70-T5M56 2005-V70-M56 1999-S70 VW T4 XC90-in-Red
Link to Maintenance record thread
A Captain in a Sea of Estrogen
1999-V70-T5M56 2005-V70-M56 1999-S70 VW T4 XC90-in-Red
Link to Maintenance record thread
-
- Similar Topics
- Replies
- Views
- Last post






