No crank no start
No crank no start
I have a 2005 Volvo v70 suffering a no crack no start. I replaced the starter and still had the issue. Battery is good. Park neutral switch is good. Took it to my mechanic and he said it was the ECM. He showed me that I could start it by using a relay test switch in place of the starter relay with the key in the on position. When doing this it runs perfect. I think it may be the key. Do you guys think it's the ecm or do you have any other ideas? Thank you for the help.
-
chrism
- Posts: 1309
- Joined: 28 January 2009
- Year and Model: S80 / 2005
- Location: Atlanta, GA
- Has thanked: 7 times
- Been thanked: 78 times
You may be right about the key - I don't know. Stand by and some more-knowledgeable-than-I folks will likely offer suggestions. In the mean time I think I can safely say DON'T let the guy start messing with an ECM replacement without first doing some exhaustive diagnostics. A drastic move like that could send you down a VERY expensive road.
- yagger
- Posts: 373
- Joined: 24 March 2016
- Year and Model: V60 2016
- Location: DreamLand
- Has thanked: 6 times
- Been thanked: 39 times
In your case:
if you have a manual transmission, push the clutch pedal before start engine...
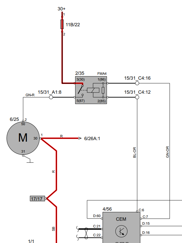
also, check RELAY FMA4 in the fusebox under hood.
If your engine started when you activate that relay directly, this means there is problem with this relay (FMA4), wires from CEM to relay or with CEM module.
if you have a manual transmission, push the clutch pedal before start engine...
also, check RELAY FMA4 in the fusebox under hood.
If your engine started when you activate that relay directly, this means there is problem with this relay (FMA4), wires from CEM to relay or with CEM module.
- Attachments
-
- FMA4 Relay.png (39.15 KiB) Viewed 3111 times
Volvo electronic expert
Online Data Transferring Service for Volvo modules
Online Data Transferring Service for Volvo modules
- SuperHerman
- Posts: 1798
- Joined: 1 December 2014
- Year and Model: 2004 & 2016 XC90
- Location: Minnesota
- Been thanked: 207 times
yagger - most impressive. You really know your stuff. Thanks for your valued input.
Hello all. Checked the relay and that was not the issue. Put a new one in and still have the same problem. My mechanic said something specific about the ground with the ecm. And it not communicating with the key. And I can turn the car off with the key when using the bypass switch. Any other thoughts?
- yagger
- Posts: 373
- Joined: 24 March 2016
- Year and Model: V60 2016
- Location: DreamLand
- Has thanked: 6 times
- Been thanked: 39 times
If there are some issues with communications, best way to show here couple screenshots from VIDA tabs, like Network and Errors.
Volvo electronic expert
Online Data Transferring Service for Volvo modules
Online Data Transferring Service for Volvo modules
-
- Similar Topics
- Replies
- Views
- Last post






