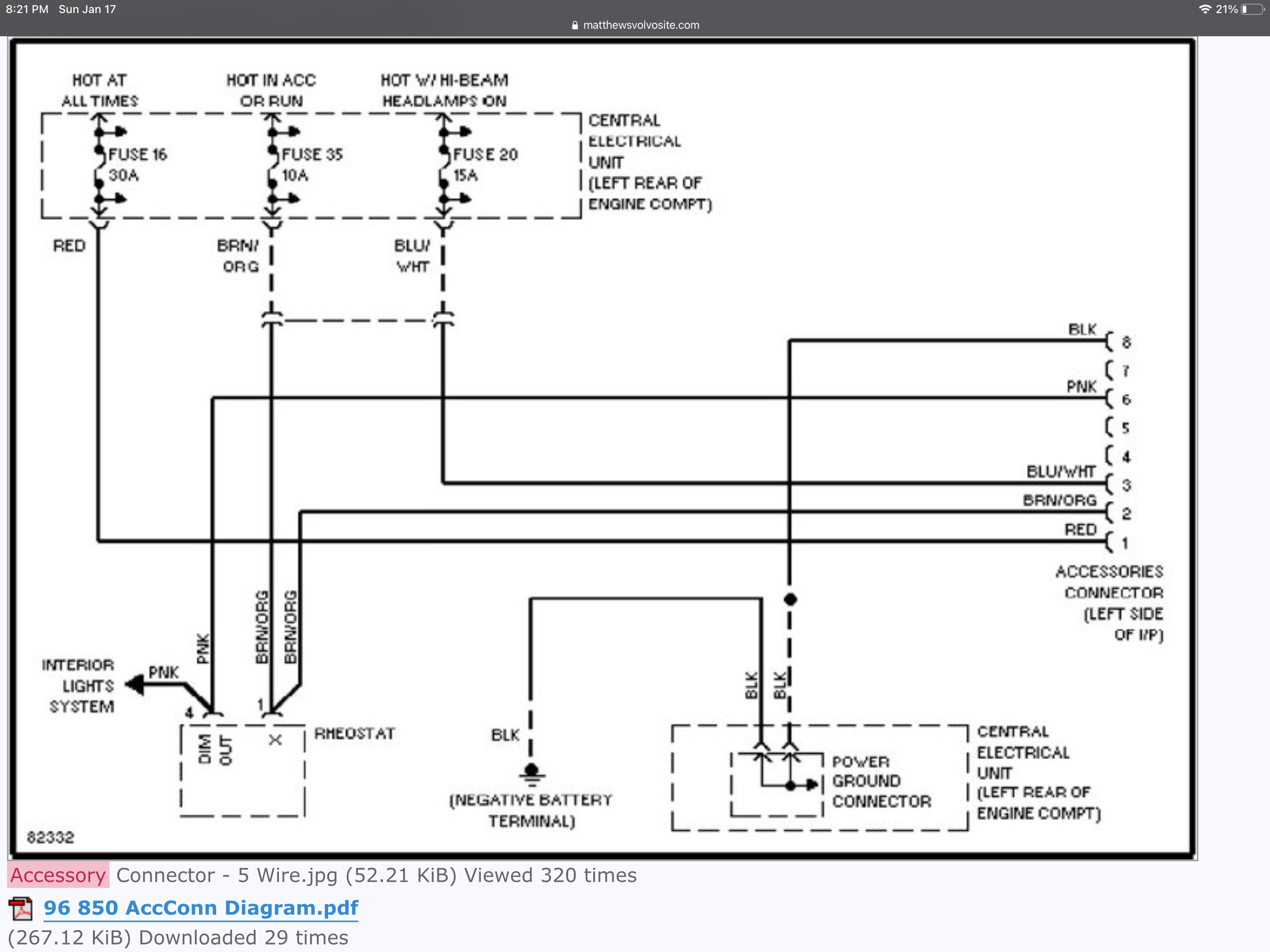
The yellow harness has never been hooked up. Online fusebox ID says it MIGHT be for trailer wiring hookup. Hookup in the back or front? The red and black are power and ground. What are the others for?
I want to delete the LampControl relay so I can wire the rear lights straight to the front for hookup with my car. I see color codes on the gray plastic but need clarification. What's each of these for? Can someone please provide a label for each wire?
NEEDED: lamp control harness wiring ID and yellow harness ID
- CIK7
- Posts: 1557
- Joined: 14 January 2019
- Year and Model: 95 854T & V70trailer
- Location: Antlers, Oklahoma
- Has thanked: 320 times
- Been thanked: 87 times
NEEDED: lamp control harness wiring ID and yellow harness ID
95 854 Turbo 258K, auto, current
09 Rav4 Ltd3.5Fwd, red, 208K, current
98 V GLE/SE red, 379k (277k), 5sp, trailer in progress...
05 CRV EX AWD, Navy, 170K/184k, sold
03 Accord 2dr V6 silver, 196K/214K, 6sp, t-boned, sold
98 S GT white, 175K, 5sp, sold
96 964 silver, 146K, diff&trans/engine self-destr, crushed
98 XC black, 151K, flooded&bent rod, crushed
01 V Base white, 168k, traded for XC
09 Impala LT1 gray, 196K, sold for 01
09 Rav4 Ltd3.5Fwd, red, 208K, current
98 V GLE/SE red, 379k (277k), 5sp, trailer in progress...
05 CRV EX AWD, Navy, 170K/184k, sold
03 Accord 2dr V6 silver, 196K/214K, 6sp, t-boned, sold
98 S GT white, 175K, 5sp, sold
96 964 silver, 146K, diff&trans/engine self-destr, crushed
98 XC black, 151K, flooded&bent rod, crushed
01 V Base white, 168k, traded for XC
09 Impala LT1 gray, 196K, sold for 01
- abscate
- MVS Moderator
- Posts: 35281
- Joined: 17 February 2013
- Year and Model: 99: V70s S70s,05 V70
- Location: Port Jefferson Long Island NY
- Has thanked: 1500 times
- Been thanked: 3812 times
That yellow one is the below dash accessory plug for add -ons.
Info here
viewtopic.php?f=1&t=94315&hilit=Yellow+accessory+plug
Info here
viewtopic.php?f=1&t=94315&hilit=Yellow+accessory+plug
Empty Nester
A Captain in a Sea of Estrogen
1999-V70-T5M56 2005-V70-M56 1999-S70 VW T4 XC90-in-Red
Link to Maintenance record thread
A Captain in a Sea of Estrogen
1999-V70-T5M56 2005-V70-M56 1999-S70 VW T4 XC90-in-Red
Link to Maintenance record thread
- CIK7
- Posts: 1557
- Joined: 14 January 2019
- Year and Model: 95 854T & V70trailer
- Location: Antlers, Oklahoma
- Has thanked: 320 times
- Been thanked: 87 times
Know anything about the lamp control relay harness?
95 854 Turbo 258K, auto, current
09 Rav4 Ltd3.5Fwd, red, 208K, current
98 V GLE/SE red, 379k (277k), 5sp, trailer in progress...
05 CRV EX AWD, Navy, 170K/184k, sold
03 Accord 2dr V6 silver, 196K/214K, 6sp, t-boned, sold
98 S GT white, 175K, 5sp, sold
96 964 silver, 146K, diff&trans/engine self-destr, crushed
98 XC black, 151K, flooded&bent rod, crushed
01 V Base white, 168k, traded for XC
09 Impala LT1 gray, 196K, sold for 01
09 Rav4 Ltd3.5Fwd, red, 208K, current
98 V GLE/SE red, 379k (277k), 5sp, trailer in progress...
05 CRV EX AWD, Navy, 170K/184k, sold
03 Accord 2dr V6 silver, 196K/214K, 6sp, t-boned, sold
98 S GT white, 175K, 5sp, sold
96 964 silver, 146K, diff&trans/engine self-destr, crushed
98 XC black, 151K, flooded&bent rod, crushed
01 V Base white, 168k, traded for XC
09 Impala LT1 gray, 196K, sold for 01
- abscate
- MVS Moderator
- Posts: 35281
- Joined: 17 February 2013
- Year and Model: 99: V70s S70s,05 V70
- Location: Port Jefferson Long Island NY
- Has thanked: 1500 times
- Been thanked: 3812 times
That’s not for lamp control, it’s for lamp bulb failure detection.
A trailer lamp controller will cost about $60-80 from etrailer or similar
A trailer lamp controller will cost about $60-80 from etrailer or similar
Empty Nester
A Captain in a Sea of Estrogen
1999-V70-T5M56 2005-V70-M56 1999-S70 VW T4 XC90-in-Red
Link to Maintenance record thread
A Captain in a Sea of Estrogen
1999-V70-T5M56 2005-V70-M56 1999-S70 VW T4 XC90-in-Red
Link to Maintenance record thread
- CIK7
- Posts: 1557
- Joined: 14 January 2019
- Year and Model: 95 854T & V70trailer
- Location: Antlers, Oklahoma
- Has thanked: 320 times
- Been thanked: 87 times
Are you sure? It says 'LAMP CONTROL' right on the front (refer to picture). And I think I have one of those trailer light controllers.
95 854 Turbo 258K, auto, current
09 Rav4 Ltd3.5Fwd, red, 208K, current
98 V GLE/SE red, 379k (277k), 5sp, trailer in progress...
05 CRV EX AWD, Navy, 170K/184k, sold
03 Accord 2dr V6 silver, 196K/214K, 6sp, t-boned, sold
98 S GT white, 175K, 5sp, sold
96 964 silver, 146K, diff&trans/engine self-destr, crushed
98 XC black, 151K, flooded&bent rod, crushed
01 V Base white, 168k, traded for XC
09 Impala LT1 gray, 196K, sold for 01
09 Rav4 Ltd3.5Fwd, red, 208K, current
98 V GLE/SE red, 379k (277k), 5sp, trailer in progress...
05 CRV EX AWD, Navy, 170K/184k, sold
03 Accord 2dr V6 silver, 196K/214K, 6sp, t-boned, sold
98 S GT white, 175K, 5sp, sold
96 964 silver, 146K, diff&trans/engine self-destr, crushed
98 XC black, 151K, flooded&bent rod, crushed
01 V Base white, 168k, traded for XC
09 Impala LT1 gray, 196K, sold for 01
- abscate
- MVS Moderator
- Posts: 35281
- Joined: 17 February 2013
- Year and Model: 99: V70s S70s,05 V70
- Location: Port Jefferson Long Island NY
- Has thanked: 1500 times
- Been thanked: 3812 times
Pop 9442303 into Google and see what font of knowledge springs forth
I still want to know what happens on your dash when you run low on gas
I still want to know what happens on your dash when you run low on gas
Empty Nester
A Captain in a Sea of Estrogen
1999-V70-T5M56 2005-V70-M56 1999-S70 VW T4 XC90-in-Red
Link to Maintenance record thread
A Captain in a Sea of Estrogen
1999-V70-T5M56 2005-V70-M56 1999-S70 VW T4 XC90-in-Red
Link to Maintenance record thread
- CIK7
- Posts: 1557
- Joined: 14 January 2019
- Year and Model: 95 854T & V70trailer
- Location: Antlers, Oklahoma
- Has thanked: 320 times
- Been thanked: 87 times
I thought you were kidding. The 'low fuel' light turns on. Is there a joke in that somewhere?
95 854 Turbo 258K, auto, current
09 Rav4 Ltd3.5Fwd, red, 208K, current
98 V GLE/SE red, 379k (277k), 5sp, trailer in progress...
05 CRV EX AWD, Navy, 170K/184k, sold
03 Accord 2dr V6 silver, 196K/214K, 6sp, t-boned, sold
98 S GT white, 175K, 5sp, sold
96 964 silver, 146K, diff&trans/engine self-destr, crushed
98 XC black, 151K, flooded&bent rod, crushed
01 V Base white, 168k, traded for XC
09 Impala LT1 gray, 196K, sold for 01
09 Rav4 Ltd3.5Fwd, red, 208K, current
98 V GLE/SE red, 379k (277k), 5sp, trailer in progress...
05 CRV EX AWD, Navy, 170K/184k, sold
03 Accord 2dr V6 silver, 196K/214K, 6sp, t-boned, sold
98 S GT white, 175K, 5sp, sold
96 964 silver, 146K, diff&trans/engine self-destr, crushed
98 XC black, 151K, flooded&bent rod, crushed
01 V Base white, 168k, traded for XC
09 Impala LT1 gray, 196K, sold for 01
- volvolugnut
- Posts: 6228
- Joined: 19 January 2014
- Year and Model: 2001 V70
- Location: Oklahoma USA
- Has thanked: 927 times
- Been thanked: 1000 times
Keep in mind the Volvo, Bosch, and Hella people are not native English speakers and the translations to English are mushy.
volvolugnut
The Fleet:
Volvo: 2001 V70 T5, 1986 244DL, 1983 245DL, 1975 245DL, 1959 PV544, multiple Volvo parts cars.
Mercedes: 2001 E320, 1973 280, 1974 280C, 1989 300E, 1988 300TE, 1979 300TD, parts cars.
2009 Smart Passion
Ford: 1977 F350, 1964 F150 (2), 1938 Tudor Sedan
Farmall tractors: 1956 400 Diesel, 1946 A
And others.
Volvo: 2001 V70 T5, 1986 244DL, 1983 245DL, 1975 245DL, 1959 PV544, multiple Volvo parts cars.
Mercedes: 2001 E320, 1973 280, 1974 280C, 1989 300E, 1988 300TE, 1979 300TD, parts cars.
2009 Smart Passion
Ford: 1977 F350, 1964 F150 (2), 1938 Tudor Sedan
Farmall tractors: 1956 400 Diesel, 1946 A
And others.
- CIK7
- Posts: 1557
- Joined: 14 January 2019
- Year and Model: 95 854T & V70trailer
- Location: Antlers, Oklahoma
- Has thanked: 320 times
- Been thanked: 87 times
You got that right. Russian to English is even worse. Another update possibly coming today.volvolugnut wrote: ↑18 Jan 2021, 09:51 Keep in mind the Volvo, Bosch, and Hella people are not native English speakers and the translations to English are mushy.
volvolugnut
95 854 Turbo 258K, auto, current
09 Rav4 Ltd3.5Fwd, red, 208K, current
98 V GLE/SE red, 379k (277k), 5sp, trailer in progress...
05 CRV EX AWD, Navy, 170K/184k, sold
03 Accord 2dr V6 silver, 196K/214K, 6sp, t-boned, sold
98 S GT white, 175K, 5sp, sold
96 964 silver, 146K, diff&trans/engine self-destr, crushed
98 XC black, 151K, flooded&bent rod, crushed
01 V Base white, 168k, traded for XC
09 Impala LT1 gray, 196K, sold for 01
09 Rav4 Ltd3.5Fwd, red, 208K, current
98 V GLE/SE red, 379k (277k), 5sp, trailer in progress...
05 CRV EX AWD, Navy, 170K/184k, sold
03 Accord 2dr V6 silver, 196K/214K, 6sp, t-boned, sold
98 S GT white, 175K, 5sp, sold
96 964 silver, 146K, diff&trans/engine self-destr, crushed
98 XC black, 151K, flooded&bent rod, crushed
01 V Base white, 168k, traded for XC
09 Impala LT1 gray, 196K, sold for 01
- abscate
- MVS Moderator
- Posts: 35281
- Joined: 17 February 2013
- Year and Model: 99: V70s S70s,05 V70
- Location: Port Jefferson Long Island NY
- Has thanked: 1500 times
- Been thanked: 3812 times
Ok, you are a guy.
Empty Nester
A Captain in a Sea of Estrogen
1999-V70-T5M56 2005-V70-M56 1999-S70 VW T4 XC90-in-Red
Link to Maintenance record thread
A Captain in a Sea of Estrogen
1999-V70-T5M56 2005-V70-M56 1999-S70 VW T4 XC90-in-Red
Link to Maintenance record thread
-
- Similar Topics
- Replies
- Views
- Last post






