ICarsoft V.2.0 for Volvo and Saab. It's worth noting that the software gave this as the code, SRS-007E. Possible source#1 -open circuit in the controller area network (CAN) cable. #2 Incorrect function in the upper Electronic Module (UEM)
State: None
CAN Signal. Signal Missing.
This is what my iCarsoft is telling me. Thoughts?
2006 xc90 SRS light on-iCarsoft 2.0 won't clear code
-
aaron1611
- Posts: 148
- Joined: 2 April 2017
- Year and Model: 2006 XC90 V8
- Location: Norfolk, Virginia
- Has thanked: 2 times
- Been thanked: 5 times
Re: 2006 xc90 SRS light on-iCarsoft 2.0 won't clear code
2005 Volvo XC90 V8
2006 Volvo XC90 V8
91 240 Wagon 5 speed 211K daughters daily driver sold
2013 XC90 wife's daily driver 201K
06 XC90 175K sold
02 V70 XC 135K sold
05 XC90 251K sold
Volvo's that were driven and flipped:
92 240DL 215K
01 V70 TMU
00 S70 100K
99 V70 189K
94 940 136K
92 240 GL wagon TMU
85 240 DL 196K
90 240 DL 169K
95 850 wagon 250K
99 S70 135K
2006 Volvo XC90 V8
91 240 Wagon 5 speed 211K daughters daily driver sold
2013 XC90 wife's daily driver 201K
06 XC90 175K sold
02 V70 XC 135K sold
05 XC90 251K sold
Volvo's that were driven and flipped:
92 240DL 215K
01 V70 TMU
00 S70 100K
99 V70 189K
94 940 136K
92 240 GL wagon TMU
85 240 DL 196K
90 240 DL 169K
95 850 wagon 250K
99 S70 135K
- ggleavitt
- Posts: 741
- Joined: 4 June 2006
- Year and Model: 06,08 XC90 V8
- Location: Camano
- Has thanked: 23 times
- Been thanked: 126 times
Original battery will have a date stamp from the factory on one of the posts, always good to check. I'm guessing battery needs replaced as others have suggested.
A review of VIDA for SRS-00E7 suggests that the SRS module cannot communicate with the UEM/DDM side of the low speed CAN bus (LS_CAN) and until it gets resolved, I believe that you won't be able to clear the error. Might be a power issue with UEM itself, can check fuse 12 on the left side dashboard fuse block. Sunroof working? Doors lock via remote and alarm is working? Interior lighting working properly? Those are good secondary indicators of a failed UEM. Anyone do any work around the rear view mirror (that's where the UEM lives) ?
I would add a faulty DDM to validate, it's on the bus but most of the posts for this error seem to reference an issue with the UEM. I know from personal experience that a battery leaked siren can honk up the LIN bus on the UEM, not sure if it can kill the CAN side but as this is a MY06 so a failed siren module is probably worth throwing into the mix.
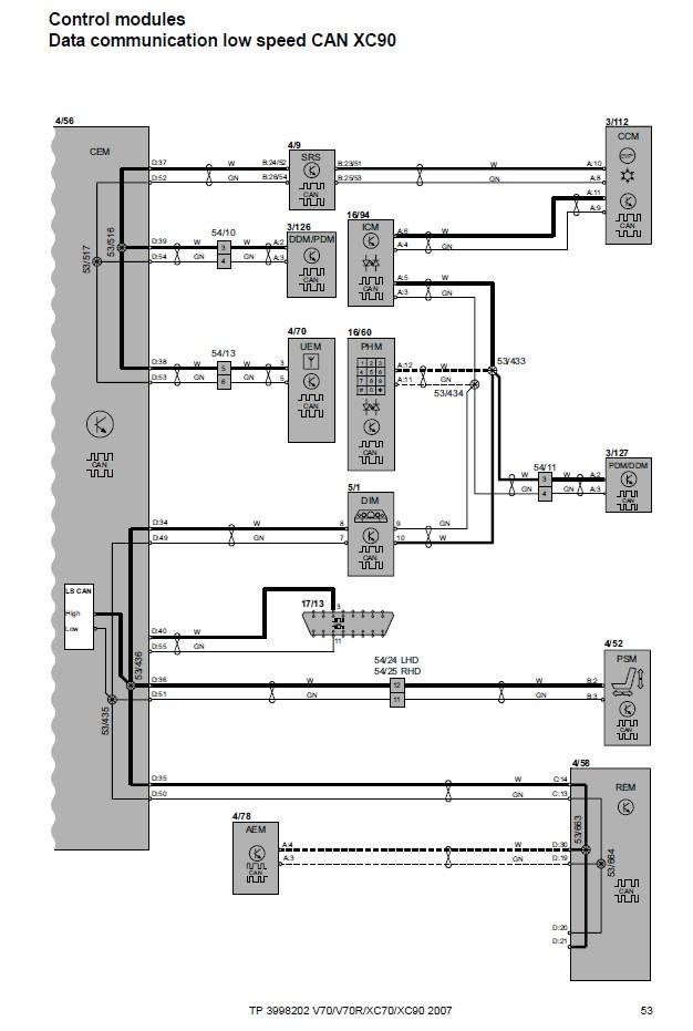
See diagram for data path, I would start out with some basics like power to the module etc., it's hopefully something simple. Maybe don't get too focused on the CCM side of the data path, think that's okay (SRS originates the error).
A review of VIDA for SRS-00E7 suggests that the SRS module cannot communicate with the UEM/DDM side of the low speed CAN bus (LS_CAN) and until it gets resolved, I believe that you won't be able to clear the error. Might be a power issue with UEM itself, can check fuse 12 on the left side dashboard fuse block. Sunroof working? Doors lock via remote and alarm is working? Interior lighting working properly? Those are good secondary indicators of a failed UEM. Anyone do any work around the rear view mirror (that's where the UEM lives) ?
I would add a faulty DDM to validate, it's on the bus but most of the posts for this error seem to reference an issue with the UEM. I know from personal experience that a battery leaked siren can honk up the LIN bus on the UEM, not sure if it can kill the CAN side but as this is a MY06 so a failed siren module is probably worth throwing into the mix.
See diagram for data path, I would start out with some basics like power to the module etc., it's hopefully something simple. Maybe don't get too focused on the CCM side of the data path, think that's okay (SRS originates the error).
2006 V8 Ocean Race #740/800 200k, 2008 V8 Sport 183k
-
jimmy57
- Posts: 6694
- Joined: 12 November 2010
- Year and Model: 2004 V70R GT, et al
- Location: Ponder Texas
- Has thanked: 4 times
- Been thanked: 320 times
Address the battery issue. The low voltage code is one that self clears when the voltage is restored to normal and it passes normal diagnostics a few times. Something that occurs in the first 10 seconds or less. You can verify using jumper cables or a battery booster gizmo and turning on ignition and then starting engine prior to replacing battery.
- Krons
- Posts: 1072
- Joined: 9 January 2022
- Year and Model: 08S60 05XC90 02S60
- Location: Des Moines, IA
- Has thanked: 193 times
- Been thanked: 202 times
VOL V2.0
08 S602.5T/05 XC902.5T/02 S602.4T
08 C702.5T (sold)
05 S402.4i (RIP, timing belt failure)
The non-Swedes:
25 Mazda MX-5 / 17 Frontier Pro-4X / 17 Ford Focus
17 R1200GS / 15 Versys 1000 / 11 DR-Z400S / 07 R1200GSA
08 C702.5T (sold)
05 S402.4i (RIP, timing belt failure)
The non-Swedes:
25 Mazda MX-5 / 17 Frontier Pro-4X / 17 Ford Focus
17 R1200GS / 15 Versys 1000 / 11 DR-Z400S / 07 R1200GSA
-
aaron1611
- Posts: 148
- Joined: 2 April 2017
- Year and Model: 2006 XC90 V8
- Location: Norfolk, Virginia
- Has thanked: 2 times
- Been thanked: 5 times
This is good to know. The sunroof won't work, and the alarm doesn't work, interior lights don't turn on when I open the doors. Fuse in 12 is good. Doors work with the remote. I seem to remember replacing the UEM on a prior Volvo that I owned. Thank you for your response.
Jason
Jason
ggleavitt wrote: ↑20 Jul 2024, 10:30 Original battery will have a date stamp from the factory on one of the posts, always good to check. I'm guessing battery needs replaced as others have suggested.
A review of VIDA for SRS-00E7 suggests that the SRS module cannot communicate with the UEM/DDM side of the low speed CAN bus (LS_CAN) and until it gets resolved, I believe that you won't be able to clear the error. Might be a power issue with UEM itself, can check fuse 12 on the left side dashboard fuse block. Sunroof working? Doors lock via remote and alarm is working? Interior lighting working properly? Those are good secondary indicators of a failed UEM. Anyone do any work around the rear view mirror (that's where the UEM lives) ?
I would add a faulty DDM to validate, it's on the bus but most of the posts for this error seem to reference an issue with the UEM. I know from personal experience that a battery leaked siren can honk up the LIN bus on the UEM, not sure if it can kill the CAN side but as this is a MY06 so a failed siren module is probably worth throwing into the mix.
See diagram for data path, I would start out with some basics like power to the module etc., it's hopefully something simple. Maybe don't get too focused on the CCM side of the data path, think that's okay (SRS originates the error).
LS_CAN XC90 07.jpg
2005 Volvo XC90 V8
2006 Volvo XC90 V8
91 240 Wagon 5 speed 211K daughters daily driver sold
2013 XC90 wife's daily driver 201K
06 XC90 175K sold
02 V70 XC 135K sold
05 XC90 251K sold
Volvo's that were driven and flipped:
92 240DL 215K
01 V70 TMU
00 S70 100K
99 V70 189K
94 940 136K
92 240 GL wagon TMU
85 240 DL 196K
90 240 DL 169K
95 850 wagon 250K
99 S70 135K
2006 Volvo XC90 V8
91 240 Wagon 5 speed 211K daughters daily driver sold
2013 XC90 wife's daily driver 201K
06 XC90 175K sold
02 V70 XC 135K sold
05 XC90 251K sold
Volvo's that were driven and flipped:
92 240DL 215K
01 V70 TMU
00 S70 100K
99 V70 189K
94 940 136K
92 240 GL wagon TMU
85 240 DL 196K
90 240 DL 169K
95 850 wagon 250K
99 S70 135K
-
aaron1611
- Posts: 148
- Joined: 2 April 2017
- Year and Model: 2006 XC90 V8
- Location: Norfolk, Virginia
- Has thanked: 2 times
- Been thanked: 5 times
I have to fly out for work today and will be gone for 2 weeks. I will be unable to trouble shoot it until l get back. I'll follow up once I replace the UEM.
2005 Volvo XC90 V8
2006 Volvo XC90 V8
91 240 Wagon 5 speed 211K daughters daily driver sold
2013 XC90 wife's daily driver 201K
06 XC90 175K sold
02 V70 XC 135K sold
05 XC90 251K sold
Volvo's that were driven and flipped:
92 240DL 215K
01 V70 TMU
00 S70 100K
99 V70 189K
94 940 136K
92 240 GL wagon TMU
85 240 DL 196K
90 240 DL 169K
95 850 wagon 250K
99 S70 135K
2006 Volvo XC90 V8
91 240 Wagon 5 speed 211K daughters daily driver sold
2013 XC90 wife's daily driver 201K
06 XC90 175K sold
02 V70 XC 135K sold
05 XC90 251K sold
Volvo's that were driven and flipped:
92 240DL 215K
01 V70 TMU
00 S70 100K
99 V70 189K
94 940 136K
92 240 GL wagon TMU
85 240 DL 196K
90 240 DL 169K
95 850 wagon 250K
99 S70 135K
-
scot850
- Posts: 14874
- Joined: 5 April 2010
- Year and Model: 2000 V70 R
- Location: Calgary, Alberta, Canada
- Has thanked: 1839 times
- Been thanked: 1709 times
All those issues you list are what happens when the alarm battery fails, all those things fail. I'm assuming as the First Gen XC90 is essentially the P2 chassis that were fitted with the alarm siren that the battery leaks and it kills it and takes these systems with it. Maybe someone else can confirm that they were also fitted with this.
Neil.
Neil.
2006 V70 2.5T AWD Polestar tune
2000 V70 R - still being an endless PITA
2006 XC70 - Our son now has this and still parked in our garage
2003 Toyota 4Runner V8 Limited
2015 Kia Sportage EX-L - Sold
1993 850 GLT -Sold
1998 V70 XC - Sold
1997 Volvo 850 SE NA - Went to niece in California - Sold
2000 V70 SE NA - Sold
2000 V70 R - still being an endless PITA
2006 XC70 - Our son now has this and still parked in our garage
2003 Toyota 4Runner V8 Limited
2015 Kia Sportage EX-L - Sold
1993 850 GLT -Sold
1998 V70 XC - Sold
1997 Volvo 850 SE NA - Went to niece in California - Sold
2000 V70 SE NA - Sold
- ggleavitt
- Posts: 741
- Joined: 4 June 2006
- Year and Model: 06,08 XC90 V8
- Location: Camano
- Has thanked: 23 times
- Been thanked: 126 times
They are one and the same, think in 2010 the PN changes for the XC90 and a FoMoCo part is used (has built in movement sensor I believe).
2006 V8 Ocean Race #740/800 200k, 2008 V8 Sport 183k
-
aaron1611
- Posts: 148
- Joined: 2 April 2017
- Year and Model: 2006 XC90 V8
- Location: Norfolk, Virginia
- Has thanked: 2 times
- Been thanked: 5 times
I really haven't seen any UEM's for sale online but it appears I need to remove mine and send it off?
2005 Volvo XC90 V8
2006 Volvo XC90 V8
91 240 Wagon 5 speed 211K daughters daily driver sold
2013 XC90 wife's daily driver 201K
06 XC90 175K sold
02 V70 XC 135K sold
05 XC90 251K sold
Volvo's that were driven and flipped:
92 240DL 215K
01 V70 TMU
00 S70 100K
99 V70 189K
94 940 136K
92 240 GL wagon TMU
85 240 DL 196K
90 240 DL 169K
95 850 wagon 250K
99 S70 135K
2006 Volvo XC90 V8
91 240 Wagon 5 speed 211K daughters daily driver sold
2013 XC90 wife's daily driver 201K
06 XC90 175K sold
02 V70 XC 135K sold
05 XC90 251K sold
Volvo's that were driven and flipped:
92 240DL 215K
01 V70 TMU
00 S70 100K
99 V70 189K
94 940 136K
92 240 GL wagon TMU
85 240 DL 196K
90 240 DL 169K
95 850 wagon 250K
99 S70 135K
-
aaron1611
- Posts: 148
- Joined: 2 April 2017
- Year and Model: 2006 XC90 V8
- Location: Norfolk, Virginia
- Has thanked: 2 times
- Been thanked: 5 times
So, do I need to disconnect the alarm siren and just remove it? I still can't find my Vida laptop, it's in storage, but I've read that doing so solves the problem of the sunroof.scot850 wrote: ↑22 Jul 2024, 14:39 All those issues you list are what happens when the alarm battery fails, all those things fail. I'm assuming as the First Gen XC90 is essentially the P2 chassis that were fitted with the alarm siren that the battery leaks and it kills it and takes these systems with it. Maybe someone else can confirm that they were also fitted with this.
Neil.
2005 Volvo XC90 V8
2006 Volvo XC90 V8
91 240 Wagon 5 speed 211K daughters daily driver sold
2013 XC90 wife's daily driver 201K
06 XC90 175K sold
02 V70 XC 135K sold
05 XC90 251K sold
Volvo's that were driven and flipped:
92 240DL 215K
01 V70 TMU
00 S70 100K
99 V70 189K
94 940 136K
92 240 GL wagon TMU
85 240 DL 196K
90 240 DL 169K
95 850 wagon 250K
99 S70 135K
2006 Volvo XC90 V8
91 240 Wagon 5 speed 211K daughters daily driver sold
2013 XC90 wife's daily driver 201K
06 XC90 175K sold
02 V70 XC 135K sold
05 XC90 251K sold
Volvo's that were driven and flipped:
92 240DL 215K
01 V70 TMU
00 S70 100K
99 V70 189K
94 940 136K
92 240 GL wagon TMU
85 240 DL 196K
90 240 DL 169K
95 850 wagon 250K
99 S70 135K
-
- Similar Topics
- Replies
- Views
- Last post






