Dash Cam thought? Hardwiring into power.
- erikv11
- Posts: 11800
- Joined: 25 July 2009
- Year and Model: 850, V70, S60R, XC70
- Location: Iowa
- Has thanked: 292 times
- Been thanked: 765 times
Re: Dash Cam thought? Hardwiring into power.
Black to black yes but for the hot wire look at your owner's manual, it explains all the different power choices.


'95 854 T-5R, Motronic 4.4, 185k
'98 V70, T5 tune-injectors-turbo, LPT engine, 304k, daily driver
'06 S60 R, 197k
'07 XC70, black, 205k
'07 XC70, willow green, 212k
'99 Camry V6
153k
gone: '96 NA 850 210k, '98 NA V70 182k, '98 S70 NA 225k, '96 855 NA 169k
'98 V70, T5 tune-injectors-turbo, LPT engine, 304k, daily driver
'06 S60 R, 197k
'07 XC70, black, 205k
'07 XC70, willow green, 212k
'99 Camry V6
gone: '96 NA 850 210k, '98 NA V70 182k, '98 S70 NA 225k, '96 855 NA 169k
-
scot850
- Posts: 14889
- Joined: 5 April 2010
- Year and Model: 2000 V70 R
- Location: Calgary, Alberta, Canada
- Has thanked: 1848 times
- Been thanked: 1710 times
One think to consider too is how you want the cam to work. Some of the cams have a sleep function, and if it senses movement around your car it will turn on. In that case you would want a constant live feed. If you don't have or want that function, then of course you can use a switchable feed. Another option would be the feed to the radio possibly depending on the current draw? The feed to the cigar lighter may be accessible from behind the radio so need to remove anymore than the radio and/or the coin tray section.
Neil.
Neil.
2006 V70 2.5T AWD Polestar tune
2000 V70 R - still being an endless PITA
2006 XC70 - Our son now has this and still parked in our garage
2003 Toyota 4Runner V8 Limited
2015 Kia Sportage EX-L - Sold
1993 850 GLT -Sold
1998 V70 XC - Sold
1997 Volvo 850 SE NA - Went to niece in California - Sold
2000 V70 SE NA - Sold
2000 V70 R - still being an endless PITA
2006 XC70 - Our son now has this and still parked in our garage
2003 Toyota 4Runner V8 Limited
2015 Kia Sportage EX-L - Sold
1993 850 GLT -Sold
1998 V70 XC - Sold
1997 Volvo 850 SE NA - Went to niece in California - Sold
2000 V70 SE NA - Sold
-
speedyt5
- Posts: 206
- Joined: 15 September 2010
- Year and Model: s70 t5, 1999
- Location: Texas
- Been thanked: 2 times
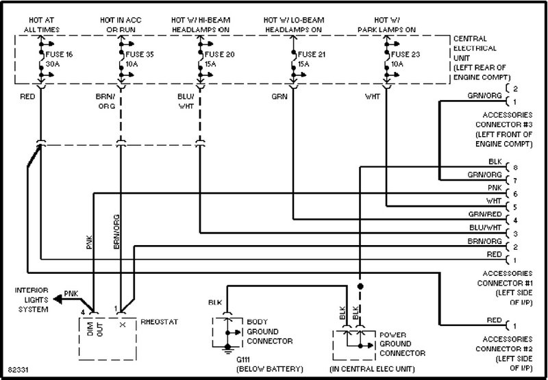
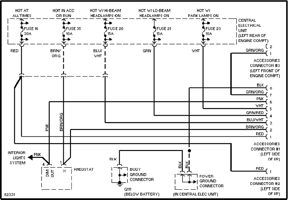
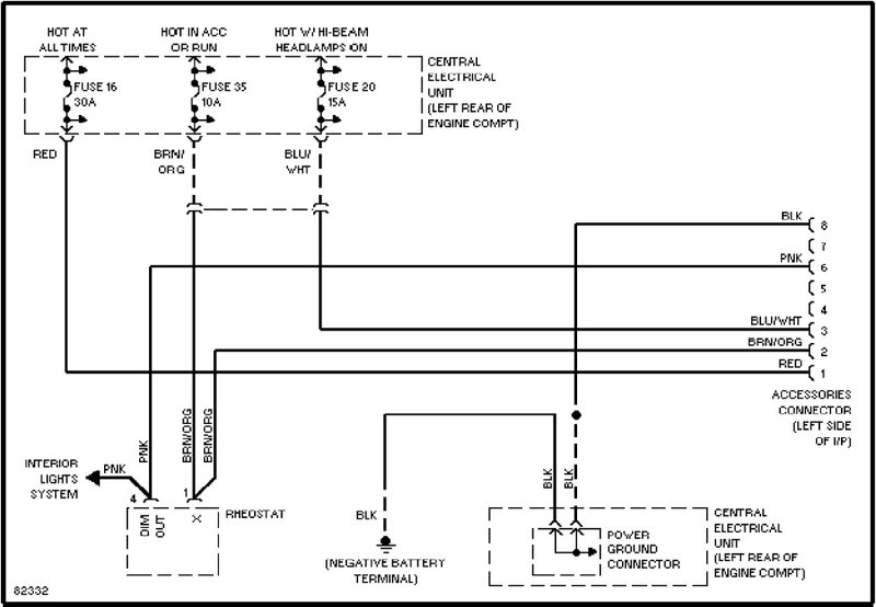
I could not find the info in the owners manual. Any suggestions on which wire to tap into? It's like defusing a bomb… which wire do I pull? Thanks for the photos!erikv11 wrote:Black to black yes but for the hot wire look at your owner's manual, it explains all the different power choices.
-
Sommerfeldt
- Posts: 1148
- Joined: 29 July 2008
- Year and Model: 2018 S90 T8
- Location: Oslo Area, Norway
- Has thanked: 55 times
- Been thanked: 42 times
Connector (for accessories) :
Position Connection Max.load
1 Battery + (30)20 A
2 X Supply 0,5 A
3 High beam 1 A
4 1 A
5 1 A
6 Rheostat 0,5 A
7 2 A
8 Earth (31) –
(Note that "x" doesn't mean "2 times whatnot", it means switched.
)
- S
Position Connection Max.load
1 Battery + (30)20 A
2 X Supply 0,5 A
3 High beam 1 A
4 1 A
5 1 A
6 Rheostat 0,5 A
7 2 A
8 Earth (31) –
(Note that "x" doesn't mean "2 times whatnot", it means switched.
- S
2018 S90 T8 Inscription - glossy black with amber interior and dark as night rear windows.
[Gone] '96 855 T5 - R bumper and spoiler, Koni Yellows & blue H&R springs all 'round.
[Sold] '97 S70 T5
[Gone] '95 855 T5-R - one of the black ones... sadly stolen and wrecked.
[Gone] '96 855 T5 - R bumper and spoiler, Koni Yellows & blue H&R springs all 'round.
[Sold] '97 S70 T5
[Gone] '95 855 T5-R - one of the black ones... sadly stolen and wrecked.
- erikv11
- Posts: 11800
- Joined: 25 July 2009
- Year and Model: 850, V70, S60R, XC70
- Location: Iowa
- Has thanked: 292 times
- Been thanked: 765 times
Not sure where you sourced this info but something is wrong, e.g. there are only 5 positions that are wired not all 8 (look at the photos), and I am pretty sure number 2 is rated to 10A, not just 0.5A ?? Maybe European market cars are different.Sommerfeldt wrote:Connector (for accessories) :
Position Connection Max.load
1 Battery + (30)20 A
2 X Supply 0,5 A
3 High beam 1 A
4 1 A
5 1 A
6 Rheostat 0,5 A
7 2 A
8 Earth (31) –
(Note that "x" doesn't mean "2 times whatnot", it means switched.)
- S
The ends inside the connector are female, which means you don't even have to cut the wire if you don't want to.
'95 854 T-5R, Motronic 4.4, 185k
'98 V70, T5 tune-injectors-turbo, LPT engine, 304k, daily driver
'06 S60 R, 197k
'07 XC70, black, 205k
'07 XC70, willow green, 212k
'99 Camry V6
153k
gone: '96 NA 850 210k, '98 NA V70 182k, '98 S70 NA 225k, '96 855 NA 169k
'98 V70, T5 tune-injectors-turbo, LPT engine, 304k, daily driver
'06 S60 R, 197k
'07 XC70, black, 205k
'07 XC70, willow green, 212k
'99 Camry V6
gone: '96 NA 850 210k, '98 NA V70 182k, '98 S70 NA 225k, '96 855 NA 169k
-
j-dawg
- Posts: 1154
- Joined: 20 April 2013
- Year and Model: 1999 V70 T5
- Location: Los Angeles, CA
- Has thanked: 4 times
- Been thanked: 33 times
this is fantastic. I had no idea it was a thing. Worlds of opportunity have just opened in my mind.
Previously I've just tapped into the radio harness. Switched, can tie into the headlight dimmer line if you like, easily reversible or replaced ('cause you don't have to splice into the factory harness).
1999 V70 T5 5-SPD | ~277k mi | sold
-
Sommerfeldt
- Posts: 1148
- Joined: 29 July 2008
- Year and Model: 2018 S90 T8
- Location: Oslo Area, Norway
- Has thanked: 55 times
- Been thanked: 42 times
Hm... I'm not sure either. That's what was in my notes for that thing, from back when I first got the current 850. I was planning on wiring it back up the way it's supposed to be, but thanks for calling attention to it - I may have some wrong info there, apparently.erikv11 wrote:Not sure where you sourced this info but something is wrong, e.g. there are only 5 positions that are wired not all 8 (look at the photos), and I am pretty sure number 2 is rated to 10A, not just 0.5A ?? Maybe European market cars are different.
The ends inside the connector are female, which means you don't even have to cut the wire if you don't want to.
- S
2018 S90 T8 Inscription - glossy black with amber interior and dark as night rear windows.
[Gone] '96 855 T5 - R bumper and spoiler, Koni Yellows & blue H&R springs all 'round.
[Sold] '97 S70 T5
[Gone] '95 855 T5-R - one of the black ones... sadly stolen and wrecked.
[Gone] '96 855 T5 - R bumper and spoiler, Koni Yellows & blue H&R springs all 'round.
[Sold] '97 S70 T5
[Gone] '95 855 T5-R - one of the black ones... sadly stolen and wrecked.
-
Sommerfeldt
- Posts: 1148
- Joined: 29 July 2008
- Year and Model: 2018 S90 T8
- Location: Oslo Area, Norway
- Has thanked: 55 times
- Been thanked: 42 times
Here's the one I'm talking about.
- S
2018 S90 T8 Inscription - glossy black with amber interior and dark as night rear windows.
[Gone] '96 855 T5 - R bumper and spoiler, Koni Yellows & blue H&R springs all 'round.
[Sold] '97 S70 T5
[Gone] '95 855 T5-R - one of the black ones... sadly stolen and wrecked.
[Gone] '96 855 T5 - R bumper and spoiler, Koni Yellows & blue H&R springs all 'round.
[Sold] '97 S70 T5
[Gone] '95 855 T5-R - one of the black ones... sadly stolen and wrecked.
-
Sommerfeldt
- Posts: 1148
- Joined: 29 July 2008
- Year and Model: 2018 S90 T8
- Location: Oslo Area, Norway
- Has thanked: 55 times
- Been thanked: 42 times
... and here's the one in the pictures. Depending on which one's on OP's car, this should be enough to figure out where to plug in the dashcam.
- S
2018 S90 T8 Inscription - glossy black with amber interior and dark as night rear windows.
[Gone] '96 855 T5 - R bumper and spoiler, Koni Yellows & blue H&R springs all 'round.
[Sold] '97 S70 T5
[Gone] '95 855 T5-R - one of the black ones... sadly stolen and wrecked.
[Gone] '96 855 T5 - R bumper and spoiler, Koni Yellows & blue H&R springs all 'round.
[Sold] '97 S70 T5
[Gone] '95 855 T5-R - one of the black ones... sadly stolen and wrecked.
-
- Similar Topics
- Replies
- Views
- Last post
-
- 2 Replies
- 728 Views
-
Last post by chris S60LaRosa
-
- 5 Replies
- 1217 Views
-
Last post by mrbrian200






