Signs of life!
With seemingly no rhyme or reason, I have dash lights, power seats and windows etc. Even though it won’t start, I’m still happy.
See notes for details regarding fuse 25. I’ll get back at it tomorrow, and try to get it started. Thanks for everyone’s input so far, much appreciated.
2005 S60R No Start No Dash Lights No Remote Lock/Unlock
-
imaV70Rdriver
- Posts: 65
- Joined: 19 January 2018
- Year and Model: 2004 V70R
- Location: Bay Area
- Been thanked: 6 times
Re: 2005 S60R No Start No Dash Lights No Remote Lock/Unlock
- Attachments
-
- AF19531E-4E52-429B-A8B6-AA674C8C1F65.jpeg (716.9 KiB) Viewed 877 times
- firstv70volvo
- Posts: 574
- Joined: 6 March 2010
- Year and Model: V70 T5 2001
- Location: Sacramento, CA
- Has thanked: 52 times
- Been thanked: 123 times
Based on your previous measurements on fuse 25 terminals and these recent measurements I'm going to say you have an intermittent 12V power delivery to fuse 25, which is power to the ignition switch.imaV70Rdriver wrote: ↑13 Feb 2023, 15:59 Signs of life!
With seemingly no rhyme or reason, I have dash lights, power seats and windows etc. Even though it won’t start, I’m still happy.
See notes for details regarding fuse 25. I’ll get back at it tomorrow, and try to get it started. Thanks for everyone’s input so far, much appreciated.
Some key things to keep in mind; you should always have 12V power to one fuse 25 socket with the fuse removed, the forward socket as mentioned.
With the fuse installed you should have 12V on both fuse sockets when measuring the voltage between the fuse sockets to ground. There should never been any voltage drop/difference between the two fuse socket pins when fuse is installed. Having the key inserted or removed in the ignition switch should not change 12V power to the fuse(25) or on the other side of the fuse when the fuse is installed.
The power distribution to socket 25 starts with 12V to the engine compartment fuse box, the large red wire connected to the back of the engine comparment fuse box. The 12V path from the main fuse box connector then goes through 11A/4 60A fuse (underside of fuse box) and out the 15/28 pin1 connector, also on the underside of the fuse box. The 12V path continues to a big terminal connector 54LD-3 near the firewall and onto the fuse box in the passenger compartment. I'm thinking somewhere in this 12V path there's a flaky connection and no or intermittent 12V supply to fuse 25. It could also be a between fuse 25 and the ignition switch too but base on your original measurements I think it's from the engine compartment fuse box to the passenger compartment fuse box. If there's a 12V supply problem to fuse 25 is may also mean many other fuses won't have 12V, fuses 21-24 and 25-29 in the passenger compartment are all supplied 12V power from fuse 11A/4 in the engine compartment fuse box.
12V power through 11A/4 60A fuse on underside of fuse box 12V power out on pin 1 of 15/28 connector, underside of engine compartment fuse box 12V path to main terminal connector near firewall pin 54LD-3, the pin just above the center hold down screw power distribution from 11A/4 fuse (C input line) to passenger compartment fuses
-
imaV70Rdriver
- Posts: 65
- Joined: 19 January 2018
- Year and Model: 2004 V70R
- Location: Bay Area
- Been thanked: 6 times
firstv70volvo, so kind of you to go through this in such detail. I’ll check it out tomorrow.
From my early notes… there IS power at the forward-most terminal of fuse 25 (to ground), with fuse 25 removed and no key in ignition. There is no voltage reading across the fuse 25 terminals with the fuse removed, with no key in the ignition. However, there IS power across fuse 25 terminals with the key in the ignition, in position 0.
From my early notes… there IS power at the forward-most terminal of fuse 25 (to ground), with fuse 25 removed and no key in ignition. There is no voltage reading across the fuse 25 terminals with the fuse removed, with no key in the ignition. However, there IS power across fuse 25 terminals with the key in the ignition, in position 0.
-
precopster
- Posts: 7543
- Joined: 21 August 2010
- Year and Model: Lots
- Location: Melbourne Australia
- Has thanked: 8 times
- Been thanked: 128 times
The power wires in the rear of the car are probably corroded. This Volvo is playing games with you 
Current cars VW Transporter 2.5TDI, 2010 XC90 D5 R Design
- firstv70volvo
- Posts: 574
- Joined: 6 March 2010
- Year and Model: V70 T5 2001
- Location: Sacramento, CA
- Has thanked: 52 times
- Been thanked: 123 times
When you say there is power across fuse 25 terminals with the key in the ignition and in position 0, is the fuse still removed when this measurement is taken? I'm assuming you're measuring 12V across the fuse 25 terminals, is this correct?imaV70Rdriver wrote: ↑13 Feb 2023, 18:06 firstv70volvo, so kind of you to go through this in such detail. I’ll check it out tomorrow.
From my early notes… there IS power at the forward-most terminal of fuse 25 (to ground), with fuse 25 removed and no key in ignition. There is no voltage reading across the fuse 25 terminals with the fuse removed, with no key in the ignition. However, there IS power across fuse 25 terminals with the key in the ignition, in position 0.
- abscate
- MVS Moderator
- Posts: 35273
- Joined: 17 February 2013
- Year and Model: 99: V70s S70s,05 V70
- Location: Port Jefferson Long Island NY
- Has thanked: 1498 times
- Been thanked: 3810 times
For troubleshooting you need to record your battery voltage to three significant figures , measured with one cable disconnected , then report your test voltages as 12.X volts with the same meter. Small differences are important in the era of electronic cars
Empty Nester
A Captain in a Sea of Estrogen
1999-V70-T5M56 2005-V70-M56 1999-S70 VW T4 XC90-in-Red
Link to Maintenance record thread
A Captain in a Sea of Estrogen
1999-V70-T5M56 2005-V70-M56 1999-S70 VW T4 XC90-in-Red
Link to Maintenance record thread
-
imaV70Rdriver
- Posts: 65
- Joined: 19 January 2018
- Year and Model: 2004 V70R
- Location: Bay Area
- Been thanked: 6 times
Correct. Fuse 25 removed in the following two scenarios. No power across the fuse 25 terminals with no key in ignition. There is power across the fuse 25 terminals when key is in ignition but not turned.firstv70volvo wrote: ↑13 Feb 2023, 21:35When you say there is power across fuse 25 terminals with the key in the ignition and in position 0, is the fuse still removed when this measurement is taken? I'm assuming you're measuring 12V across the fuse 25 terminals, is this correct?imaV70Rdriver wrote: ↑13 Feb 2023, 18:06 firstv70volvo, so kind of you to go through this in such detail. I’ll check it out tomorrow.
From my early notes… there IS power at the forward-most terminal of fuse 25 (to ground), with fuse 25 removed and no key in ignition. There is no voltage reading across the fuse 25 terminals with the fuse removed, with no key in the ignition. However, there IS power across fuse 25 terminals with the key in the ignition, in position 0.
- firstv70volvo
- Posts: 574
- Joined: 6 March 2010
- Year and Model: V70 T5 2001
- Location: Sacramento, CA
- Has thanked: 52 times
- Been thanked: 123 times
With the fuse removed those measurements look reasonable. When the key is in the ignition the rearward fuse socket is connected to the CEM through the ignition switch and why you see the voltage across the fuse 25 terminals, on the CEM side there's most likely a resistor to ground internally so you're measuring the 12V supply on the forward fuse socket to a ground level through the CEM. Since there's no current flow you're probably seeing the same voltage as when you're measuring the fuse 12V supply side to chassis ground. When the key is removed there's no ground or other voltage level on the rearward fuse socket because the ignition switch is open to the CEM at this point. When the key is inserted there's always the 12V on a CEM input pin from the S pin on the ignition switch and the CEM functions are different based on if the key is detected or not. This isn't the main power supply to the CEM.imaV70Rdriver wrote: ↑14 Feb 2023, 09:12Correct. Fuse 25 removed in the following two scenarios. No power across the fuse 25 terminals with no key in ignition. There is power across the fuse 25 terminals when key is in ignition but not turned.firstv70volvo wrote: ↑13 Feb 2023, 21:35When you say there is power across fuse 25 terminals with the key in the ignition and in position 0, is the fuse still removed when this measurement is taken? I'm assuming you're measuring 12V across the fuse 25 terminals, is this correct?imaV70Rdriver wrote: ↑13 Feb 2023, 18:06 firstv70volvo, so kind of you to go through this in such detail. I’ll check it out tomorrow.
From my early notes… there IS power at the forward-most terminal of fuse 25 (to ground), with fuse 25 removed and no key in ignition. There is no voltage reading across the fuse 25 terminals with the fuse removed, with no key in the ignition. However, there IS power across fuse 25 terminals with the key in the ignition, in position 0.
-
imaV70Rdriver
- Posts: 65
- Joined: 19 January 2018
- Year and Model: 2004 V70R
- Location: Bay Area
- Been thanked: 6 times
Today I connected VIDA, tried to update but it wanted me to start the car to clear some modules. So I turned the key and what do you know, it cranked over, but didn’t start. It started on the second try like nothing had been wrong. I had no rad fluid so turned it off after about 20 seconds. I tried again a minute later and it started perfectly. Turned it off and tried a third time, then no crank, no start. I got it started once more during the next 10 minutes or so of trying. Now it’s doing the same thing as it was doing when I needed to get it towed in the first place. No crank, no start. But full dash lights, door locks, windows etc all working. This is a manual transmission, and I’ve wondered about the clutch position sensor, perhaps not registering that it is sufficiently depressed to allow it to start, but I don’t have any drivability issues when changing gears, which I read can be an indicator of a failing sensor.
I wasn’t able to clear the BCM DTC code (stored in the CEM, I think) due to not being able to start the car again, but here a few pics from VIDA today. I’ll keep trying to clear it though the start procedure and will try to update the BCM code issue.
I have the siren/alarm fuse pulled.
I wasn’t able to clear the BCM DTC code (stored in the CEM, I think) due to not being able to start the car again, but here a few pics from VIDA today. I’ll keep trying to clear it though the start procedure and will try to update the BCM code issue.
I have the siren/alarm fuse pulled.
- Attachments
-
- EA0C77BC-A1F3-4BFE-8A40-92315B791CAE.jpeg (568.15 KiB) Viewed 753 times
-
- C56DB803-23CE-4614-B550-062D115CBEB9.jpeg (493.06 KiB) Viewed 753 times
-
- 72A3E261-488B-49D7-BFFE-DD06FFBCB77A.jpeg (683.66 KiB) Viewed 753 times
-
- F49C6121-4E5D-419A-B1FC-43DA4EE97096.jpeg (504.77 KiB) Viewed 753 times
- firstv70volvo
- Posts: 574
- Joined: 6 March 2010
- Year and Model: V70 T5 2001
- Location: Sacramento, CA
- Has thanked: 52 times
- Been thanked: 123 times
Next time you have a no crank condition, get a helper and while the ignition is turned to start listen to the starter relay for a click, it's located in the engine compartment fuse box. You could also swap the relay out with an equivalent relay to see if the relay may be the problem. For the engine to crank the ignition switch has to connect 12V to pin 50 of the switch (POS III), which should energize the starter relay and connect 12V to the starter motor. If the relay is not getting energized it's either not getting 12V from the ignition when in pos III or possibly the relay itself or also there's a connection to the CEM which is needs to be a ground for the relay coil. If the relay is working okay then you need to check 12V to the starter motor from the relay. Starter motor may also be a problem if the relay and power to the starter is okay.imaV70Rdriver wrote: ↑14 Feb 2023, 14:57 Today I connected VIDA, tried to update but it wanted me to start the car to clear some modules. So I turned the key and what do you know, it cranked over, but didn’t start. It started on the second try like nothing had been wrong. I had no rad fluid so turned it off after about 20 seconds. I tried again a minute later and it started perfectly. Turned it off and tried a third time, then no crank, no start. I got it started once more during the next 10 minutes or so of trying. Now it’s doing the same thing as it was doing when I needed to get it towed in the first place. No crank, no start. But full dash lights, door locks, windows etc all working. This is a manual transmission, and I’ve wondered about the clutch position sensor, perhaps not registering that it is sufficiently depressed to allow it to start, but I don’t have any drivability issues when changing gears, which I read can be an indicator of a failing sensor.
I wasn’t able to clear the BCM DTC code (stored in the CEM, I think) due to not being able to start the car again, but here a few pics from VIDA today. I’ll keep trying to clear it though the start procedure and will try to update the BCM code issue.
I have the siren/alarm fuse pulled.
Because so many of the problems you've been having are CEM related and if you haven't done so already, I would disconnect the battery, drop the CEM, disconnect the main connector (1 10mm bolt) and check all the pin connectors for corrosion. Since your car is a 2004 you should be able to do this from the footwell area.
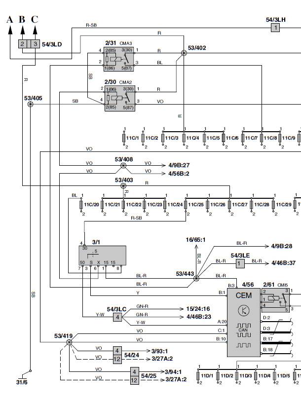
2002 wiring diagram, your 2005 may be different
-
- Similar Topics
- Replies
- Views
- Last post






