Login Register

Ignition good but won't turn engine over. Immobilized?

Help, Advice, Owners' Discussion and DIY Tutorials on Volvo's stylish, distinctive P2 platform cars sold as model years 2001-2007 (North American market year designations).

2001 - 2007 V70
2001 - 2004 V70 XC (Cross Country)
2004 - 2007 XC70 (Cross Country)
2001 - 2009 S60
2003 - 2007 S60 R
2004 - 2007 V70 R

Post Reply
Briggi
Posts: 16
Joined: 30 August 2012
Year and Model: V70 T5 2001
Location: Utah

Ignition good but won't turn engine over. Immobilized?

Post by Briggi »

2001 V70 T5 , 75K miles
During a recent trip away, car had been parked 2 months, outdoors, unused. On return this week, car started up right away, normally. I then reparked the car about 100 feet away and left it overnight. Next day, went to use the car. This time, on turning ignition key, heard slight starter relay click but engine would not crank nor turn nor fire. Full electrics available at dash and windows and locks. Voltage check at battery showed low... 11.5V. Tried jumpstart with cables to engine compartment . No go. Tried jumpstart with cables direct to battery compartment aft. No go. Tried starting with V70's battery disconnected and power coming through jumper cables to V70's battery cable clamps in rear. No go. Then recharged V70 battery to 12.5V and tried ignition again. No go.
I should mention that at first ignition attempt, an immobilizer message appeared, stating see manual. Check engine light had been iluminating but car had been driving normally. The message soon vanished and has not reappeared since no matter what I did to get it to come back... Was the message a fluke or is this an immobilizer issue?
Time for some online searching.
I tried the 5x lock-unlock reset. No go. I tried battery disconnect for reset. No go. Wire leads to starter seem not to be loose. Jiggled wires; tried ignition. No go. Ignition related fuses are all in order.

Questions:
- How to I.D. the starter relay , then how to check if it is good?
- Is this an immobilizer issue ?
- Where is the antenna ring and how to replace it ? Would this replacement require a dealership service reprogram ?
- What further DIY things should I perform before calling in professional service ?

I will be glad for your comments, experiences, & information.

Briggi

93SCMax
Posts: 396
Joined: 11 February 2012
Year and Model: 2001 V70 T5 mt
Location: Lowcountry, SC
Has thanked: 36 times
Been thanked: 44 times

Post by 93SCMax »

I think you probably have answered your question. I had this happen on my 2001 V70 T5 a few years back. The immobilizer ring around the ignition key had to be replaced. This wasn't something I could handle so, once I got it started, it went to the dealer for repair (was under warranty). Before you take it to the dealer, try your second key (if you have one). It may be the the ring can't sense your 1st key, but may be able to pick-up the 2nd key.

Are you sure you don't have a bad cell in your battery. A bad battery will also create a similar issue. If your battery is more than 7 years old, I'd buy a new Volvo battery 1st and see if that fixes the issue.

Good luck.

Briggi
Posts: 16
Joined: 30 August 2012
Year and Model: V70 T5 2001
Location: Utah

Post by Briggi »

Tried 2nd key. no joy.
Recharged battery this morning off solar power up to 13V reading. reinstalled batt. No luck. Still won't crank but all dash lights seem perfectly normal. No sign of immobilisation idicator. Barely audible click on turn of ignition key ; is this the starter relay?
The fact is the car fired right up when I got home last week, so how would the antenna ring go down all of a sudden like that?

To have the v70 trucked 110 miles to Salt Lake City V dealer from the woods here, would cost 150$, plus 60$ I think it is now, for a diagnosis fee.... then you get into the parts/labor shock story. Wanting to avoid all of the unpleasantness, even if it means DIY wrenching. Look at it as educational.

Still open for all thoughts, theories, notions, & advice

vtl
Posts: 4723
Joined: 16 August 2012
Year and Model: 2005 XC70
Location: Boston
Has thanked: 114 times
Been thanked: 603 times

Post by vtl »

Antenna module is bullet-proof, I once fried it with 30v instead of 12v, reverse polarity. Survived and worked well.

My 2002 V70 had same or similar problem (to add more stress, my wife was overdue with delivery for almost a week ;), I ended up replacing the whole starter by a cheap rebuild at night. Two months later it failed again. The reason of failure was oxidized contact on starter relay. Had to scratch both contacts with flat screwdriver, squeeze a bit and add electric grease - no single failure since that.

Also it's possible that your starter is really worn and the relay is sticky. Usually crowbar helps for some time until you get a new starter.

Briggi
Posts: 16
Joined: 30 August 2012
Year and Model: V70 T5 2001
Location: Utah

Post by Briggi »

starter relay possibility:
How do you identify starter relay? and how to test it for good or not? The map inside the engine fusebox lid bears no relation to the actual layout of relays.
Air is pretty dry around here and oxidation/rust is nowhere near as prevalent as say the east coast. But you know I will look at every possibility at this point.

battery possibility:
current battery is an autoZone that was put in late last year less than 4000 miles back. But it may have gone bad during the 2 month winter storage as battery was hooked up all that time ?

Another possibility? : maybe the alarm went off during storage when an animal bumped the car... or when a snow clump may have fallen off a tree onto the car? Could the alarm going off in my absence unattended, have drawn down the battery and then interrupted the circuit enough to retroactively put an immobilizastion on it? Just reaching for straws here.

vtl
Posts: 4723
Joined: 16 August 2012
Year and Model: 2005 XC70
Location: Boston
Has thanked: 114 times
Been thanked: 603 times

Post by vtl »

Briggi wrote:starter relay possibility:
Uh, oh, I said "starter relay" where should be "starter solenoid".
Air is pretty dry around here and oxidation/rust is nowhere near as prevalent as say the east coast.
Starter is attached to engine/gbox, it heats up to 150-200F and vibrates with engine all the time. It is open to incoming air flow. You don't need much water in air to degrade contact in such conditions.
Another possibility? : maybe the alarm went off during storage when an animal bumped the car... or when a snow clump may have fallen off a tree onto the car? Could the alarm going off in my absence unattended, have drawn down the battery and then interrupted the circuit enough to retroactively put an immobilizastion on it? Just reaching for straws here.
Immobilizer lets engine run for ~3 seconds and then shuts it down. And you will have a clear text message that immobilizer inhibits engine start.

DGM
Posts: 459
Joined: 23 December 2010
Year and Model: V70 2.4i 2005
Location: Quebec, Canada
Been thanked: 3 times

Post by DGM »

It could be the ignition switch. Have you tried to activate the solenoid with a jumper to see if the starter turns?

Many have reported defective or intermittent ignition switches. The following thread may help.

https://www.matthewsvolvosite.com/forums ... =9&t=50743

:)
V70 2005 2.4i 195,000km, sold
S70 1998 T5 355,000km, sold
960 1994 80,000km, sold
760 1990 Turbo 265,000km, sold

Briggi
Posts: 16
Joined: 30 August 2012
Year and Model: V70 T5 2001
Location: Utah

Post by Briggi »

So we have sort of eliminated the immobilizer as root cause of no crank.
arrite let's look at the starter >>>

VTL, you mentioned crowbar? Do what with it to the starter?

That starter is crowded in there under & behind different tubes and such. How to access for testing? Which of the terminals or contacts is the (+), the (-), the ground,...? How to hook up jumper cables in that restricted space? Or maybe a smaller pair of aligator clips? Clip power from battery on to pos & neg of starter ?... or pos of starter & ground on engine?
And this: how to do this starter test without removal of starter?

DGM
Posts: 459
Joined: 23 December 2010
Year and Model: V70 2.4i 2005
Location: Quebec, Canada
Been thanked: 3 times

Post by DGM »

Briggi wrote: How to access for testing? Which of the terminals or contacts is the (+), the (-), the ground,...? How to hook up jumper cables in that restricted space? Or maybe a smaller pair of aligator clips? Clip power from battery on to pos & neg of starter ?... or pos of starter & ground on engine?
And this: how to do this starter test without removal of starter?
This can be done by under the relay in the main fuse box of the engine compartment.

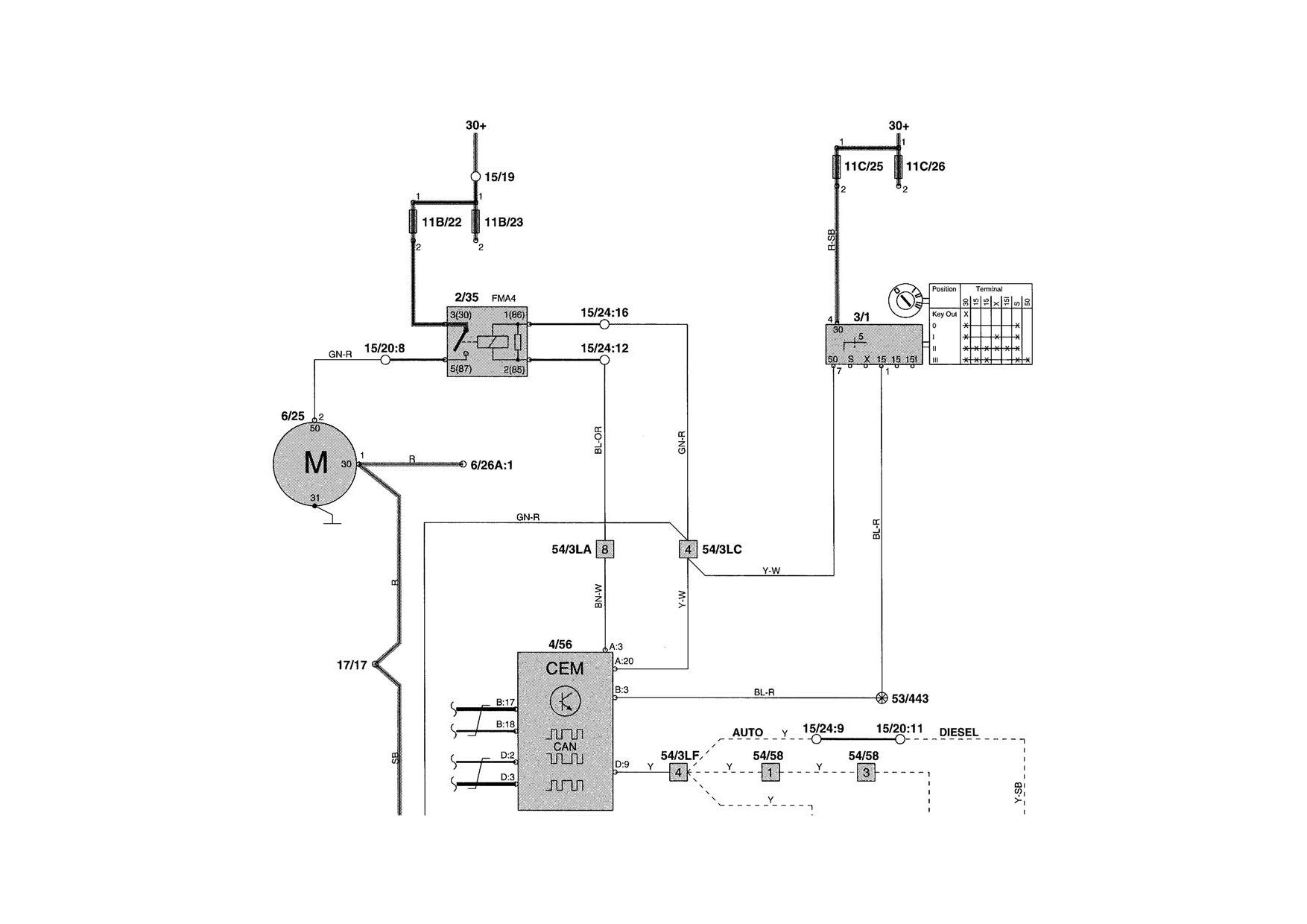
The relay is 2/35 in position FMA4. You can unplug it and look under for the spade identified 87 ( one of the two big ones). The idea is to insert a small guage wire in the hole of the spade and to plug it back. This is to bring 12V to the solenoid. The other end can be contacted briefly with the +battery post as if you would start the car. The ignition must be in position II at that time.

This is not the only one way to do it. Also you can remove the cover on the relay and activate it manually (pry the cover by under lightly). It is another approach. Look at this video from Eric the car guy on the subject.

https://www.ericthecarguy.com/videos/7- ... Wmt6gorzUg

This is the wiring diagram for your car.
V70 2001.jpg

:)
V70 2005 2.4i 195,000km, sold
S70 1998 T5 355,000km, sold
960 1994 80,000km, sold
760 1990 Turbo 265,000km, sold

Tonyx
Posts: 157
Joined: 13 November 2011
Year and Model: 2001 XC70
Location: Michigan
Has thanked: 3 times
Been thanked: 8 times

Post by Tonyx »

OP, same thing happen to me a few months ago. I drove the car to dealer for some body work and after short period of being parked, it refused to start - all lights light up but absolutely would not engage the starter.

I had it towed on flatbed($$$) to a Volvo dealer($$$) 20 miles away. Turned out it was the starter solenoid sensing wire corroded on the terminal as VTL mentioned earlier.

Suggest you reach behind the starter(which faces pass side) under the intake manifold and give gentle tug on the lone green wire coming off the solenoid. That may nudge enough corrosion to get you stated. Then you will know what to do. The fix is really cheap and simple - cut the wire and splice in a spade connector and insert back into solenoid. GL.
2003 XC70 230K and counting..,

Post Reply
  • Similar Topics
    Replies
    Views
    Last post