2004 s60 a/c blower intermittently not working
-
babygirl7345
- Posts: 4
- Joined: 15 January 2014
- Year and Model: s60 2004
- Location: florida
2004 s60 a/c blower intermittently not working
my a/c blower for the most part doesn't work. It doesn't matter what setting, high, low, hot or cold. Randomly when i drive over a bump or turn a corner it will come on. I took the blower motor out and tested with the battery and it runs fine. Do I most likely need to replace my resistor or is it possible I have a short somewhere?
-
JRL
- Posts: 9350
- Joined: 22 November 2005
- Year and Model: Several
- Location: 19333
- Been thanked: 16 times
Blower/resistor are together on P2s...... replace
Mod note. Jim passed away in early 2022, his contributions to this forum are immortal, and he is missed. RIP
2000 V70R Black, 144,000 miles Wife's R.
2007 V70 2.5T White/Oak 111,000 MILES. Polestar tune, IPD bars, rear spoiler, dark grey Thors, DWS 06, HU850, sub.
2000 V70R Black, 144,000 miles Wife's R.
2007 V70 2.5T White/Oak 111,000 MILES. Polestar tune, IPD bars, rear spoiler, dark grey Thors, DWS 06, HU850, sub.
-
babygirl7345
- Posts: 4
- Joined: 15 January 2014
- Year and Model: s60 2004
- Location: florida
Thank you, that's what I was thinking but wanted to be sure before I purchased a new blower motor.
-
moosemanusa
- Posts: 18
- Joined: 8 January 2014
- Year and Model: Different Vol's
- Location: Texas, United States
Does it do it on warm also? Sometimes it's the dial.
-
jimmy57
- Posts: 6694
- Joined: 12 November 2010
- Year and Model: 2004 V70R GT, et al
- Location: Ponder Texas
- Has thanked: 4 times
- Been thanked: 320 times
My 2004 P2 with 200K miles was doing this (no blower at times and then a bump would make it start). The blower motor brushes were worn out. I took it out of car and it ran batt jumpered until I moved it around and then it quit. I installed a new one. I did an autopsy on the old one and the brushes were little nubs. Motor was full of brush dust. The motor is not made to be serviced.
-
DGM
- Posts: 459
- Joined: 23 December 2010
- Year and Model: V70 2.4i 2005
- Location: Quebec, Canada
- Been thanked: 3 times
If you want to replace the motor we have this "How to" on the subject.
https://www.matthewsvolvosite.com/forums ... =9&t=21343

https://www.matthewsvolvosite.com/forums ... =9&t=21343
V70 2005 2.4i 195,000km, sold
S70 1998 T5 355,000km, sold
960 1994 80,000km, sold
760 1990 Turbo 265,000km, sold
S70 1998 T5 355,000km, sold
960 1994 80,000km, sold
760 1990 Turbo 265,000km, sold
-
babygirl7345
- Posts: 4
- Joined: 15 January 2014
- Year and Model: s60 2004
- Location: florida
I purchased a replacement blower motor with module and it still doesn't work. I've been told to try replacing the ac control relay. Could this be my problem?
-
DGM
- Posts: 459
- Joined: 23 December 2010
- Year and Model: V70 2.4i 2005
- Location: Quebec, Canada
- Been thanked: 3 times
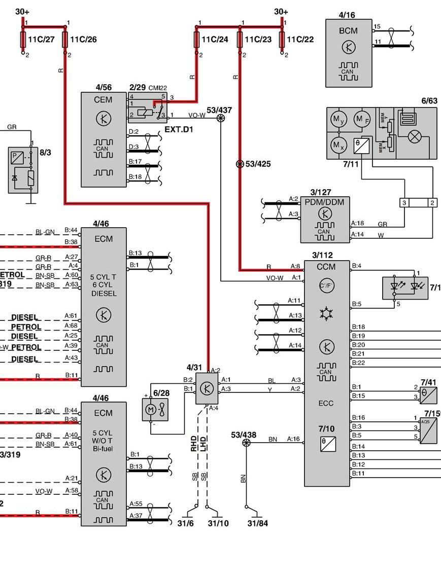
Verify/replace fuse (11C26) on the left hand side of your dashboard (30 Amps). It could be deformed or damaged. Check wiring and plug terminals. Measure battery voltage at the control unit (4/31) plug. Verify ground continuity from the plug to the chassis. The control unit regulates motor speed (6/28) based on the signal received by the CCM (3/112).
If you find nothing have the car scanned for codes ideally with Vida-Dice. You may have a condition that interfere with the CCM operation.

If you find nothing have the car scanned for codes ideally with Vida-Dice. You may have a condition that interfere with the CCM operation.
V70 2005 2.4i 195,000km, sold
S70 1998 T5 355,000km, sold
960 1994 80,000km, sold
760 1990 Turbo 265,000km, sold
S70 1998 T5 355,000km, sold
960 1994 80,000km, sold
760 1990 Turbo 265,000km, sold
-
babygirl7345
- Posts: 4
- Joined: 15 January 2014
- Year and Model: s60 2004
- Location: florida
Blower motor still intermittently not working no matter the setting, hot, cold, high, low and everything between. When it works, all functions work properly. When it isn't working it will randomly turn on after hitting a bump or turning a corner. Also something new I've noticed, the blower motor occasionally runs when the car is totally turned off and no keys in the ignition. Tried replacing the blower motor and resistor, checked fuses and had a mechanic test for power to motor and control panel. The mechanic couldn't be sure of the problem because the motor was working correct at the time. He said possibly the control panel is bad. I want to be sure that this is the problem because control panels, from what the mechanic said, are expensive.
- oragex
- Posts: 5347
- Joined: 24 May 2013
- Year and Model: S60 2003
- Location: Canada
- Has thanked: 102 times
- Been thanked: 352 times
- Contact:
There could be a short in a wire or a corroded connector under the dash - such as from water/coolant dipping. The blower should not have voltage without keys in ignition.
Several Volvo Repair Videos https://www.youtube.com/playlist?list=P ... s0FSVSOT_c
-
- Similar Topics
- Replies
- Views
- Last post
-
- 0 Replies
- 587 Views
-
Last post by Mojobaby27
-
- 1 Replies
- 644 Views
-
Last post by abscate






