You are correct that one of the bolts on the tensioner isn't really accessible. As I recall I used 1/4" drive ratchet to snug it but I had to hand thread it in to a point where I could get enough clearance to slip the socket on over the bolt head.
...Lee
'98 Alternator/Power Steering pump refit -- A Cry for Help Topic is solved
-
Ozark Lee
- MVS Moderator
- Posts: 14798
- Joined: 7 September 2006
- Year and Model: Many Volvos
- Location: USA Midwest
- Has thanked: 4 times
- Been thanked: 75 times
Re: '98 Alternator/Power Steering pump refit -- A Cry for Help
'94 850 N/A 5 speed
'96 Platinum Edition Turbo
Previous:
1999 V70XC - Nautic Blue - Totaled while parked.
1999 V70XC - RIP - Wrecked Parts Car.
1998 S70 T5
1996 850 N/A
1989 740 GLT
1986 740 GLT
1972 142 Grand Luxe
'96 Platinum Edition Turbo
Previous:
1999 V70XC - Nautic Blue - Totaled while parked.
1999 V70XC - RIP - Wrecked Parts Car.
1998 S70 T5
1996 850 N/A
1989 740 GLT
1986 740 GLT
1972 142 Grand Luxe
-
scot850
- Posts: 14881
- Joined: 5 April 2010
- Year and Model: 2000 V70 R
- Location: Calgary, Alberta, Canada
- Has thanked: 1846 times
- Been thanked: 1710 times
Evan, can you take a picture of the hole you are trying to get to and the power steering pump from the front and side? My 97 850 should be the same and then I can compare it for you to see if there is something in the wrong place. Just did the timing belt and removed the tensioner without any access issues so makes me think smoething is out of whack.
Neil.
Neil.
2006 V70 2.5T AWD Polestar tune
2000 V70 R - still being an endless PITA
2006 XC70 - Our son now has this and still parked in our garage
2003 Toyota 4Runner V8 Limited
2015 Kia Sportage EX-L - Sold
1993 850 GLT -Sold
1998 V70 XC - Sold
1997 Volvo 850 SE NA - Went to niece in California - Sold
2000 V70 SE NA - Sold
2000 V70 R - still being an endless PITA
2006 XC70 - Our son now has this and still parked in our garage
2003 Toyota 4Runner V8 Limited
2015 Kia Sportage EX-L - Sold
1993 850 GLT -Sold
1998 V70 XC - Sold
1997 Volvo 850 SE NA - Went to niece in California - Sold
2000 V70 SE NA - Sold
- E Showell
- Posts: 3275
- Joined: 16 October 2008
- Year and Model: ‘07 S80 3.2
- Location: Long Valley, N.J.
- Has thanked: 37 times
- Been thanked: 111 times
Neil, I am working on the serpentine belt, not timing belt. I'll see if I can get some pictures.
Lee, it is not apparent to me that I even have clearance to start the bolt by hand.
Lee, it is not apparent to me that I even have clearance to start the bolt by hand.
'98 V70 NA FWD 5 spd, silver sand metallic (sold)
'99 V70 NA FWD Auto, dark blue (sold)
'99 S70 NA FWD Auto, black (sold and resurrected -- Don't cry for me Argentina . . . )
'07 S80 3.2 FWD Auto, Barents Blue Metallic
'06 V70 R AWD Auto, Sonic Blue Metallic (sold)
'04 XC70 Ruby Red Metallic (sold)
'95 855 auto (sold)
'86 245 manual (sold)
'05 V70 T5 M (totalled)
'06 V70 FWD Auto (totalled)
'02 Honda Insight CVT
‘04 Honda Insight CVT — “Yesterday’s car of tomorrow” (sold)
‘06 Honda Insight CVT
'99 V70 NA FWD Auto, dark blue (sold)
'99 S70 NA FWD Auto, black (sold and resurrected -- Don't cry for me Argentina . . . )
'07 S80 3.2 FWD Auto, Barents Blue Metallic
'06 V70 R AWD Auto, Sonic Blue Metallic (sold)
'04 XC70 Ruby Red Metallic (sold)
'95 855 auto (sold)
'86 245 manual (sold)
'05 V70 T5 M (totalled)
'06 V70 FWD Auto (totalled)
'02 Honda Insight CVT
‘04 Honda Insight CVT — “Yesterday’s car of tomorrow” (sold)
‘06 Honda Insight CVT
-
Teddy1975
- Posts: 257
- Joined: 6 January 2016
- Year and Model: 2007 V50
- Location: Denmark
- Has thanked: 1 time
- Been thanked: 7 times
Don't know if this is helpful at this time.
Current: V50 2.0D, 2007, 6 speed manual
Previous: 850 2.0L N/A, 4 door 1996 manual, 740 2.3L N/A, 5 door 1992 manual, and S70 2.5T 1999 manual
Previous: 850 2.0L N/A, 4 door 1996 manual, 740 2.3L N/A, 5 door 1992 manual, and S70 2.5T 1999 manual
- E Showell
- Posts: 3275
- Joined: 16 October 2008
- Year and Model: ‘07 S80 3.2
- Location: Long Valley, N.J.
- Has thanked: 37 times
- Been thanked: 111 times
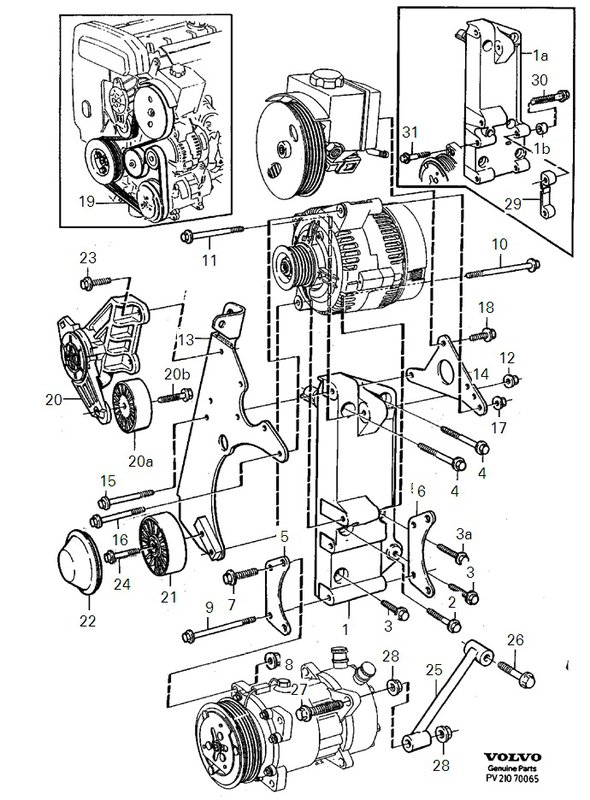
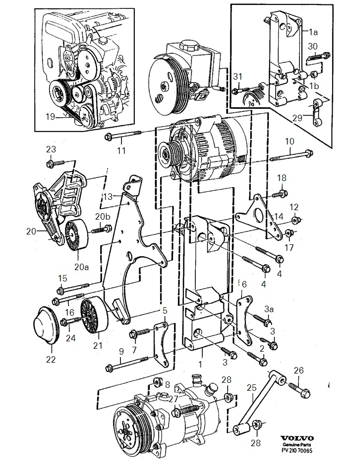
Teddy, that's very similar to what I have, but not an exact match. In particular, it does not show the bolt below #23 and above #20b, which is the one I am having trouble with.
If you look closely at the drawing you'll see that there is a place for a lower bolt going through the tensioner, but no lower bolt is depicted.
Plus, my serpentine belt tensioner doesn't look like the part in the drawing.
If you look closely at the drawing you'll see that there is a place for a lower bolt going through the tensioner, but no lower bolt is depicted.
Plus, my serpentine belt tensioner doesn't look like the part in the drawing.
'98 V70 NA FWD 5 spd, silver sand metallic (sold)
'99 V70 NA FWD Auto, dark blue (sold)
'99 S70 NA FWD Auto, black (sold and resurrected -- Don't cry for me Argentina . . . )
'07 S80 3.2 FWD Auto, Barents Blue Metallic
'06 V70 R AWD Auto, Sonic Blue Metallic (sold)
'04 XC70 Ruby Red Metallic (sold)
'95 855 auto (sold)
'86 245 manual (sold)
'05 V70 T5 M (totalled)
'06 V70 FWD Auto (totalled)
'02 Honda Insight CVT
‘04 Honda Insight CVT — “Yesterday’s car of tomorrow” (sold)
‘06 Honda Insight CVT
'99 V70 NA FWD Auto, dark blue (sold)
'99 S70 NA FWD Auto, black (sold and resurrected -- Don't cry for me Argentina . . . )
'07 S80 3.2 FWD Auto, Barents Blue Metallic
'06 V70 R AWD Auto, Sonic Blue Metallic (sold)
'04 XC70 Ruby Red Metallic (sold)
'95 855 auto (sold)
'86 245 manual (sold)
'05 V70 T5 M (totalled)
'06 V70 FWD Auto (totalled)
'02 Honda Insight CVT
‘04 Honda Insight CVT — “Yesterday’s car of tomorrow” (sold)
‘06 Honda Insight CVT
-
Teddy1975
- Posts: 257
- Joined: 6 January 2016
- Year and Model: 2007 V50
- Location: Denmark
- Has thanked: 1 time
- Been thanked: 7 times
Hmm, it's from VADIS, if you can post or pm me your VIN, I can see if there's another one for your car.
But the lower bolt should be put in much the same way as #23 bolt, it might "just" be a matter of moving the spring loaded part of the tensioner a little to be able to get the bolt in.
But the lower bolt should be put in much the same way as #23 bolt, it might "just" be a matter of moving the spring loaded part of the tensioner a little to be able to get the bolt in.
Current: V50 2.0D, 2007, 6 speed manual
Previous: 850 2.0L N/A, 4 door 1996 manual, 740 2.3L N/A, 5 door 1992 manual, and S70 2.5T 1999 manual
Previous: 850 2.0L N/A, 4 door 1996 manual, 740 2.3L N/A, 5 door 1992 manual, and S70 2.5T 1999 manual
- erikv11
- Posts: 11800
- Joined: 25 July 2009
- Year and Model: 850, V70, S60R, XC70
- Location: Iowa
- Has thanked: 292 times
- Been thanked: 765 times
You can take the serp tensioner on and off w/out removing the PS pump, I do it at the start of every t-belt change. You just have to hand start that bolt, something like what Lee said. Maybe put it in the socket and hand turn the socket, I don't remember exactly.
Neil it will be the same as yours, check it out if you have time.
Neil it will be the same as yours, check it out if you have time.
'95 854 T-5R, Motronic 4.4, 185k
'98 V70, T5 tune-injectors-turbo, LPT engine, 304k, daily driver
'06 S60 R, 197k
'07 XC70, black, 205k
'07 XC70, willow green, 212k
'99 Camry V6
153k
gone: '96 NA 850 210k, '98 NA V70 182k, '98 S70 NA 225k, '96 855 NA 169k
'98 V70, T5 tune-injectors-turbo, LPT engine, 304k, daily driver
'06 S60 R, 197k
'07 XC70, black, 205k
'07 XC70, willow green, 212k
'99 Camry V6
gone: '96 NA 850 210k, '98 NA V70 182k, '98 S70 NA 225k, '96 855 NA 169k
-
scot850
- Posts: 14881
- Joined: 5 April 2010
- Year and Model: 2000 V70 R
- Location: Calgary, Alberta, Canada
- Has thanked: 1846 times
- Been thanked: 1710 times
Hi Evan,
I realise you are working on the serpentine belt, but my point was I have just had the serpentine belt off to do the timing belt on my car and replace the serpentine belt as well. Like erik says my car should be the same as yours, and whilst not easy to access the lower bolt for the tensioner is was easy with a long 3/8" 15mm socket. So I am suggesting maybe there is something amiss and the pictures may help me to help you. I'll take some pictures today and post them to see if they will help you.
Neil.
I realise you are working on the serpentine belt, but my point was I have just had the serpentine belt off to do the timing belt on my car and replace the serpentine belt as well. Like erik says my car should be the same as yours, and whilst not easy to access the lower bolt for the tensioner is was easy with a long 3/8" 15mm socket. So I am suggesting maybe there is something amiss and the pictures may help me to help you. I'll take some pictures today and post them to see if they will help you.
Neil.
2006 V70 2.5T AWD Polestar tune
2000 V70 R - still being an endless PITA
2006 XC70 - Our son now has this and still parked in our garage
2003 Toyota 4Runner V8 Limited
2015 Kia Sportage EX-L - Sold
1993 850 GLT -Sold
1998 V70 XC - Sold
1997 Volvo 850 SE NA - Went to niece in California - Sold
2000 V70 SE NA - Sold
2000 V70 R - still being an endless PITA
2006 XC70 - Our son now has this and still parked in our garage
2003 Toyota 4Runner V8 Limited
2015 Kia Sportage EX-L - Sold
1993 850 GLT -Sold
1998 V70 XC - Sold
1997 Volvo 850 SE NA - Went to niece in California - Sold
2000 V70 SE NA - Sold
- abscate
- MVS Moderator
- Posts: 35293
- Joined: 17 February 2013
- Year and Model: 99: V70s S70s,05 V70
- Location: Port Jefferson Long Island NY
- Has thanked: 1503 times
- Been thanked: 3817 times
Evan - remove tensioner, put in lower bolt, start it as you bring tensioner into place, then do rest of bolts?
Empty Nester
A Captain in a Sea of Estrogen
1999-V70-T5M56 2005-V70-M56 1999-S70 VW T4 XC90-in-Red
Link to Maintenance record thread
A Captain in a Sea of Estrogen
1999-V70-T5M56 2005-V70-M56 1999-S70 VW T4 XC90-in-Red
Link to Maintenance record thread
- E Showell
- Posts: 3275
- Joined: 16 October 2008
- Year and Model: ‘07 S80 3.2
- Location: Long Valley, N.J.
- Has thanked: 37 times
- Been thanked: 111 times
I think there must be two mounting holes in the bracket and I have the topmost bolt in the wrong place (too high). What I originally thought was a PEMDAS (order of operations) problem may well be an I-D-I-O-T problem.
'98 V70 NA FWD 5 spd, silver sand metallic (sold)
'99 V70 NA FWD Auto, dark blue (sold)
'99 S70 NA FWD Auto, black (sold and resurrected -- Don't cry for me Argentina . . . )
'07 S80 3.2 FWD Auto, Barents Blue Metallic
'06 V70 R AWD Auto, Sonic Blue Metallic (sold)
'04 XC70 Ruby Red Metallic (sold)
'95 855 auto (sold)
'86 245 manual (sold)
'05 V70 T5 M (totalled)
'06 V70 FWD Auto (totalled)
'02 Honda Insight CVT
‘04 Honda Insight CVT — “Yesterday’s car of tomorrow” (sold)
‘06 Honda Insight CVT
'99 V70 NA FWD Auto, dark blue (sold)
'99 S70 NA FWD Auto, black (sold and resurrected -- Don't cry for me Argentina . . . )
'07 S80 3.2 FWD Auto, Barents Blue Metallic
'06 V70 R AWD Auto, Sonic Blue Metallic (sold)
'04 XC70 Ruby Red Metallic (sold)
'95 855 auto (sold)
'86 245 manual (sold)
'05 V70 T5 M (totalled)
'06 V70 FWD Auto (totalled)
'02 Honda Insight CVT
‘04 Honda Insight CVT — “Yesterday’s car of tomorrow” (sold)
‘06 Honda Insight CVT
-
- Similar Topics
- Replies
- Views
- Last post






